GM Service Manual Online
For 1990-2009 cars only
Figure 1:

Power, Ground, Serial Data and MIL Indicator


Object Number: 1516292  Size: FS
Master Electrical Component List
Instrument Cluster Description and Operation
Control Module References
Indicators, Water in Fuel Sensor, Engine Oil Level Switch and Washer Fluid Level Sensor
B+ Bar Bus
Ignition Switch - ACC/RUN and RUN/START Bus Bars and IGN B Fuse
IGN E and AIRBAG Fuses
Power, Ground, DLC and Splice Pack SP 205
IPC/DIC, LH HID, RH HID, SEO B1, SEO B2, and TBC BATT Fuses
B/U LP, BTSI, O2A, O2B, SEO IGN, TBC IGN 1, and TRL B/U Fuses
G203 - 1 of 2
Figure 2:

Indicators, Water in Fuel Sensor, Engine Oil Level Switch, and Washer Fluid Level Sensors


Object Number: 1516295  Size: FS
Master Electrical Component List
Instrument Cluster Description and Operation
Control Module References
Gages, Vehicle Speed Signal, Engine Oil Pressure, and Fuel Level Sensors
Power, Ground, Serial Data and MIL Indicator
Power, Ground, DLC and Splice Pack SP 205
Supplimental Brake Assist
Turn Signals - GMC
G102, G103, G108 and G109 - Diesel
G102, G103, G108 and G109 - Diesel
G103 - Gas
G100, G101, and G102
Figure 3:

Gages, Vehicle Speed Signal, Engine Oil Pressure, and Fuel Level Sensors


Object Number: 1516335  Size: FS
Master Electrical Component List
Instrument Cluster Description and Operation
Control Module References
Driver Information Center (DIC) Controls
Indicators, Water in Fuel Sensor, Engine Oil Level Switch and Washer Fluid Level Sensor
Power, Ground, DLC and Splice Pack SP 205
Starting 1 of 2 and Engine Speed Signal
Fuel Controls - EVAP and Device Controls
Fuel Controls - EVAP Controls and Fuel Composition
Fuel Controls - EVAP Controls
Figure 4:

Driver Information Center (DIC) Controls


Object Number: 1516336  Size: FS
Master Electrical Component List
Instrument Cluster Description and Operation
Control Module References
Gages, Vehicle Speed Signal, Engine Oil Pressure, and Fuel Level Sensors
G203 - 2 of 2
SIR Caution for Zoning
I/P Lamps Dimming Control Supply - 1 of 3
I/P Lamps Dimming Control Supply - 1 of 3
G203 - 1 of 2

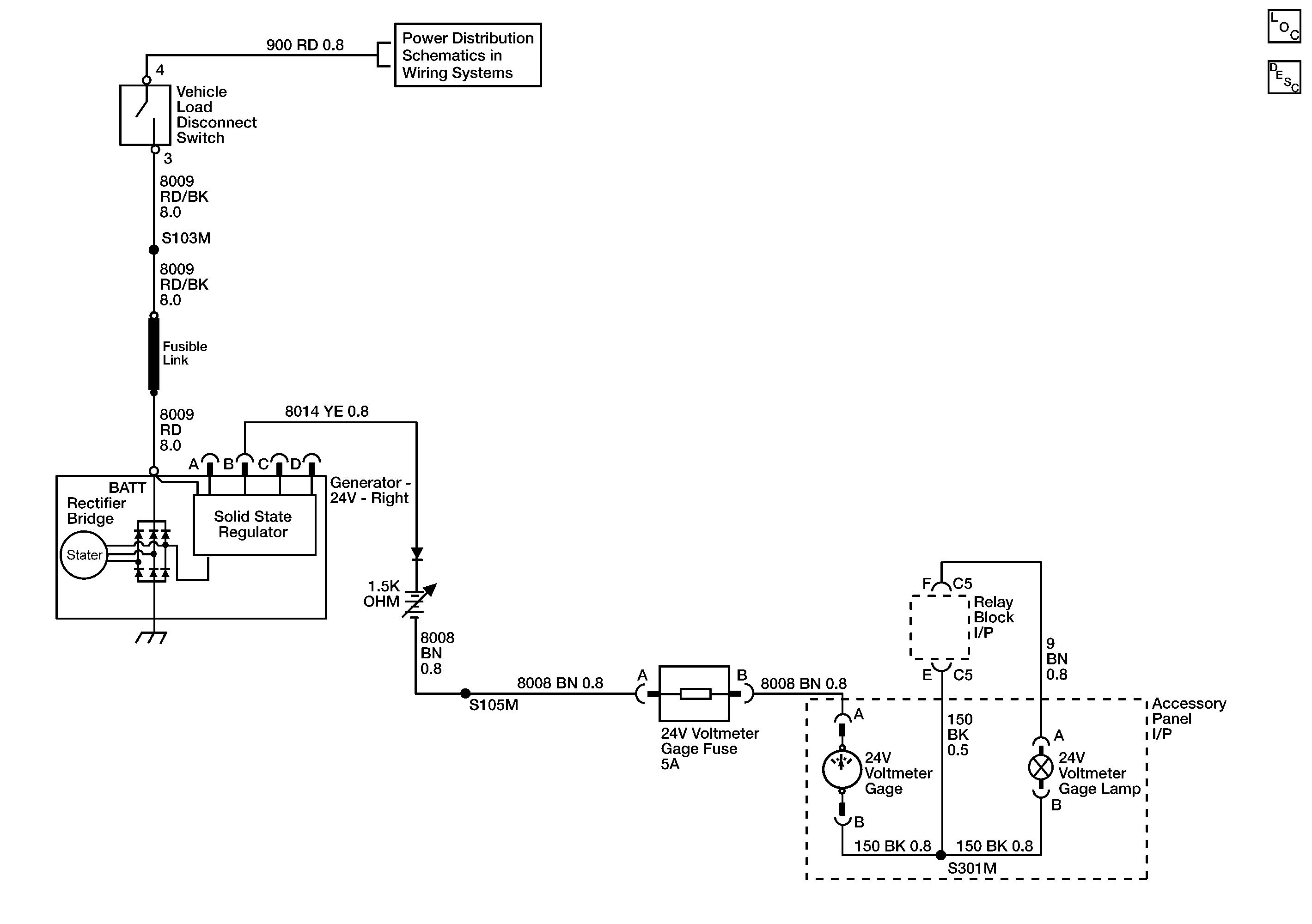
Voltmeter Gage


Object Number: 1697953  Size: FS
Master Electrical Component List
Instrument Panel (I/P) Gages Description
12V/24V