GM Service Manual Online
For 1990-2009 cars only
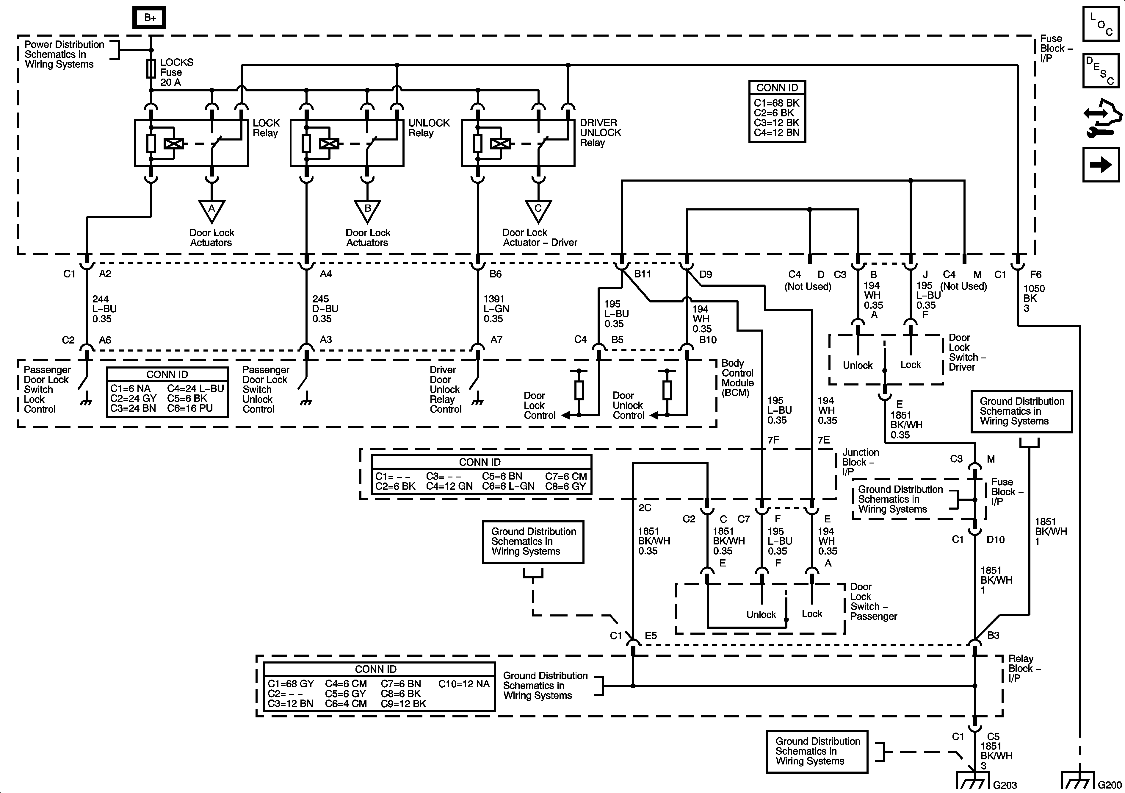
Figure 1:

Relays and Switches (Except YE9)


Object Number: 1509979  Size: FS
Master Electrical Component List
Power Door Locks Description and Operation
Control Module References
Activators (except YE9)
AUX PWR, AUX PWR 2, DDM, ECC, LBEC 2, LOCKS, PCM B, and PDM Fuses
Activators (except YE9)
Activators (except YE9)
Activators (except YE9)
G203 - 1 of 2
G203 - 2 of 2
G203 - 2 of 2
G203 - 1 of 2
G203 - 1 of 2
G203 - 1 of 2
G115 and G200 - 1 of 2
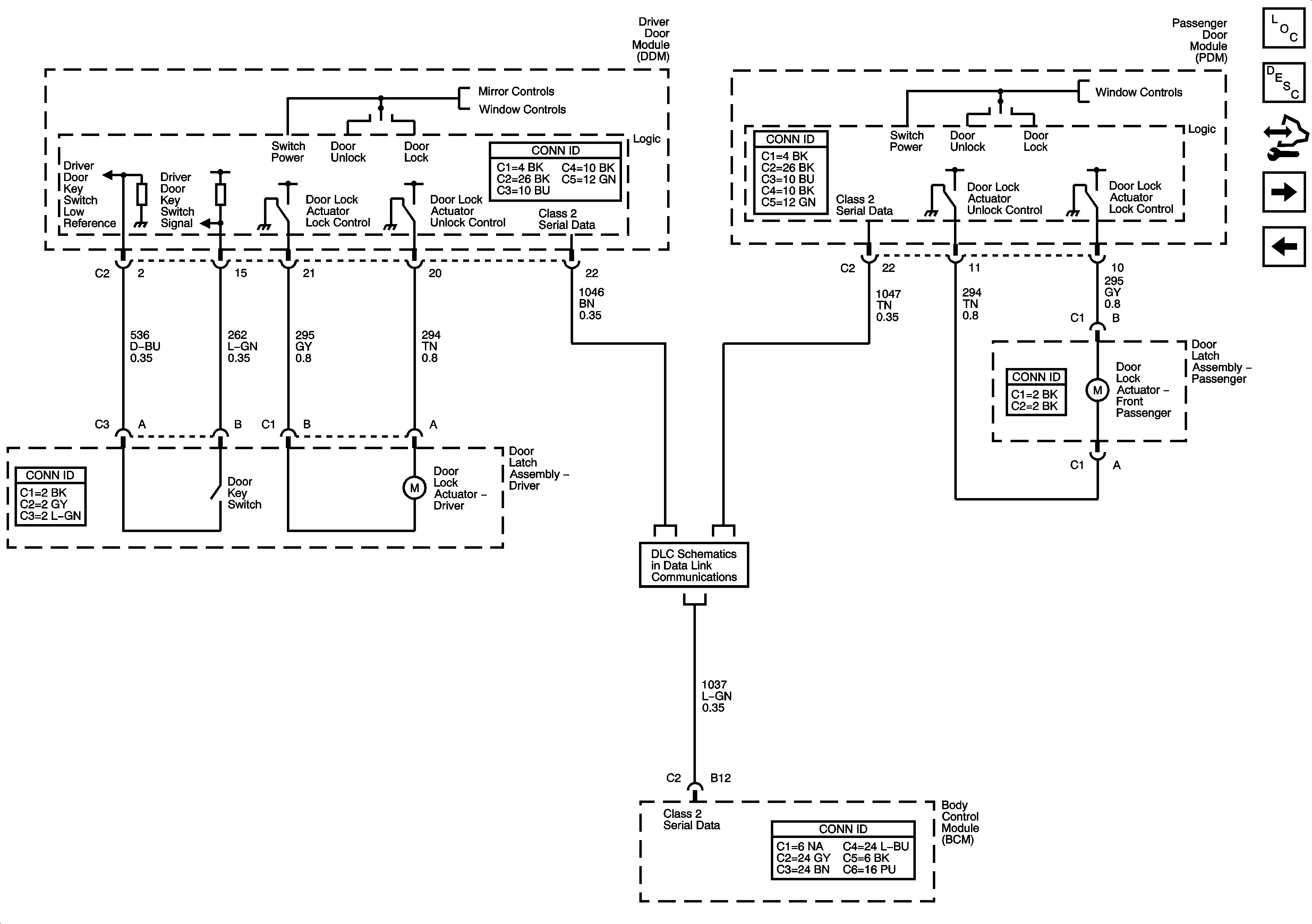
Figure 2:

Actuators (Except YE9)


Object Number: 1509981  Size: FS
Master Electrical Component List
Power Door Locks Description and Operation
Control Module References
Switches and Front Door Activators (YE9)
Relays and Switches (except YE9)
Relays and Switches (except YE9)
Relays and Switches (except YE9)
Relays and Switches (except YE9)
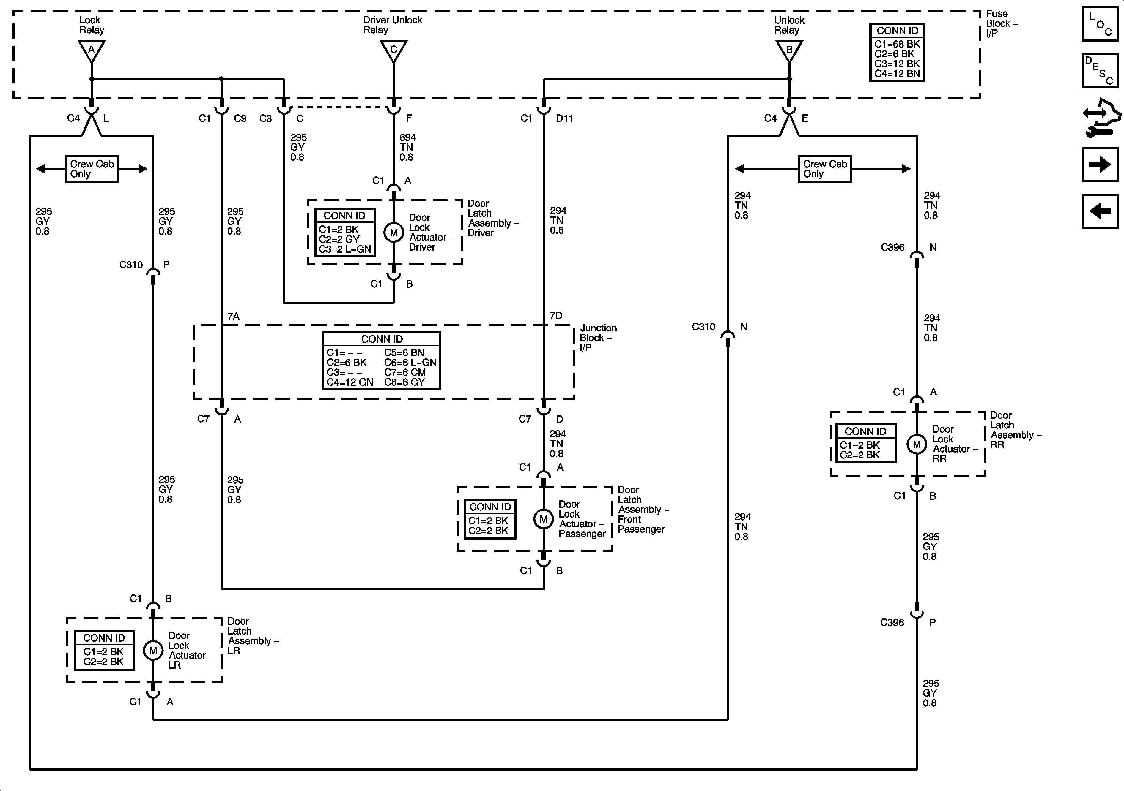
Figure 3:

Switches and Front Door Actuators (YE9)


Object Number: 1509982  Size: FS
Master Electrical Component List
Power Door Locks Description and Operation
Control Module References
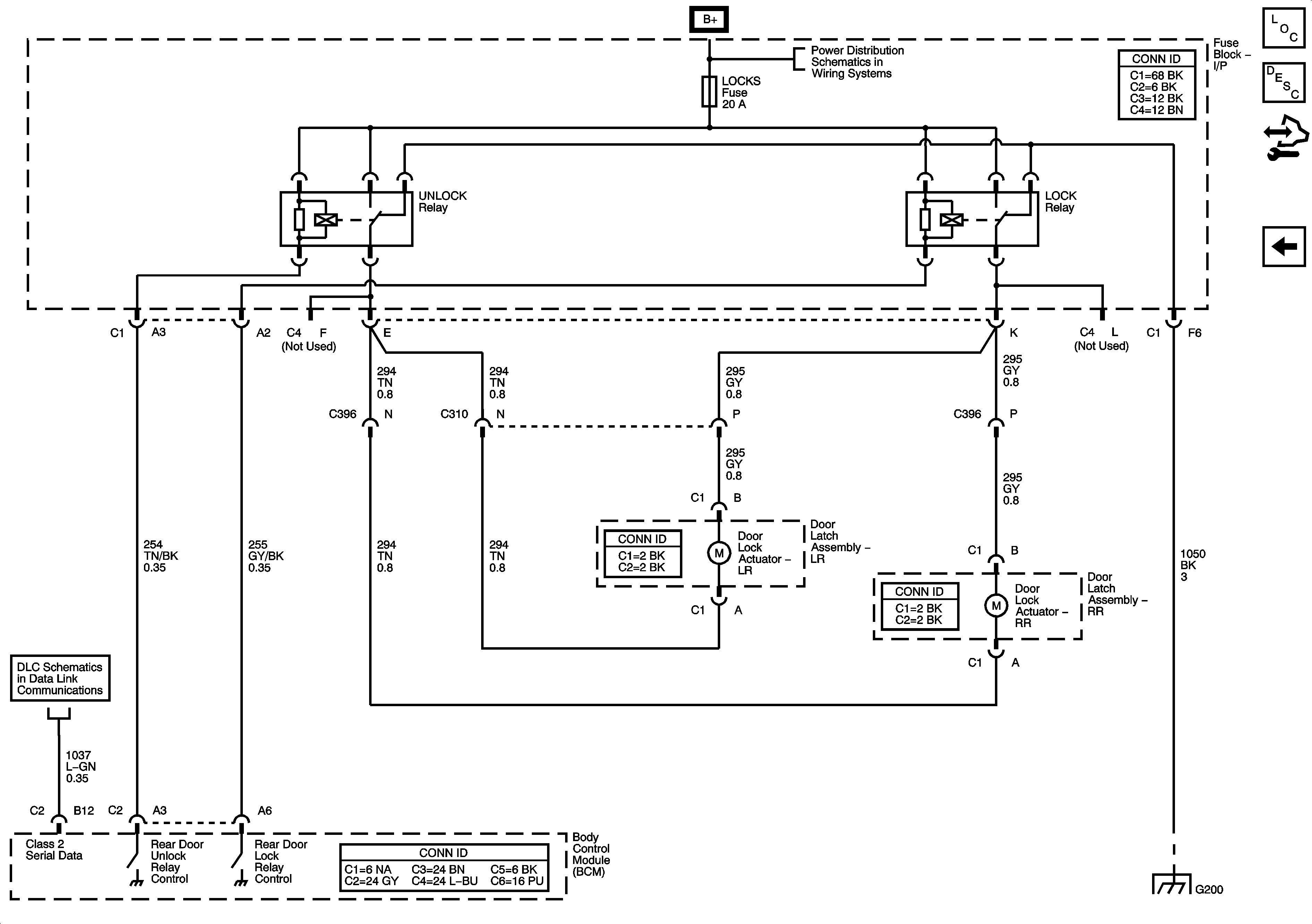
Relays and Actuators - Crew Cab (YE9)
Activators (except YE9)
Outside Mirror Schematics
Left Doors
Right Doors
Power, Ground, DLC and Splice Pack SP 205
Figure 4:

Relays and Actuators - Crew Cab (YE9)


Object Number: 1509983  Size: FS
Master Electrical Component List
Power Door Locks Description and Operation
Control Module References
Switches and Front Door Activators (YE9)
AUX PWR, AUX PWR 2, DDM, ECC, LBEC 2, LOCKS, PCM B, and PDM Fuses
Power, Ground, DLC and Splice Pack SP 205
G115 and G200 - 1 of 2