GM Service Manual Online
For 1990-2009 cars only

Removal Procedure

    Caution: Refer to Vehicle Lifting Caution in the Preface section.


    Object Number: 1700615  Size: SH
  1. Raise the vehicle. Refer to Lifting and Jacking the Vehicle in General Information in the 2005 C/K Truck Service Manual.
  2. Remove the front skid plate. Refer to Front Skid Plate Replacement .
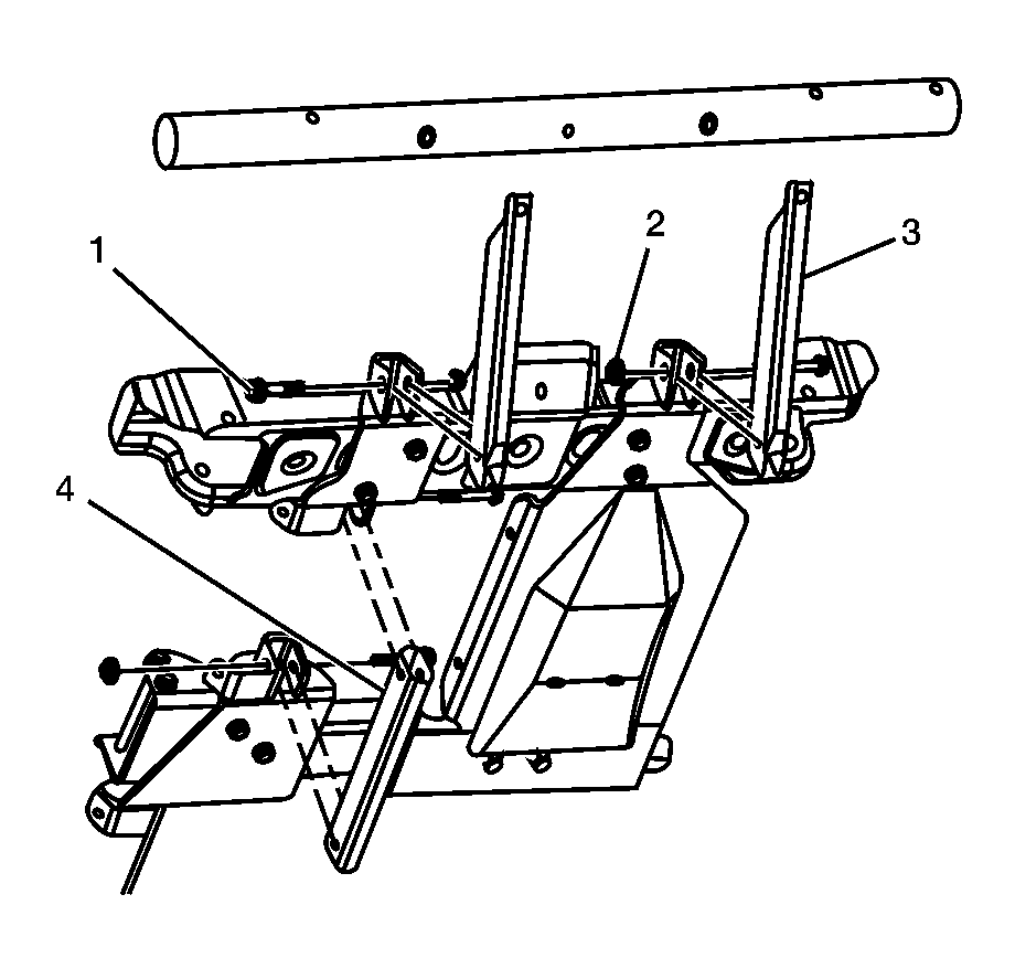
  3. Remove the bolts (1) and nuts (2).
  4. Remove the support beam (3) and (4).

Installation Procedure


    Object Number: 1700615  Size: SH
  1. Install the support beam (3) and (4).
  2. Notice: Refer to Fastener Notice in the Preface section.

  3. Install the bolts (1) and nuts (2).
  4. Tighten

        • Tighten support beam (3) nuts and bolts to 35 N·m (26 lb ft).
        • Tighten support beam (4) nuts and bolts to 50 N·m (37 lb ft).
  5. Install the front skid plate. Refer to Front Skid Plate Replacement .
  6. Lower the vehicle. Refer to Lifting and Jacking the Vehicle in General Information in the 2005 C/K Truck Service Manual.