GM Service Manual Online
For 1990-2009 cars only
Makes
🢒
Chevrolet
🢒
2005
🢒
Chevy K Silverado - 4WD
🢒
Body
🢒
Horns
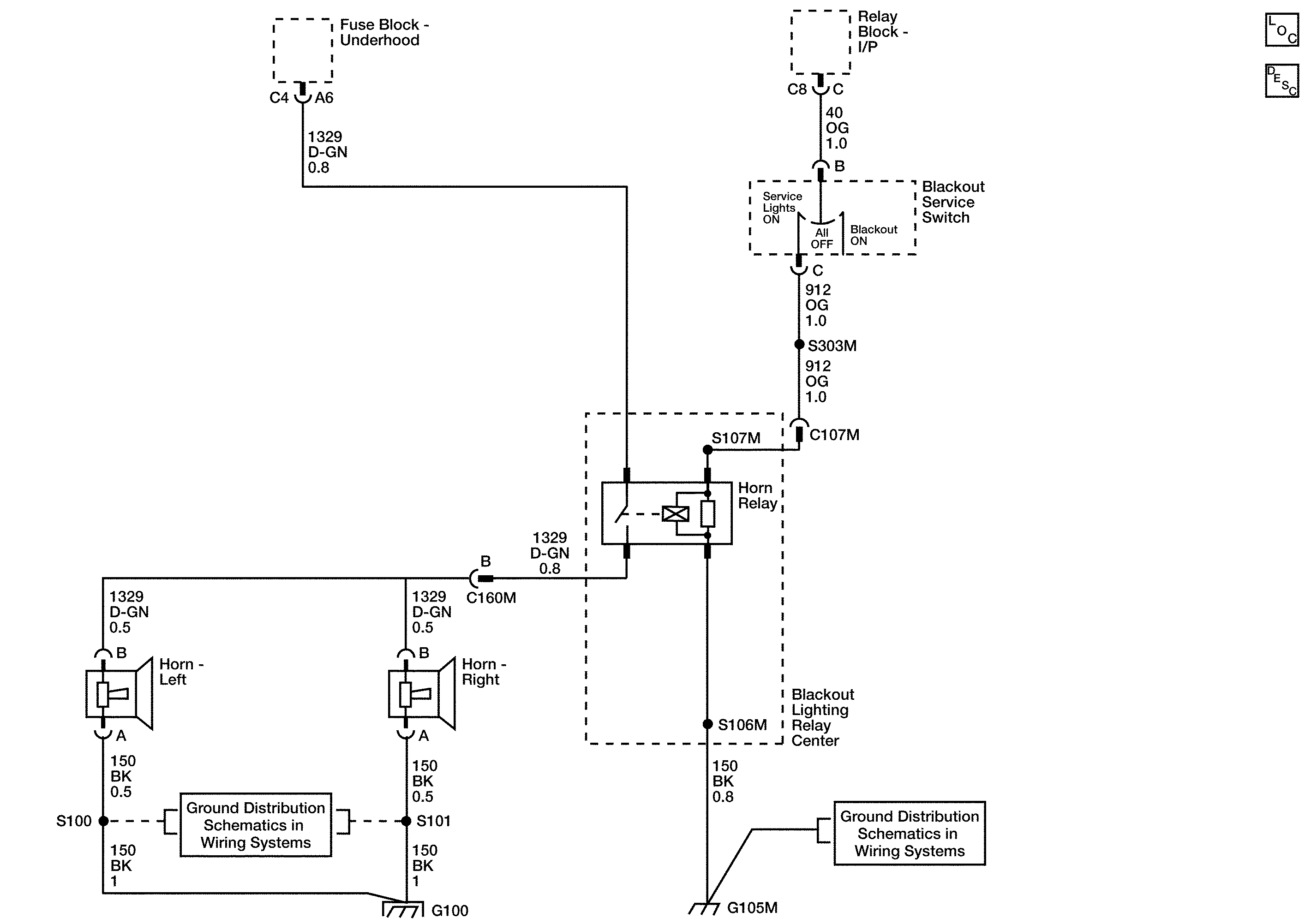
🢒 Horn Schematics
Master Electrical Component List
Horns System Description and Operation
Control Module References
B+ Bar Bus
G100, G101, and G102
G100, G101, and G102
Master Electrical Component List
Horn with Blackout Control Circuit Operation
G100M, G101M, G102M
G100M, G101M, G102M