GM Service Manual Online
For 1990-2009 cars only
Makes
🢒
Chevrolet
🢒
2005
🢒
Chevy K Silverado - 4WD
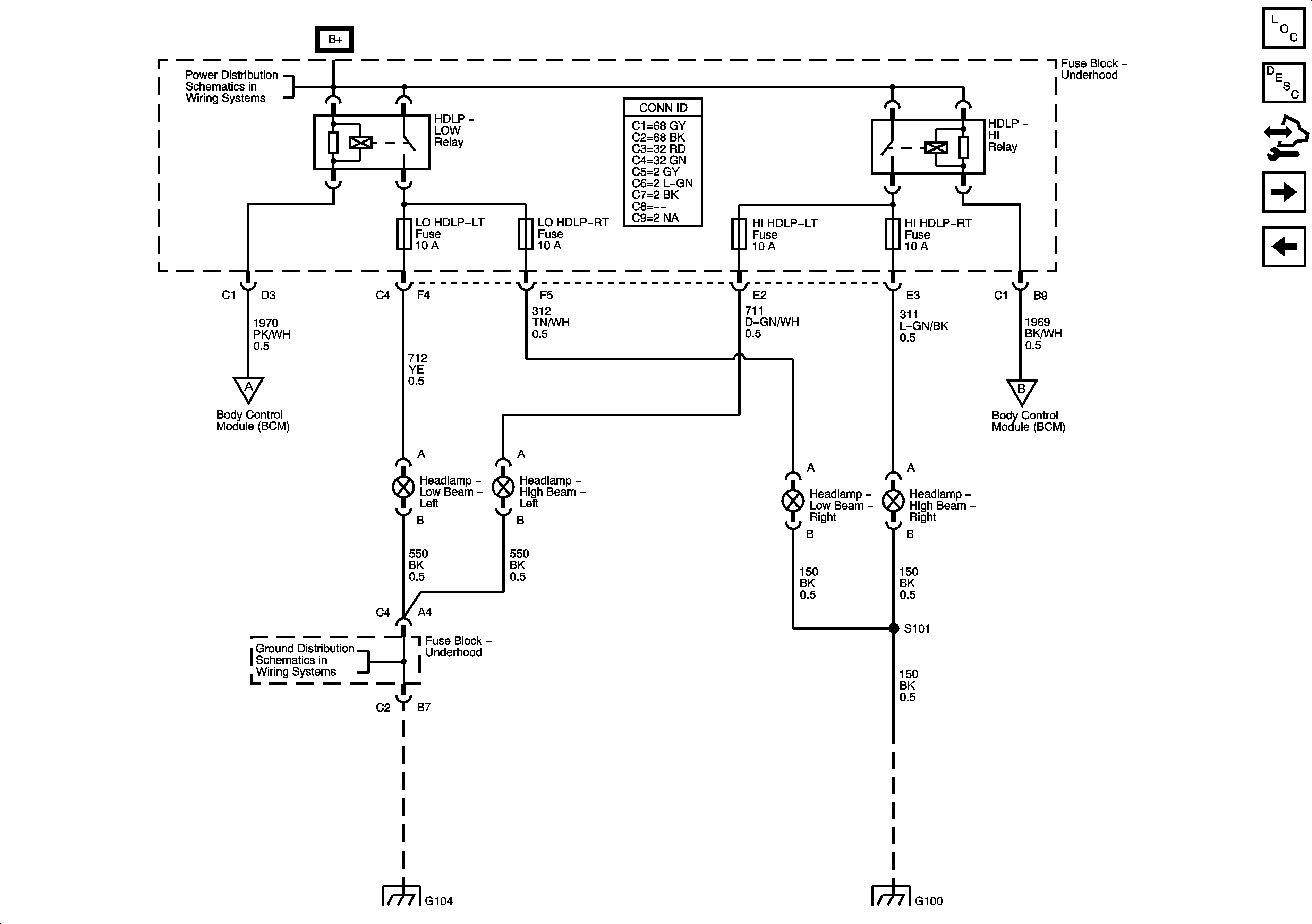
🢒 Headlights
Headlights
Headlights
Master Electrical Component List
Exterior Lighting Systems Description and Operation
Control Module References
Daytime Running Lamps (DRL)
Headlights/DRL Control
B+ Bar Bus
Headlights/DRL Control
Headlights/DRL Control
G104, G106, G107 and G110
G104, G106, G107 and G110
G100, G101, and G102