GM Service Manual Online
For 1990-2009 cars only
Makes
🢒
Chevrolet
🢒
2005
🢒
Chevy K Silverado - 4WD
🢒 Interior Park
Interior Park
Interior Park
Master Electrical Component List
Exterior Lighting Systems Description and Operation
Control Module References
Right Rear Park Lamps - GMC
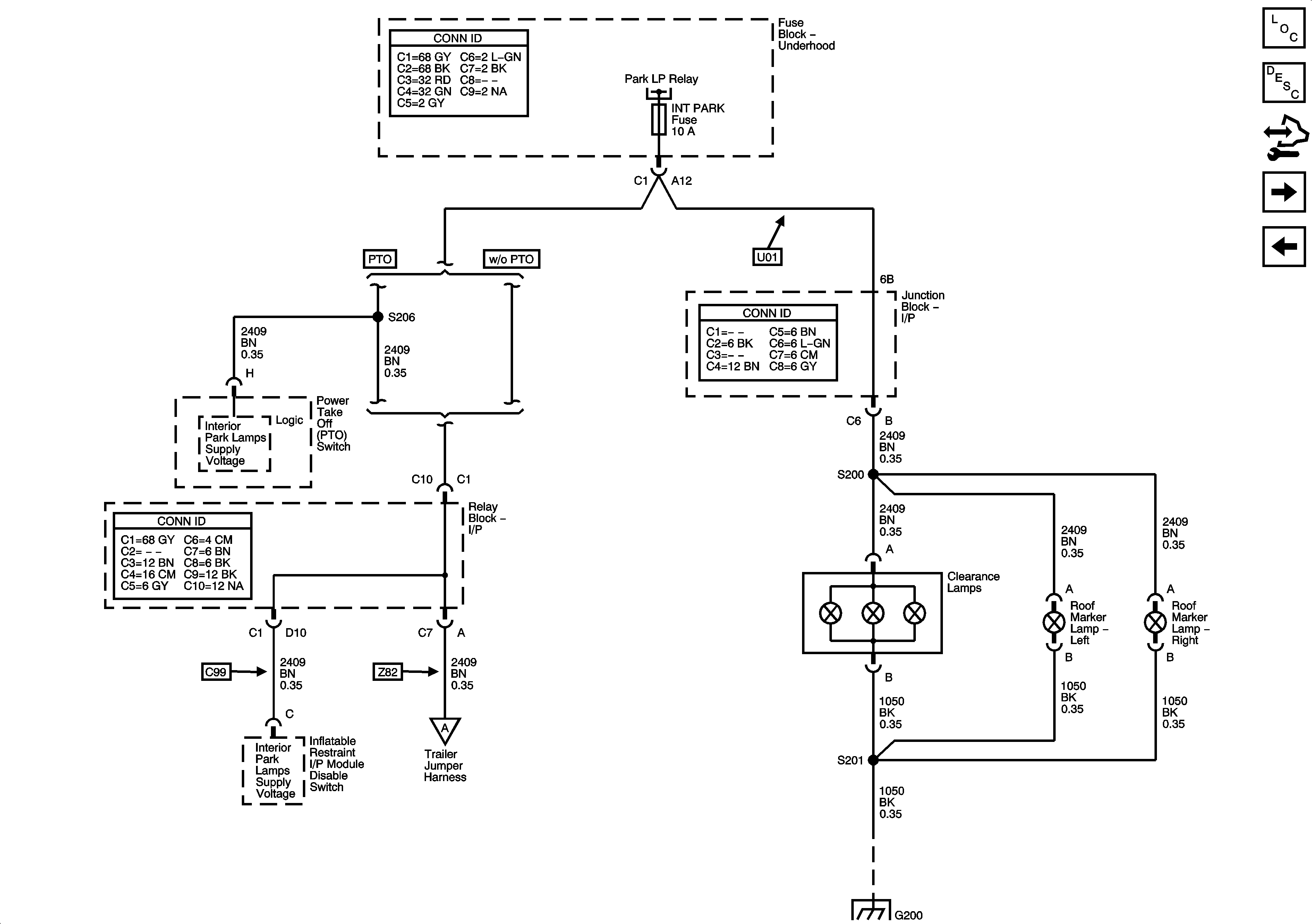
Park Lamp Relay Control and Front Park Lamps
Park Lamp Relay Control and Front Park Lamps
Trailer and Camper Wiring
G115 and G200 - 1 of 2