GM Service Manual Online
For 1990-2009 cars only
Makes
🢒
Chevrolet
🢒
2005
🢒
Chevy K Silverado - 4WD
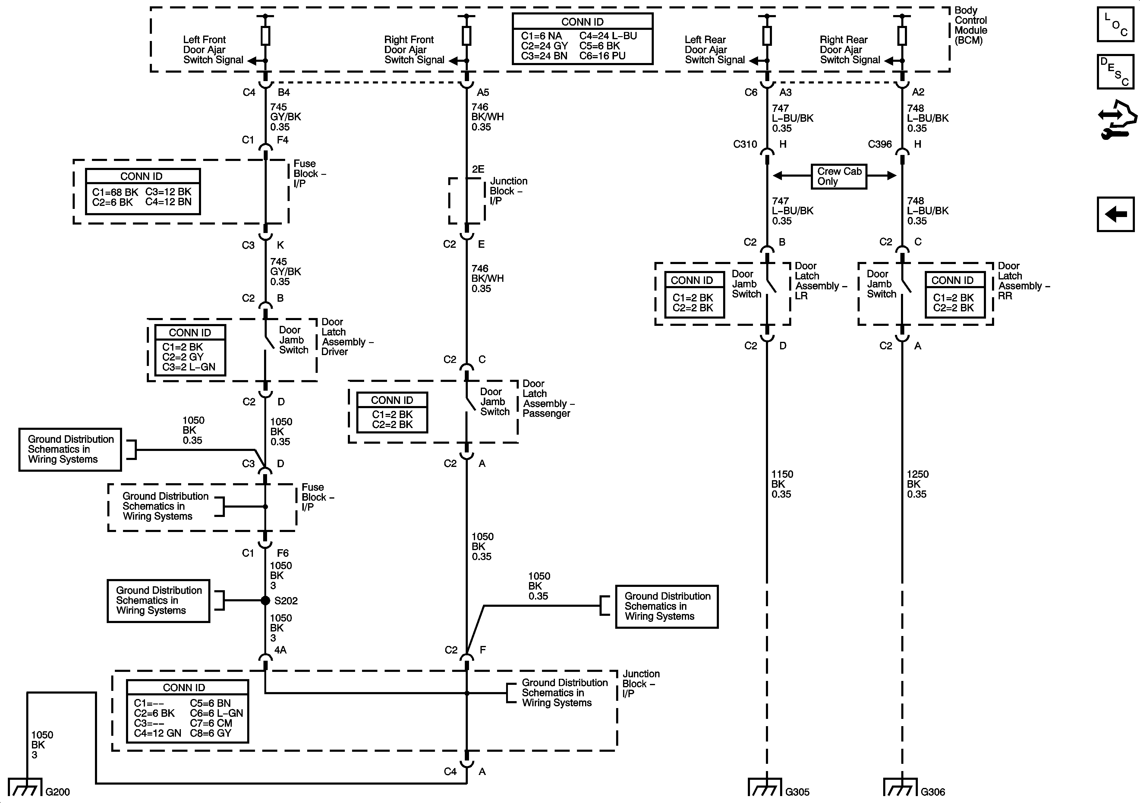
🢒 Door Jamb Switches (w/o YE9/Y91)
Door Jamb Switches (w/o YE9/Y91)
Door Jamb Switches (w/o YE9/Y91)
Master Electrical Component List
Interior Lighting Systems Description and Operation
Control Module References
Door Jamb Switches (YE9/Y91)
G115 and G200 - 1 of 2
G115 and G200 - 1 of 2
G115 and G200 - 1 of 2
G115 and G200 - 1 of 2
G115 and G200 - 1 of 2
G304, G305, G306 and G390
G304, G305, G306 and G390