GM Service Manual Online
For 1990-2009 cars only
Makes
🢒
Chevrolet
🢒
2002
🢒
Chevy K Silverado - 4WD (CNG)
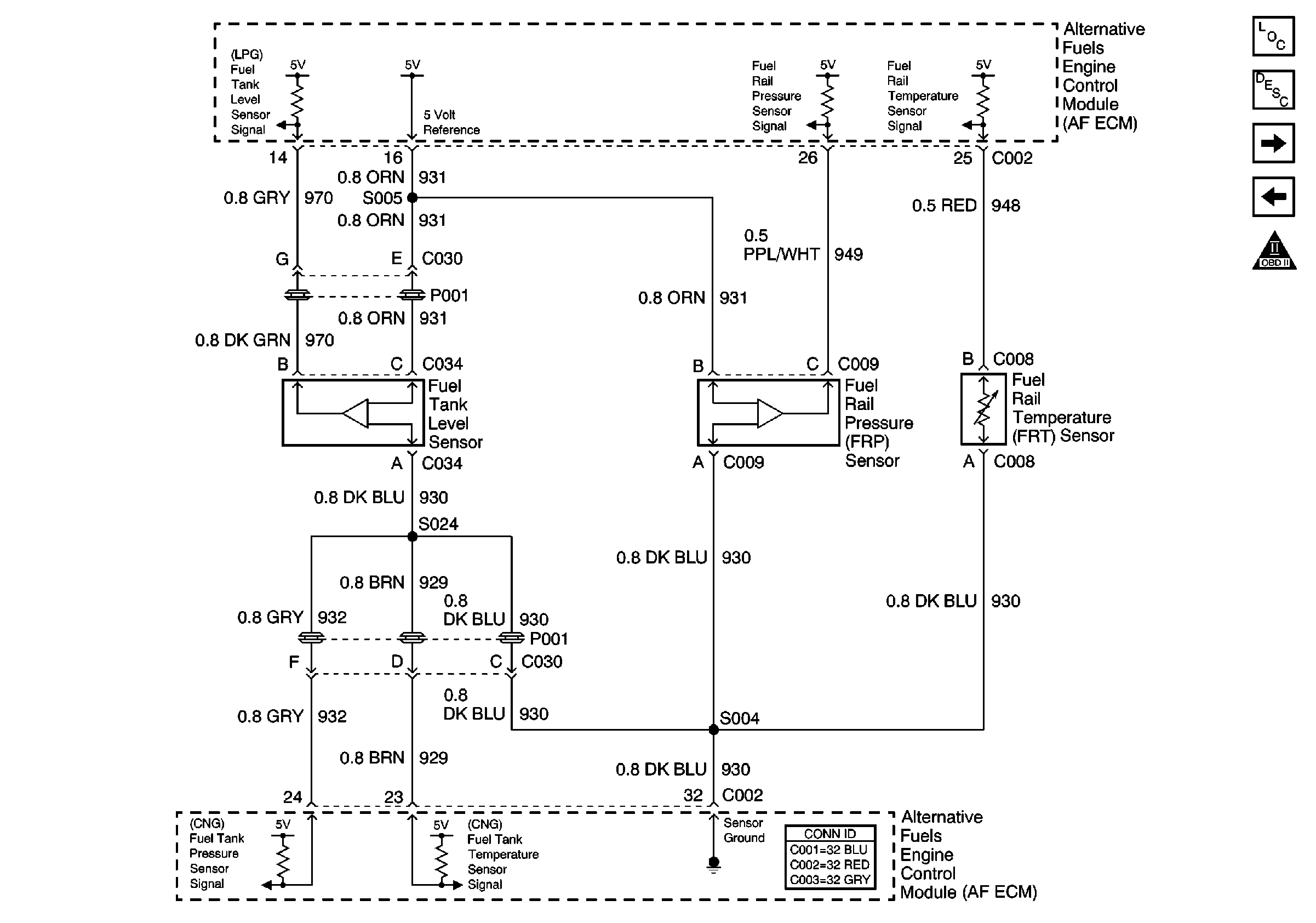
🢒 Engine Data Sensors, Fuel Tank Level, FRP and FRT
Engine Data Sensors, Fuel Tank Level, FRP and FRT
Engine Data Sensors, Fuel Tank Level, FRP and FRT
Engine Data Sensors, MAF, IAT, VSS and 5 Volt Reference
Engine Data Sensors, FTT, FTP, FRP and FRT
OBD II Symbol Description Notice
Handling ESD Sensitive Parts Notice
Handling ESD Sensitive Parts Notice
Engine Control Module Connector End Views Alternative Fuels