GM Service Manual Online
For 1990-2009 cars only

Engine Controls Schematics Alternative Fuels

Figure 1:

Power and Ground


Object Number: 696116  Size: FS
Engine Controls, AFO Signal, Serial Data, MIL, LPG Wait and Fuel Mode Indicators
Engine Controls, PCM 3 of 3
OBD II Symbol Description Notice
Handling ESD Sensitive Parts Notice
Engine Control Module Connector End Views Alternative Fuels
Figure 2:

AFO Signal, Serial Data, MIL, LPG Wait and Fuel Mode Indicators


Object Number: 696123  Size: FS
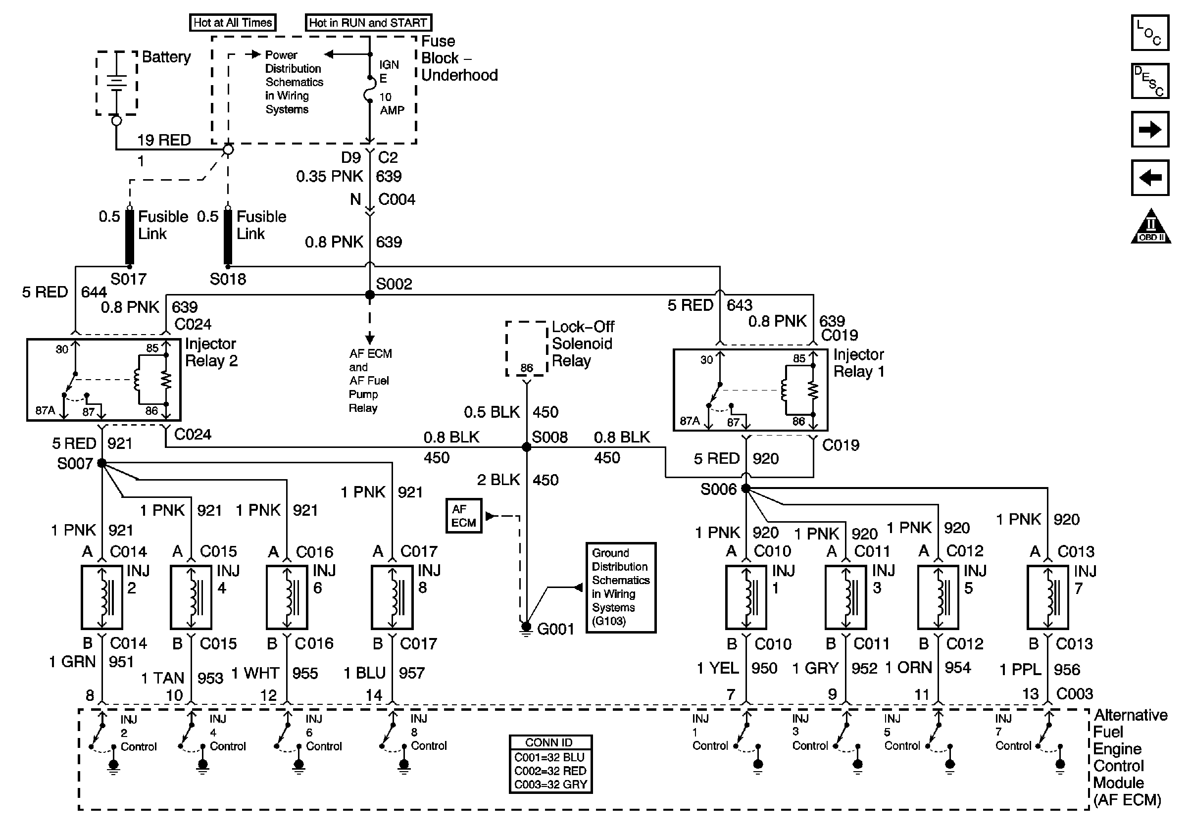
Fuel Controls, Injectors
Engine Controls, Power and Ground
OBD II Symbol Description Notice
Handling ESD Sensitive Parts Notice
Handling ESD Sensitive Parts Notice
Handling ESD Sensitive Parts Notice
Powertrain Control Module Connector End Views
Engine Control Module Connector End Views Alternative Fuels
Figure 3:

Fuel Controls, Injectors


Object Number: 696126  Size: FS
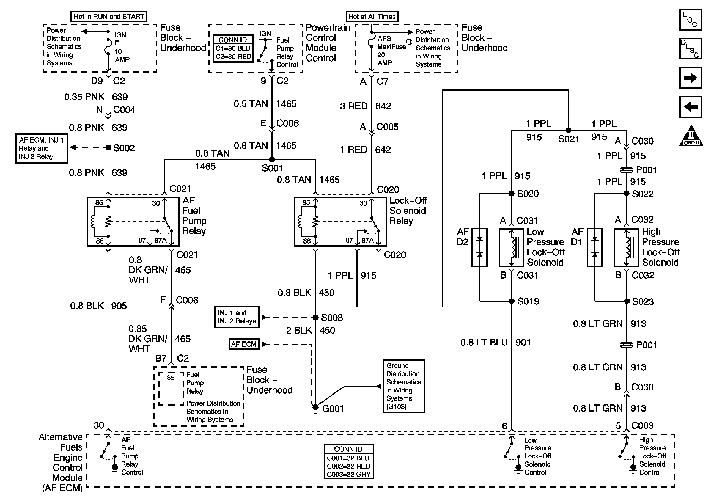
Fuel Controls, Fuel Pump and Lock- Off Solenoids
Engine Controls, AFO Signal, Serial Data, MIL, LPG Wait and Fuel Mode Indicators
OBD II Symbol Description Notice
Handling ESD Sensitive Parts Notice
Engine Control Module Connector End Views Alternative Fuels
Figure 4:

Fuel Controls, Fuel Pump and Lock-Off Solenoids


Object Number: 696128  Size: FS
Engine Data Sensors, FTT, FTP, FRP and FRT
Fuel Controls, Injectors
OBD II Symbol Description Notice
Handling ESD Sensitive Parts Notice
Handling ESD Sensitive Parts Notice
Powertrain Control Module Connector End Views
Engine Control Module Connector End Views Alternative Fuels
Figure 5:

Engine Data Sensors, FTT, FTP, FRP and FRT


Object Number: 696130  Size: FS
Engine Data Sensors, Fuel Tank Level, FRP and FRT
Fuel Controls, Fuel Pump and Lock- Off Solenoids
OBD II Symbol Description Notice
Handling ESD Sensitive Parts Notice
Handling ESD Sensitive Parts Notice
Engine Control Module Connector End Views Alternative Fuels
Figure 6:

Engine Data Sensors, MAF, IAT, VSS and 5 Volt Reference


Object Number: 696134  Size: FS
Engine Data Sensors, ECT, IAT, TP and MAP
Engine Data Sensors, Fuel Tank Level, FRP and FRT
OBD II Symbol Description Notice
Handling ESD Sensitive Parts Notice
Handling ESD Sensitive Parts Notice
Powertrain Control Module Connector End Views
Engine Control Module Connector End Views Alternative Fuels
Figure 7:

Engine Data Sensors, ECT, IAT, TP and MAP


Object Number: 696135  Size: FS
Engine Data Sensors, CKP, CMP and EGR
Engine Data Sensors, MAF, IAT, VSS and 5 Volt Reference
OBD II Symbol Description Notice
Handling ESD Sensitive Parts Notice
Handling ESD Sensitive Parts Notice
Handling ESD Sensitive Parts Notice
Handling ESD Sensitive Parts Notice
Powertrain Control Module Connector End Views
Engine Control Module Connector End Views Alternative Fuels
Figure 8:

Engine Data Sensors, CKP, CMP and EGR


Object Number: 696137  Size: FS
Engine Data Sensors, Park/Neutral Position Switch
Engine Data Sensors, ECT, IAT, TP and MAP
OBD II Symbol Description Notice
Handling ESD Sensitive Parts Notice
Handling ESD Sensitive Parts Notice
Handling ESD Sensitive Parts Notice
Powertrain Control Module Connector End Views
Engine Control Module Connector End Views Alternative Fuels
Figure 9:

Engine Data Sensors, Park/Neutral Position Switch


Object Number: 696140  Size: FS
Engine Data Sensors, EVAP and IAC
Engine Data Sensors, CKP, CMP and EGR
OBD II Symbol Description Notice
Handling ESD Sensitive Parts Notice
Handling ESD Sensitive Parts Notice
Powertrain Control Module Connector End Views
Engine Control Module Connector End Views Alternative Fuels
Figure 10:

Engine Data Sensors, EVAP and IAC


Object Number: 696141  Size: FS
Engine Data Sensors, HO2S B2S2 and B1S2
Engine Data Sensors, Park/Neutral Position Switch
OBD II Symbol Description Notice
Handling ESD Sensitive Parts Notice
Handling ESD Sensitive Parts Notice
Powertrain Control Module Connector End Views
Engine Control Module Connector End Views Alternative Fuels
Figure 11:

Engine Data Sensors, HO2S B2S2 and B1S2


Object Number: 696143  Size: FS
Engine Data Sensors, HO2S B1S1 and B2S1
Engine Data Sensors, EVAP and IAC
OBD II Symbol Description Notice
Handling ESD Sensitive Parts Notice
Handling ESD Sensitive Parts Notice
Handling ESD Sensitive Parts Notice
Powertrain Control Module Connector End Views
Engine Control Module Connector End Views Alternative Fuels
Figure 12:

Engine Data Sensors, HO2S B1S1 and B2S1


Object Number: 696145  Size: FS
Engine Controls, PCM 1 of 3
Engine Data Sensors, HO2S B2S2 and B1S2
OBD II Symbol Description Notice
Handling ESD Sensitive Parts Notice
Handling ESD Sensitive Parts Notice
Handling ESD Sensitive Parts Notice
Handling ESD Sensitive Parts Notice
Powertrain Control Module Connector End Views
Engine Control Module Connector End Views Alternative Fuels
Figure 13:

Engine Controls, PCM 1 of 3


Object Number: 696149  Size: FS
Engine Controls, PCM 2 of 3
Engine Data Sensors, HO2S B1S1 and B2S1
OBD II Symbol Description Notice
Handling ESD Sensitive Parts Notice
Powertrain Control Module Connector End Views
Figure 14:

Engine Controls, PCM 2 of 3


Object Number: 696153  Size: FS
Engine Controls, PCM 3 of 3
Engine Controls, PCM 1 of 3
OBD II Symbol Description Notice
Handling ESD Sensitive Parts Notice
Powertrain Control Module Connector End Views
Figure 15:

Engine Controls, PCM 3 of 3


Object Number: 696157  Size: FS
Engine Controls, Power and Ground
Engine Controls, PCM 2 of 3
OBD II Symbol Description Notice
Handling ESD Sensitive Parts Notice
Powertrain Control Module Connector End Views