GM Service Manual Online
For 1990-2009 cars only

SMU - SECTION 8A - ELECTRICAL DIAGNOSIS - REVISED

SUBJECT: SERVICE MANUAL UPDATE - SECTION 8A - ELECTRICAL DIAGNOSIS - REVISED FUSE SIZES

MODELS: 1997 CHEVROLET AND GMC T-SERIES MEDIUM DUTY TRUCK

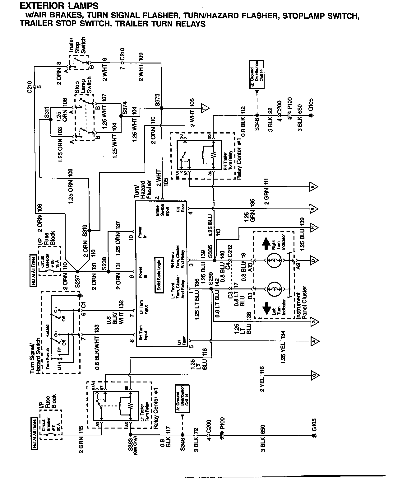
THIS BULLETIN REVISES THE RATING OF I/P FUSE #25 ON PAGES 8A-10-3, 8A-11-0, 8A-11-1, 8A-49-3 AND 8A-110-0 OF THE 1997 T-SERIES MEDIUM DUTY TRUCK SERVICE MANUAL.

FIGURES: 0 ATTACHMENTS: 5


Object Number: 80881  Size: FS


Object Number: 80882  Size: FS


Object Number: 80883  Size: FS


Object Number: 80884  Size: FS


Object Number: 80885  Size: FS

GENERAL MOTORS BULLETINS ARE INTENDED FOR USE BY PROFESSIONAL TECHNICIANS, NOT A "DO-IT-YOURSELFER". THEY ARE WRITTEN TO INFORM THOSE TECHNICIANS OF CONDITIONS THAT MAY OCCUR ON SOME VEHICLES, OR TO PROVIDE INFORMATION THAT COULD ASSIST IN THE PROPER SERVICE OF A VEHICLE. PROPERLY TRAINED TECHNICIANS HAVE THE EQUIPMENT, TOOLS, SAFETY INSTRUCTIONS AND KNOW-HOW TO DO A JOB PROPERLY AND SAFELY. IF A CONDITION IS DESCRIBED, DO NOT ASSUME THAT THE BULLETIN APPLIES TO YOUR VEHICLE, OR THAT YOUR VEHICLE WILL HAVE THAT CONDITION. SEE A GENERAL MOTORS DEALER SERVICING YOUR BRAND OF GENERAL MOTORS VEHICLE FOR INFORMATION ON WHETHER YOUR VEHICLE MAY BENEFIT FROM THE INFORMATION.

COPYRIGHT 1996 GENERAL MOTORS CORPORATION. ALL RIGHTS RESERVED.