GM Service Manual Online
For 1990-2009 cars only

High Shift Effort, Hard Shifting (Install Revised Shift Cables/New Bias Spring)

Subject:High Shift Effort or Hard Shifting (Install Revised Shift Cables and New Bias Spring)

Models:1997-99 Chevrolet and GMC F6-7 T-Series Models
with Eaton® Manual Transmissions



This bulletin is being revised to change parts description information and to correct the artwork legend. Please discard Corporate Bulletin Number 99-07-29-004 (Section 07 -- Transmission/Transaxle).


Condition

Some drivers may comment about the following conditions:

    • High shift effort on first to second gear and second to third gear upshifts
    • Downshifts that require high effort
    • Hard first to reverse or neutral to reverse shifts

Cause

This condition may be caused from the current shift cable system not developing sufficient leverage to overcome the bias springs in the transmission. This may result in the hard shifting condition.

Correction

Revised shift cables have been developed to correct this condition. Also, a new shift rail bias spring has been developed for 6-speed transmissions. Install the revised shift cables and a new bias spring on the affected vehicles. Refer to the figure below for 6 speed transmission components.

During this repair, dealers are also being advised to examine the following shift system components for the correct build.

Shift Lever

Examine the shift lever for correct length. This shift lever should measure 330 mm (13 in) from the lower pivot axis to the shift handle centerline at the top. Some units were reported to have been built with short 254 mm (10 in) levers. If the shift lever appears to be incorrect, replace the shift lever with P/N 97500222.

Rubber Mounts

Inspect for the presence of rubber cushions between the shift lever mounts and the cab floor. Remove and discard any rubber mounts. Verify that all of the shift lever assemblies are bolted solidly to the cab floor.

Stub Shaft

Remove the controller from the top of the transmission. Examine the stub shaft that engages into the transmission shift blocks. This stub shaft should be chamfered in order to allow the stub shaft to move easily between the blocks. If the required chamfer is not evident, replace the stub shaft.

Transmission Shift Cables

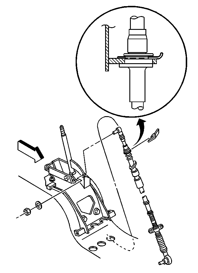
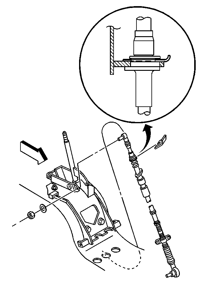
Current Shift Cable Routing and Brackets


Object Number: 590922  Size: LH
    • Install new transmission shift cables (2,3) and brackets (1). The new cables are much shorter, stiffer, and larger in diameter that the previous cables. The cables do not wrap around the front frame support as with the previous design.

Former Cable Routing


Object Number: 590955  Size: SF
    • The new cables come down from the cab to the rear of the torsion bars and in front of the hydraulic brake lines. From that point, the cables follow down the top side of the left frame rail. This is a completely different routing from the previous cables shown (1). Avoid excess bends.

Shifter Attachment-Select Cable Through Center Hole


Object Number: 590942  Size: MH

Shifter Attachment-Shift Cable through Left Hole


Object Number: 590947  Size: MH

Transmission Cable Attachment


Object Number: 590952  Size: LH

The longer cable is the select cable (1). This cable has yellow and blue tape. The shorter cable is the shift cable (2). This cable has yellow tape only.

The position of the yellow tape on both of the cables indicates the cab/shifter end of each cable. No adjustment is required on these cables. The cables have been pre-adjusted by the vendor. Re-use the existing clip, P/N 94051576, in order to secure the cables in the cab. Install the new floor pan rubber grommets, P/N 15034309.

Shift Cable Positioning

On hydraulic brake models, position the transmission shift cables away from the master cylinder bellcrank. When the cab is lowered, an interference condition may result if the cables are not properly positioned.

After the cab is lowered, look through the grille in order to verify the proper cable clearance at the bellcrank. With the aid of an assistant, depress the brake pedal in order to verify that there is no cable contact. Reposition the cables as needed.

Support Brackets

Important: Because of changes to the cable, new support brackets are required on the frame rail and at the transmission.

New support brackets are required on the frame rail (5 and 6 speed models) and at the transmission end. The frame rail brackets mount in a slightly different position than the former brackets. These brackets will accommodate the larger diameter shift cables.


Object Number: 590934  Size: SH

Vehicles equipped with RT6609, RT7608LL, RT8709, and RT8908LL transmissions do not require frame rail support brackets and clips. Tie strap (3) the cables (1,2) to the transmission high range air lines (5) along the left frame rail (4).

Install the transmission mounted shift cable bracket in place of the current bracket.

Bias Springs

For all 6-speed transmissions, replace the small, inner bias spring (Refer to figure below, #8) on the 1-2 rail (6-speed). Use P/N 15617310.

Typical 6 Speed Transmission Components


Object Number: 590927  Size: LF
(1)Capscrew
(2)Bracket
(3)Capscrew
(4)Shift Bar Housing
(5)Gasket
(6)Snap Ring
(7)Washer
(8)Spring Comp, Bias
(9)Spring Comp
(10)Washer
(11)Plunger
(12)Shift Block Rev
(13)Pin
(14)Pin
(15)Yoke Assembly Rev
(16)Pin
(17)Pin
(18)Yoke Bar Rev
(19)Steel Ball
(20)Pin
(21)Pin
(22)Pin
(23)Pin
(24)Shift Bar Retainer
(25)Capscrew
(26)Yoke Asm 1st/2nd
(27)Capscrew
(28)Shift Bar Retainer
(29)Bushing
(30)Shift Block 1st/2nd
(31)Yoke Bar 1st/2nd
(32)Steel Ball
(33)Pin
(34)Pin
(35)Yoke Asm 3rd/4th
(36)Bushing
(37)Yoke Bar 3rd/4th
(38)Steel Ball
(39)Pin
(40)Capscrew
(41)Shift Bar Retainer
(42)Bushing
(43)Yoke Bar 5th/6th
(44)Yoke Asm 5th/6th
(45)Pin
(46)Pin
(47)Pin
(48)Spring
(49)Steel Ball
(50)Steel Ball
(51)Plug
(52)Gasket
(53)Capscrew
(54)Bracket

Parts Information

Each repair will require the following components:

    • A cable set
    • A transmission mounted shift cable bracket
    • Floor pan grommets
    • Nylon tie straps or brackets and clips

Six-speed transmissions will require a transmission bias spring. The hardware required will change based on application. Refer to the illustrations provided and the parts listed below.

P/N

Description

Qty

11514766

Bolt, Shift Cable Clip (To frame rail bracket)

2

15043151

Brace, Transmission Shift Cable Bracket (Use with P/N 15037646 Only - RT6609 and RT8609)

1

15013168

Bracket, Frame Rail, Cable Support (5- and 6-Speed Models)

2

15015446

Bracket, Transmission Shift Cable, Diesel (FS4205B - 13" Clutch)

1

15039043

Bracket, Transmission Shift Cable, Diesel (FS4205B - 14" Clutch)

1

15015444

Bracket, Transmission Shift Cable, Diesel (FS5205A, FS5205B - 13" Clutch)

1

15039042

Bracket, Transmission Shift Cable, Diesel (FS5205A, FS5205B - 14" Clutch)

1

15013165

Bracket, Transmission Shift Cable, Diesel (FS5306 - 13" Clutch)

1

15039041

Bracket, Transmission Shift Cable, Diesel (FS6305A, FS6305B, FS5306A, FS6306A, FS8306A - 14" Clutch)

1

15037646

Bracket, Transmission Shift Cable, Diesel (RT6609 and RT8609)

1

15037645

Bracket, Transmission Shift Cable, Diesel (RT8709, RT8908LL)

1

15015449

Bracket, Transmission Shift Cable, Gas (FS4205B - 13" Clutch)

1

15015448

Bracket, Transmission Shift Cable, Gas (FS5306A - 13" Clutch)

1

15039891

Cable, Transmission Select

1

15039890

Cable, Transmission Shift

1

00723251

Clip, Cushioned (Cable to frame rail bracket

2

94051576

Clip, Manual Transmission Shift Cable Anchor (At cab shifter)

2

15034309

Grommet, Rubber, Floor Pan

2

97500222

Lever, Shift

1

15617310

Spring, Transmission Bias - Shift Rail (6-Speed Transmissions)

1

11509087

Strap, Nylon Tie (Shift cables to high range air lines at frame rail - RT6609, RT8609, RT8709, RT8908LL)

2

11516149

U-nut, Shift Cable Clip (To frame rail bracket)

2

15650962

Washer, Shift Cable Clip (To frame rail bracket)

2

Parts are currently available from GMSPO.

Warranty Information

For vehicles repaired under warranty, use the following information:

Labor Operation

Description

Labor Time

K1200

Cable, Shift - Replace

Use published labor operation time

K2240

Cover and/or Gasket, Transmission Shift - R&R or Replace (Six-speed transmissions only)

Use published labor operation time

K1060

Lever, Gearshift Control - Replace

Use published Labor Operation Time