Intake Manifold Replacement Upper
Removal Procedure
Caution: Unless directed otherwise, the ignition and start switch must be in the OFF or LOCK position, and all electrical loads must be OFF before servicing
any electrical component. Disconnect the negative battery cable to prevent an electrical spark should a tool or equipment come in contact with an exposed electrical terminal. Failure to follow these precautions may result in personal injury and/or damage to
the vehicle or its components.
- Disconnect
the negative battery cable.
- Remove the air intake
duct from the throttle body. Refer to
Air Cleaner Outlet Front Duct Replacement
.
- Remove the crankcase vent
tube from the throttle body.
- Remove the electrical harness bracket retaining bolts and reposition
brackets and harness to provide clearance.
- Disconnect the EGR valve
electrical connector.
Remove the EGR pipe from the upper intake manifold. Refer to
Exhaust Gas Recirculation Pipe Replacement
.
- Remove the EVAP canister solenoid valve. Refer to
Evaporative Emission Canister Purge Solenoid Valve Replacement
.
- Disconnect the vacuum modulator hose.
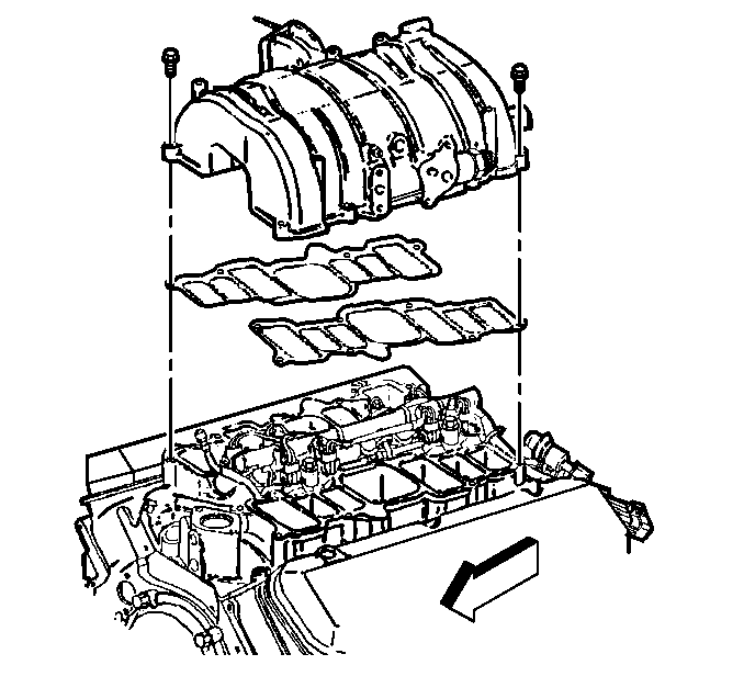
- Remove the upper intake
manifold retaining bolts.
- Remove the upper intake manifold and gaskets.
- Clean the excessive carbon deposit from the exhaust and the EGR
valve passages. Refer to
Intake Manifold Cleaning and Inspection
.
Installation Procedure
- Install the upper intake
manifold gaskets.
- Install the upper intake manifold into position.
Important: Failure to follow the procedure listed could cause a driveability problem.
- Coat a minimum of eight threads of the bolts with thread locking
sealant GM P/N 12345493.
Notice: Use the correct fastener in the correct location. Replacement fasteners
must be the correct part number for that application. Fasteners requiring
replacement or fasteners requiring the use of thread locking compound or sealant
are identified in the service procedure. Do not use paints, lubricants, or
corrosion inhibitors on fasteners or fastener joint surfaces unless specified.
These coatings affect fastener torque and joint clamping force and may damage
the fastener. Use the correct tightening sequence and specifications when
installing fasteners in order to avoid damage to parts and systems.
- Install the upper
intake manifold bolts.
Tighten
- Tighten the bolts in the sequence shown to 8 N·m
(71 lb in).
- Tighten the bolts in the sequence shown to 18 N·m
(13 lb ft).
- Install the EGR pipe to
the upper intake manifold.
Tighten
Tighten the EGR valve pipe fitting to 60 N·m
(44 lb ft).
- Install the EVAP canister solenoid valve to the intake manifold.
Refer to
Evaporative Emission Canister Purge Solenoid Valve Replacement
in Engine Controls.
- Connect the EGR valve electrical connector.
- Install the crankcase
vent tube to the valve rocker arm cover.
- Install the electrical harness and retaining brackets.
- Install the air cleaner
intake duct to the throttle body. Refer to
Air Cleaner Outlet Front Duct Replacement
in Engine Controls.
Caution: Unless directed otherwise, the ignition and start switch must be in the OFF or LOCK position, and all electrical loads must be OFF before servicing
any electrical component. Disconnect the negative battery cable to prevent an electrical spark should a tool or equipment come in contact with an exposed electrical terminal. Failure to follow these precautions may result in personal injury and/or damage to
the vehicle or its components.
- Connect the
negative battery cable.
Intake Manifold Replacement Lower
Removal Procedure
- Drain the cooling system. Refer to
Cooling System Draining and Filling
in Engine Cooling.
Caution: Unless directed otherwise, the ignition and start switch must be in the OFF or LOCK position, and all electrical loads must be OFF before servicing
any electrical component. Disconnect the negative battery cable to prevent an electrical spark should a tool or equipment come in contact with an exposed electrical terminal. Failure to follow these precautions may result in personal injury and/or damage to
the vehicle or its components.
- Disconnect
the negative battery cable.
- Remove the upper intake
manifold from the lower intake manifold. Refer to
Intake Manifold Replacement
.
- Remove the camshaft position sensor from the lower intake manifold.
Refer to
Camshaft Position Sensor Replacement
in Engine Controls.
- Remove the MAP sensor from the lower intake manifold. Refer to
Manifold Absolute Pressure Sensor Replacement
in Engine
Controls.
- Remove the upper radiator hose from the thermostat housing. Refer
to
Radiator Hose Replacement
in
Engine Cooling.
- Remove the thermostat. Refer to
Engine Coolant Thermostat Replacement
in Engine Cooling.
- Remove the coolant bypass hose and clamps from the lower intake
manifold.
- Relieve fuel system pressure. Refer to
Fuel Pressure Relief
in Engine Controls.
- Remove the retaining bolts
securing the fuel rail. Refer to
Fuel Injection Fuel Rail Assembly Replacement
in Engine Controls.
- Disconnect the fuel pressure
and return pipes. Refer to
Fuel Hose/Pipes Replacement - Chassis
in Engine Controls.
- Remove the fuel rail from the lower intake manifold. Refer to
Fuel Injection Fuel Rail Assembly Replacement
in
Engine Controls.
- Disconnect the oil fill tube connector hose. Refer to
Oil Level Indicator and Tube Replacement
.
- Remove the lower radiator coolant bypass hose and clamp from the
intake manifold.
- Remove the lower intake
manifold retaining bolts.
- Remove the lower intake manifold from the cylinder heads.
Important: The lower intake manifold gaskets and seals are reusable. Replace only
the gaskets and seals if they are damaged.
- Remove the lower intake manifold gaskets and seals.
- Clean all sealing surfaces of oil and grease from the cylinder
heads. Refer to
Intake Manifold Cleaning and Inspection
.
Installation Procedure
- Install the lower intake
manifold gaskets to the cylinder head with THIS SIDE UP stamped facing up.
- Install the lower intake manifold to the cylinder heads.
- Apply the Locttite® 242 GM P/N 12345382 to the lower intake
manifold bolts. Coat a minimum of 8 threads.
Notice: Use the correct fastener in the correct location. Replacement fasteners
must be the correct part number for that application. Fasteners requiring
replacement or fasteners requiring the use of thread locking compound or sealant
are identified in the service procedure. Do not use paints, lubricants, or
corrosion inhibitors on fasteners or fastener joint surfaces unless specified.
These coatings affect fastener torque and joint clamping force and may damage
the fastener. Use the correct tightening sequence and specifications when
installing fasteners in order to avoid damage to parts and systems.
- Install the lower
intake manifold bolts to the cylinder heads.
Tighten
Tighten the bolts in the sequence shown to 40 N·m (30 lb ft).
- Install the MAP sensor to the lower intake manifold. Refer to
Manifold Absolute Pressure Sensor Replacement
in Engine
Controls.
- Connect the oil fill tube connector hose. Refer to
Oil Level Indicator and Tube Replacement
.
- Install the fuel rail
to the lower intake manifold. Refer to
Fuel Injection Fuel Rail Assembly Replacement
in Engine Controls.
- Install the fuel rail
retaining bolts. Refer to
Fuel Injection Fuel Rail Assembly Replacement
in Engine Controls .
- Connect the fuel pressure and return pipes. Refer to
Fuel Hose/Pipes Replacement - Chassis
in Engine
Controls.
- Install the thermostat to the lower intake manifold. Refer to
Engine Coolant Thermostat Replacement
in Engine
Cooling.
- Install the coolant bypass hose and clamp.
- Install the lower radiator coolant bypass hose and clamp to the
lower intake manifold.
- Install the radiator hose to the lower intake manifold. Refer
to
Radiator Hose Replacement
in
Engine Cooling.
- Install the camshaft position
sensor. Refer to
Camshaft Position Sensor Replacement
in Engine Controls.
- Install the upper intake manifold to the lower intake manifold.
Refer to
Intake Manifold Replacement
.
- Fill the cooling system. Refer to
Cooling System Draining and Filling
in Engine Cooling.
Caution: Unless directed otherwise, the ignition and start switch must be in the OFF or LOCK position, and all electrical loads must be OFF before servicing
any electrical component. Disconnect the negative battery cable to prevent an electrical spark should a tool or equipment come in contact with an exposed electrical terminal. Failure to follow these precautions may result in personal injury and/or damage to
the vehicle or its components.
- Connect
the battery negative cable.