GM Service Manual Online
For 1990-2009 cars only

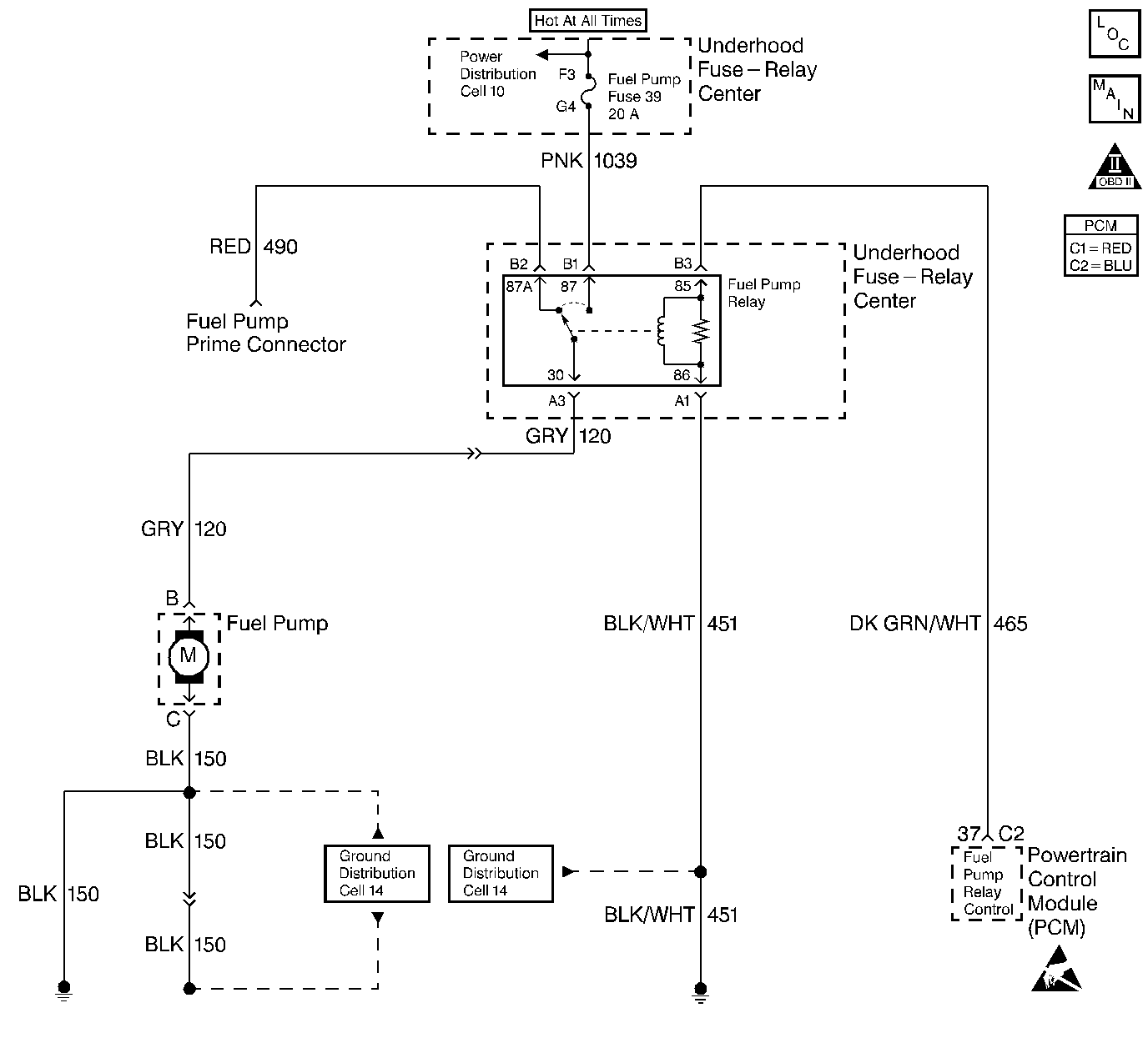
Object Number: 214737  Size: LF
Engine Controls Components
Cell 20: Fuel Controls 1 - Fuel Pump, Sender, Gauge
OBD II Symbol Description Notice
Handling ESD Sensitive Parts Notice

Circuit Description

When the ignition is turned ON, the powertrain control module (PCM) turns the in-tank fuel pump ON. The in-tank fuel pump remains ON as long as the engine is cranking or running and the PCM is receiving is reference pulses from the ignition system. If there are no reference pulses, the PCM will turn the fuel pump OFF within 2-3  seconds after the ignition is ON or the engine stops. The PCM will also turn ON the fuel pump for 2 seconds when the ignition is turned to the OFF position.

The pump will deliver fuel to the fuel rail and injectors, then to the pressure regulator, where the system pressure is controlled at 379-427 kPa (55-62 psi). Excess fuel is returned to the fuel tank. When the engine is stopped, the fuel pump can be turned ON with a scan tool.

Improper fuel system pressure will result in one or more of the following symptoms:

    • Crank but will not run
    • Cuts out, may feel like an ignition problem
    • Poor fuel economy
    • Loss of power
    • Hesitation
    • DTCS

Diagnostic Aids

An inoperative fuel pump relay can result in long cranking times. If the fuel pump relay circuit checks out OK, refer to Fuel System Diagnosis .

Excessive fuel may also cause long cranking times which is accompanied by the following conditions:

  1. A start that is not as fast as normal
  2. A puff of black smoke at the tailpipe

An improperly connected or faulty EVAP canister control valve can cause this problem. Disconnect the EVAP purge hose from the EVAP canister control valve in order to diagnose. Refer to Evaporative Emission Control System Diagnosis .

One or more leaking fuel injectors may also extend the cranking time. Perform the fuel injector balance Test, in the Injector Balance Test Table. Refer to Sequential Multiport Fuel Injector Balance Test .

Test Description

Number(s) below refer to step number(s) on the Diagnostic Table.

  1. The Powertrain OBD System Check prompts the technician to complete some basic checks and stores the freeze frame and failure records data on the scan tool, if applicable. This creates an electronic copy of the data taken when the malfunction occurred. The information is then stored in the scan tool for later reference.

  2. If the no start condition was due to a open fuse, locate and repair any shorts that may have caused the fuse to open before replacement.

  3. This step determines if the fuel pump circuit can be controlled by the PCM. The PCM should energize the fuel pump relay and turn the fuel pump ON when commanded by the scan tool. If the engine is not cranking or running, the PCM should de-energize the relay and turn OFF the fuel pump after 2 seconds.

  4. Jumping the fuel pump feed terminal to the fuel pump relay ignition feed terminal verifies that the fuel pump relay ignition feed circuit, the fuel pump feed circuit, the fuel pump and fuel ground are all OK.

  5. Check for an open ground circuit.

  6. Replacement PCMs must be reprogrammed. Refer to the latest Techline information for programming procedures.

  7. This step checks the fuel pump ground circuit on the body side of the body harness only. If the fuel pump ground circuit is OK, then the fuel pump feed circuit or the fuel pump ground circuit in the fuel tank harness or the fuel pump itself is malfunctioning.

  8. This test will determine if a short to ground on the fuel pump feed circuit caused the fuse to open. To prevent mis-diagnosis, be sure the fuel pump harness is disconnected before the test.

Fuel Pump Circuit Diagnosis

Step

Action

Value(s)

Yes

No

1

Was the Powertrain On-Board Diagnostic (OBD) System Check performed?

--

Go to Step 2

Go to Powertrain On Board Diagnostic (OBD) System Check

2

Does the fuel pump run continuously with the ignition key OFF?

--

Go to Step 26

Go to Step 3

3

Inspect the fuel pump relay fuse.

Is the fuse OK?

--

Go to Step 4

Go to Step 21

4

  1. Turn the ignition switch ON.
  2. Install a scan tool.
  3. Command the fuel pump relay ON.

Does the in-tank fuel pump run when commanded ON?

--

Go to Engine Cranks but Does Not Run

Go to Step 5

5

  1. Disconnect the fuel pump relay.
  2. Using a fused jumper wire, connect the fuel pump feed terminal to the fuel pump relay ignition feed terminal.

Does the fuel pump run?

--

Go to Step 6

Go to Step 7

6

  1. With a test light connected to ground, probe the fuel pump relay control terminal.
  2. Command the fuel pump ON with the scan tool.

Is the test light ON?

--

Go to Step 8

Go to Step 9

7

With a test light connected to ground, probe the ignition feed terminal to the fuel pump relay.

Is the test light ON?

--

Go to Step 10

Go to Step 11

8

With a test light connected to B+, probe the ground terminal to the fuel pump relay.

Is the test light ON?

--

Go to Step 12

Go to Step 13

9

Check for an open or short to ground in the fuel pump control circuit and repair as necessary.

Was a repair necessary?

--

Go to Step 33

Go to Step 14

10

  1. Reinstall the fuel pump relay.
  2. Disconnected the fuel pump electrical harness at the rear body connector.
  3. Probe the fuel pump feed terminal (body side) with a test light connected to ground.
  4. Command the fuel pump ON with the scan tool.

Is the test light ON?

--

Go to Step 15

Go to Step 16

11

Repair the open in the ignition feed circuit for the fuel pump relay.

Is the action complete?

--

Go to Step 33

--

12

Replace the fuel pump relay. Refer to Fuel Pump Relay Replacement .

Is the action complete?

--

Go to Step 33

--

13

Repair the open ground circuit to the fuel pump relay.

Is the action complete?

--

Go to Step 33

--

14

Inspect connections and terminals at the PCM and repair as necessary.

Was a repair necessary?

--

Go to Step 33

Go to Step 17

15

With a test light connected to B+, probe the fuel pump ground circuit (body side).

Is the test light ON?

--

Go to Step 18

Go to Step 19

16

Repair the open or short to ground in the fuel pump feed circuit.

Is the action complete?

--

Go to Step 33

--

17

  1. Replace the PCM.
  2. Refer to Powertrain Control Module Replacement .

Is the action complete?

--

Go to Step 33

--

18

Check the fuel pump feed and ground circuits in the fuel pump harness for an open and repair as necessary.

Was a repair necessary?

--

Go to Step 33

Go to Step 20

19

Repair the open fuel pump ground circuit.

Is the action complete?

--

Go to Step 33

--

20

Replace the fuel pump. Refer to Fuel Pump Replacement .

Is the action complete?

--

Go to Step 33

--

21

  1. Turn the ignition switch OFF.
  2. Disconnect the fuel pump electrical harness at the rear body harness connector.
  3. Disconnect the fuel pump relay.
  4. Probe the fuel pump feed terminal with a test light connected to B+.

Is the test light ON?

--

Go to Step 22

Go to Step 23

22

Repair the short to ground in the fuel pump feed circuit.

Is the action complete?

--

Go to Step 33

--

23

With the test light still connected to B+, probe the fuel pump relay ignition feed circuit terminal.

Is the test light ON?

--

Go to Step 24

Go to Step 25

24

Repair the short to ground in the fuel pump relay ignition feed circuit.

Is the action complete?

--

Go to Step 33

--

25

Check the fuel pump feed circuit in the fuel pump harness for a short to ground and repair as necessary.

Was a repair necessary?

--

Go to Step 33

Go to Step 20

26

Disconnect the fuel pump relay.

Does the fuel pump continue to run?

--

Go to Step 27

Go to Step 28

27

Disconnect the fuel pump.

Does the pump continue to run?

--

Go to Step 31

Go to Step 32

28

With a test light connected to ground, probe the fuel pump relay control cavity with the ignition key in the OFF position.

Is the test light ON?

--

Go to Step 30

Go to Step 29

29

Replace the fuel pump relay. Refer to Fuel Pump Relay Replacement .

Is the action complete?

--

Go to Step 32

--

30

Check for a short to voltage on the fuel pump relay control line.

Was a repair necessary?

--

Go to Step 32

--

31

Check for a short to voltage on the fuel pump feed line from the fuel pump relay to the fuel pump.

Was a repair necessary?

--

Go to Step 32

--

32

  1. Using the scan tool, clear the DTCs.
  2. Attempt to start the engine.

Does the engine start and continue to run?

--

Go to Step 33

Go to Step 4

33

  1. Allow the engine to idle until normal operation temperature is reached.
  2. Check if any DTCs are set.

Are any DTCs displayed that have not been diagnosed?

--

Go to applicable DTC table

System OK