GM Service Manual Online
For 1990-2009 cars only
Makes
🢒
Chevrolet
🢒
1999
🢒
Chevy P12 Chassis
🢒
Body and Accessories
🢒
Horns
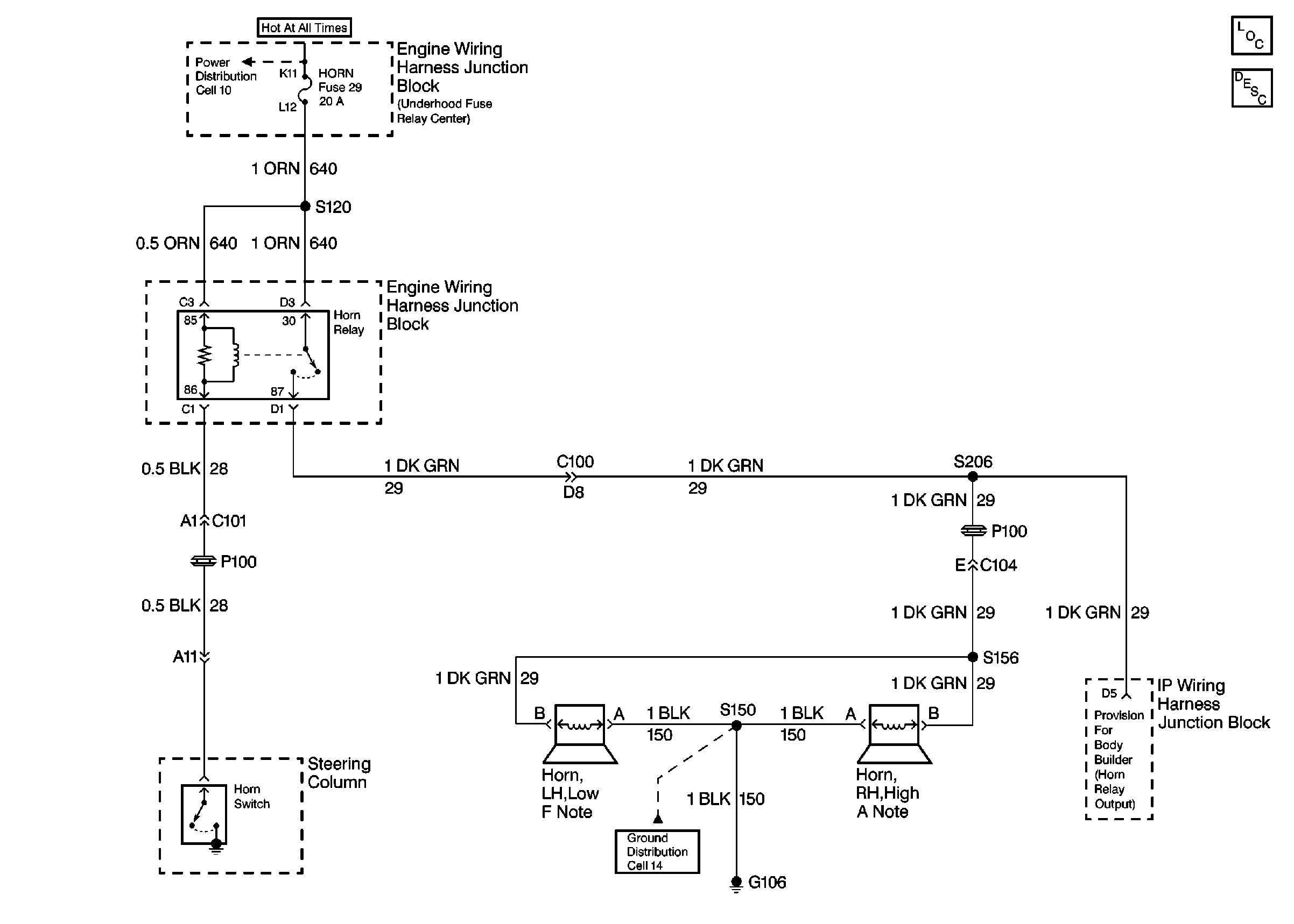
🢒 Horn Schematics
Cell 40
Horns Components
Horns Description
Cell 10: Battery, Starter, Junction Block
Cell 14: G105, G106, and G107 [Single Headlamps]
Cell 14: G105, G106, and G107 [Dual Headlamps]