GM Service Manual Online
For 1990-2009 cars only
Makes
🢒
Chevrolet
🢒
1999
🢒
Chevy P12 Chassis
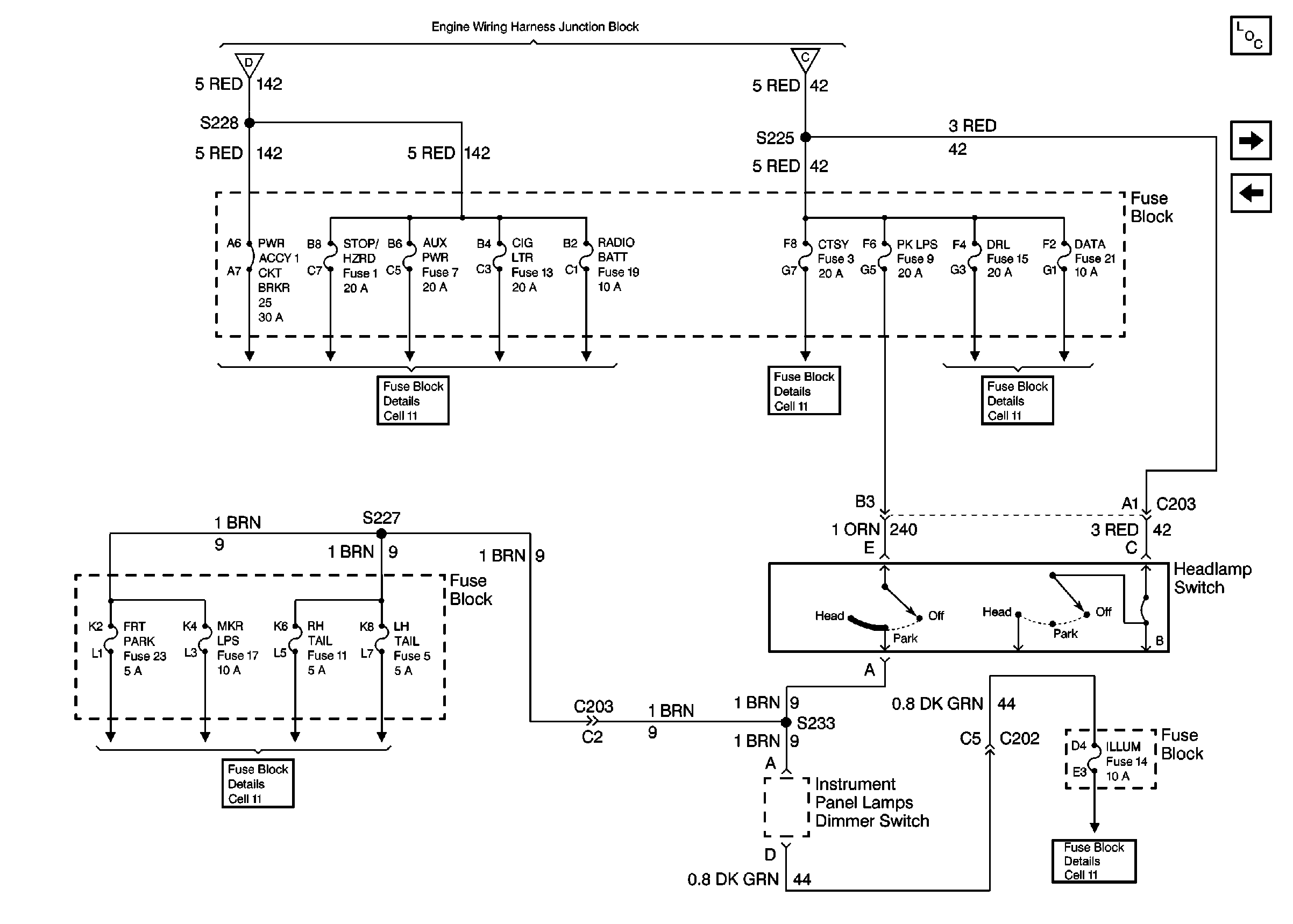
🢒 Cell 10: Fuse Block, Headlamp Switch
Cell 10: Fuse Block, Headlamp Switch
Cell 10: Fuse Block, Headlamp Switch
Power and Grounding Components
Cell 10: Ignition Switch, Fuse Block
Cell 10: Battery, Starter, Junction Block
Cell 10: Battery, Starter, Junction Block
Cell 10: Battery, Starter, Junction Block
Cell 11: ILLUM, RADIO BATT, CIG LTR, AUX PWR, and STOP HZRD fuses, PWR ACCY 1 CKT BRKR
Cell 11: CTSY, PK LPS, DRL, DATA, LH TAIL, RH TAIL, MKR LPS, and FRT PARK fuses
Cell 11: CTSY, PK LPS, DRL, DATA, LH TAIL, RH TAIL, MKR LPS, and FRT PARK fuses
Cell 11: CTSY, PK LPS, DRL, DATA, LH TAIL, RH TAIL, MKR LPS, and FRT PARK fuses
Cell 11: ILLUM, RADIO BATT, CIG LTR, AUX PWR, and STOP HZRD fuses, PWR ACCY 1 CKT BRKR