GM Service Manual Online
For 1990-2009 cars only
Makes
🢒
Chevrolet
🢒
1999
🢒
Chevy P12 Chassis
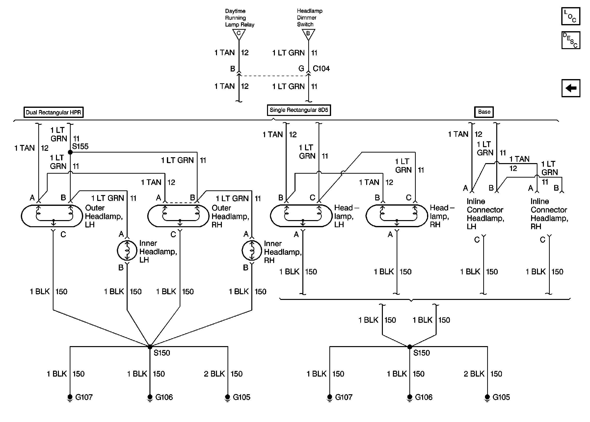
🢒 Cell 102: Headlamps
Cell 102: Headlamps
Cell 102: Headlamps
Lighting Systems Components
Exterior Lights Circuit Description
Cell 102: DRL Control Module
Cell 102: Headlamps and Headlamps Dimmer Switch
Cell 102: Headlamps and Headlamps Dimmer Switch