GM Service Manual Online
For 1990-2009 cars only
Makes
🢒
Chevrolet
🢒
1997
🢒
Chevy P32 RV/Van Chassis
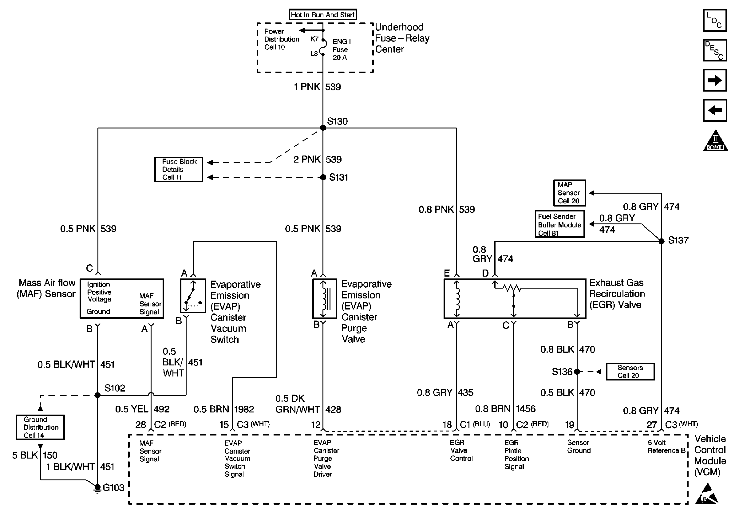
🢒 EGR and EVAP Controls 7.4L
EGR and EVAP Controls 7.4L
EGR and EVAP Controls 7.4L
Engine Controls Components
Information Sensors 5.7L, 7.4L
Oxygen Sensor Controls 7.4L
Sensor Controls 7.4L
OBD II Symbol Description Notice
Sensor Controls 7.4L
Sensor Controls 7.4L