GM Service Manual Online
For 1990-2009 cars only
Makes
🢒
Chevrolet
🢒
1997
🢒
Chevy P32 RV/Van Chassis
🢒 Fuel Controls
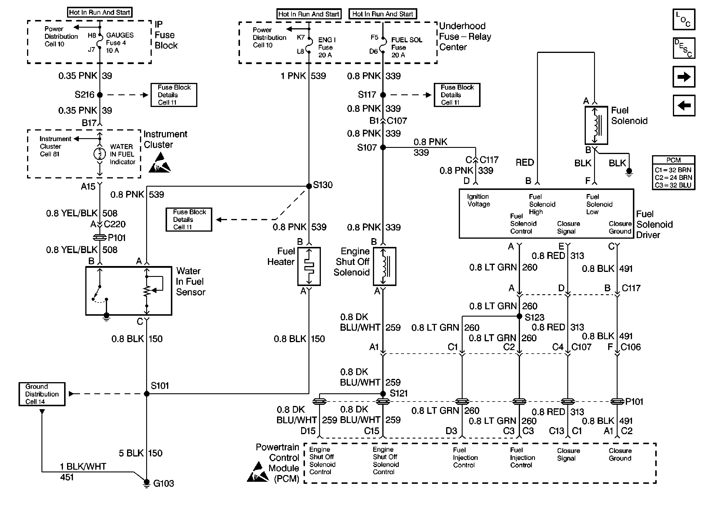
Fuel Controls
Fuel Controls
Engine Controls Components
Information Sensors
Fuel Temperature Controls
Fuel Pump Controls