GM Service Manual Online
For 1990-2009 cars only

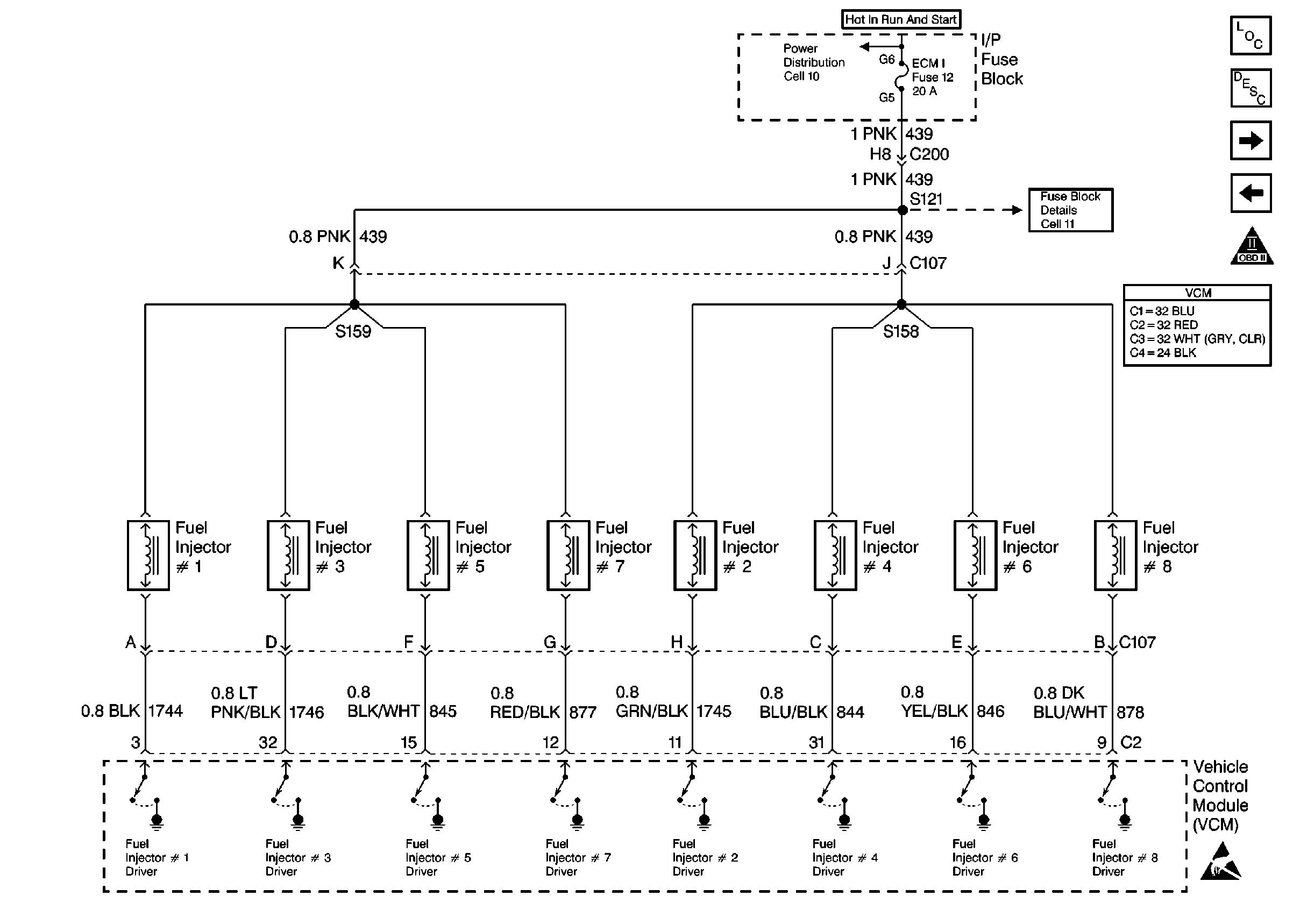
Refer to

Engine Controls (Cell 21: Fuel Controls 2)


Object Number: 179462  Size: FS
Engine Controls Components
Engine Controls (Cell 21: Engine Data Sensors 1)
Engine Controls (Cell 21: Fuel Controls 1)
OBD II Symbol Description Notice
ESD Notice
ESD Notice
.

Diagnostic Aids

The vehicle control module (VCM) has integrated circuits that are fault protected, therefore, if a circuit has failed, the integrated circuits may not be damaged. If this is the case, the ignition control (IC) will keep the circuit open until you have corrected the fault in the circuit. When you have corrected the fault, reinstall the VCM. Check the circuit. Replace the VCM only if the circuit is still inoperative.

Test Description

The numbers below refer to the step numbers on the diagnostic table.

  1. This step determines if the ignition feed circuit to the injectors are OK.

  2. This step determines if the injector control circuits are OK.

  3. This step determines if there is an internal VCM short to ground for an injector control circuit.

Injector Circuit Diagnosis

Step

Action

Value(s)

Yes

No

1

Was the Powertrain On-Board Diagnostic (OBD) System Check performed?

--

Go to Step 2

Go to Powertrain On Board Diagnostic (OBD) System Check

2

  1. Disconnect the injector connector at the intake manifold.
  2. Connect a test lamp to a ground.
  3. Turn ON the ignition leaving the engine OFF.
  4. Using the test lamp, probe the injector ignition feed circuits.

Is the test lamp on for both the injector feed circuits?

--

Go to Step 6

Go to Step 3

3

Is the test lamp on for only one injector feed circuit?

--

Go to Step 5

Go to Step 4

4

Check the injector fuse.

Is the fuse open?

--

Go to Step 10

Go to Step 11

5

Check for an open on the effected injector feed circuit. Was a problem found?

--

Go to Step 12

--

6

  1. Install the injector test lamp J 34730-380 on the injector harness connector (VCM side).
  2. Crank the engine.

Does the injector test lamp flash for each injector?

--

Go to Fuel Injector Solenoid Coil Test

Go to Step 7

7

Is the injector test lamp on steady for any injector circuit?

--

Go to Step 8

Go to Step 9

8

  1. Install an injector test lamp in the effected circuit.
  2. Turn OFF the ignition.
  3. Disconnect the VCM Red connector.
  4. Turn ON the ignition leaving the engine OFF.

Is the injector test lamp OFF?

--

Go to Step 16

Go to Step 13

9

Check for an open injector control circuit.

Was a problem found?

--

Go to Step 12

Go to Step 14

10

Check for a short to ground on the injector feed circuit.

Was a problem found?

--

Go to Step 12

--

11

Repair the open or short to ground on both of the injector feed circuits.

Is the action complete?

--

Go to Step 17

--

12

Repair circuit as necessary. Refer to Wiring Repairs in Wiring Systems.

Is the action complete?

--

Go to Step 17

--

13

Repair short to ground in the injector control circuit. Refer to Wiring Repairs in Wiring Systems.

Is the action complete?

--

Go to Step 17

--

14

Check the terminal contact at the VCM.

Was a problem found?

--

Go to Step 15

Go to Step 16

15

Repair terminal contact as necessary.

Is action complete?

--

Go to Step 17

--

16

  1. Replace the VCM.
  2. Refer to VCM Replacement/Programming .
  3. Perform the Crankshaft Variation Learn Procedure. Refer to Crankshaft Position System Variation Learn .

Is the action complete?

--

Go to Step 17

--

17

Important: : Before starting the engine, it may be necessary to check for fuel flooded cylinders or oil contamination (fuel).

  1. Using the scan tool, select the DTC and the Clear Info.
  2. Attempt to start the engine.

Does the engine start and continue to run?

--

Go to Step 18

Go to Step 2

18

  1. Allow the engine to idle until normal operating temperature is reached.
  2. Select the DTC and the Failed This Ign.

Are any DTCs displayed that have not been diagnosed?

--

Go to the applicable DTC table

Go to Step 19

19

Use the scan tool in order to display the Capture Info and the Review Capture Info function.

Are there any DTCs displayed that have not been diagnosed?

--

Go to the applicable DTC table

System OK