GM Service Manual Online
For 1990-2009 cars only
Makes
🢒
Chevrolet
🢒
1998
🢒
Chevy P32 RV/Van Chassis
🢒
Body and Accessories
🢒
Horns
🢒 Horn Schematics
Horn Schematics P42
Cell 40
Horn Component Views P42
Horns Circuit Description
Fuse Block Schematics P42
Ground Distribution Schematics P42
Ground Distribution Schematics P42
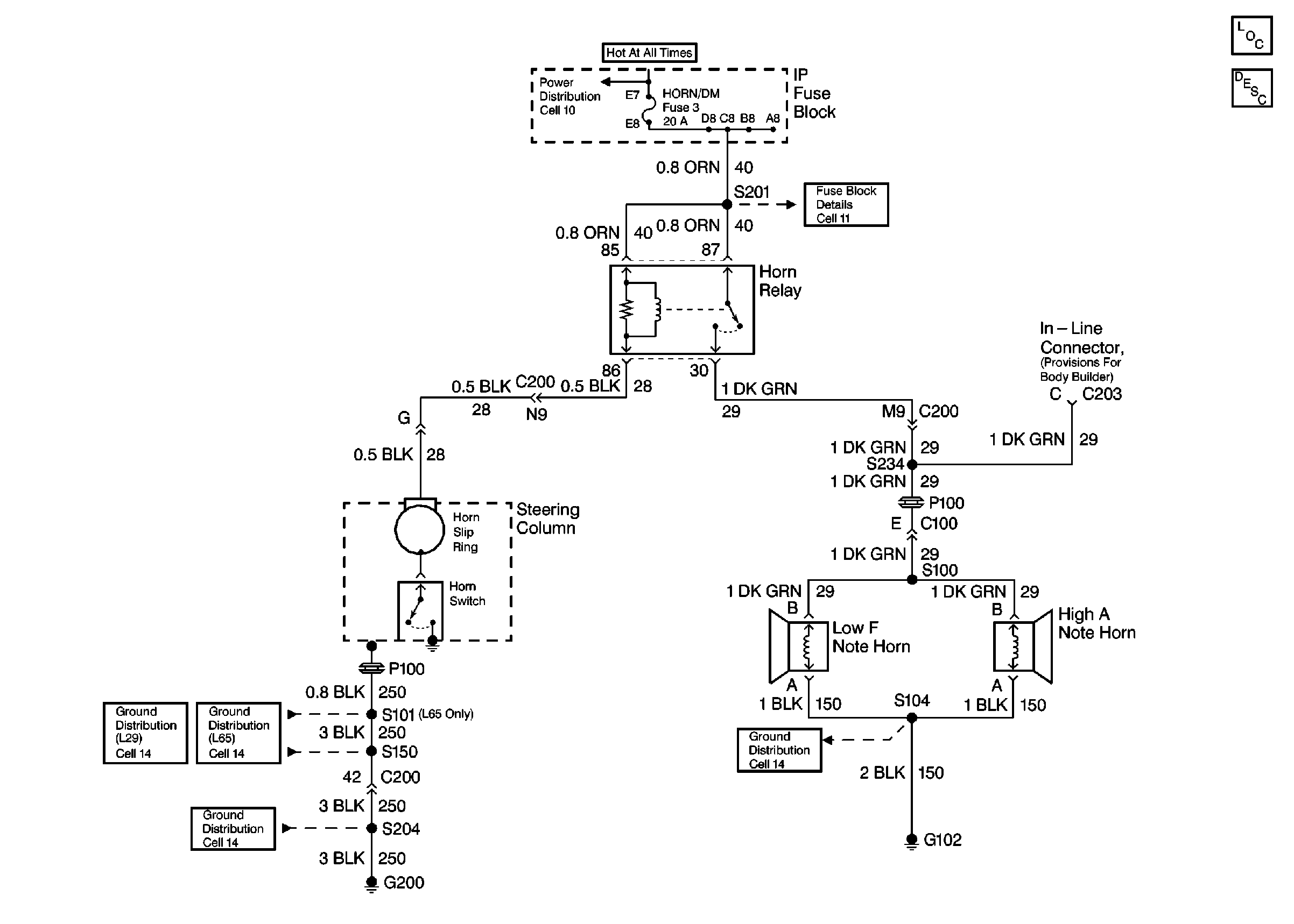
Horn Schematics P32
Cell 40
Horn Component Views P32
Horns Circuit Description
Power Distribution Schematics P32
Fuse Block Schematics P32
Ground Distribution Schematics P32
Ground Distribution Schematics P32
Ground Distribution Schematics P32
Ground Distribution Schematics P32