GM Service Manual Online
For 1990-2009 cars only
Makes
🢒
Chevrolet
🢒
1998
🢒
Chevy P32 RV/Van Chassis
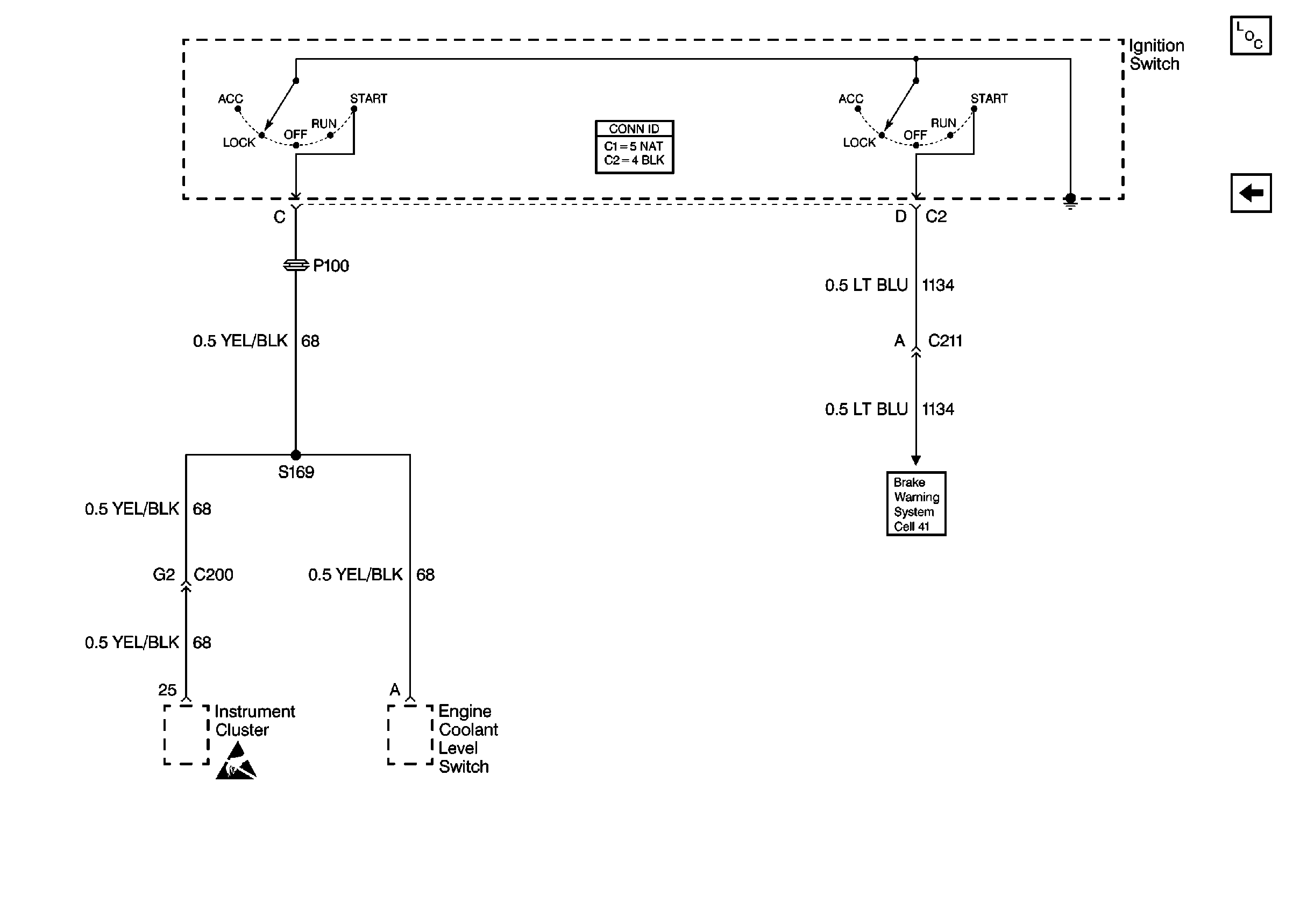
🢒 Cell 10: Ignition Switch
Cell 10: Ignition Switch
Cell 10: Ignition Switch
Power and Grounding Components P42
P42 Cell 10 (3)
Handling ESD Sensitive Parts Notice
98 P42 Brake Warning System-US