GM Service Manual Online
For 1990-2009 cars only

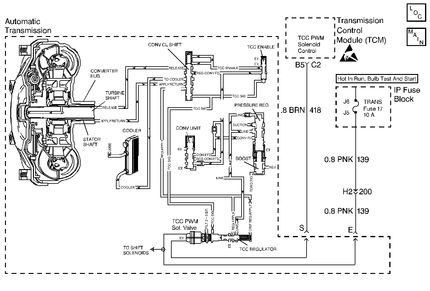
Object Number: 230212  Size: MF
Automatic Transmission Components Gasoline
Handling ESD Sensitive Parts Notice

Circuit Description

The Transmission Control Module (TCM) energizes the Torque Converter Clutch Pulse Width Modulated Solenoid Valve (TCC PWM Sol. Valve) by grounding circuit 418. This blocks the exhaust for TCC signal fluid and allows filtered 23 drive fluid to feed the TCC signal circuit. When the vehicle's operating conditions are appropriate for TCC application, the TCM begins the TCC duty cycle to approximately 30%. This allows TCC signal fluid pressure to move the converter clutch shift valve into the apply position and direct regulated apply fluid to the torque converter. The TCM then increases (ramps) the duty cycle to approximately 60%, where regulated apply fluid pressure applies the converter clutch. The vehicle application determines the TCC apply rate. Once the TCC applies, the duty cycle immediately increases to approximately 70% to achieve full apply pressure in the regulated apply fluid circuit.

The TCC PWM Sol. Valve is de-energized by the TCM opening circuit 418. This action allows the TCC signal fluid to exhaust through the solenoid and blocks filtered 23 drive fluid from entering the TCC signal circuit. The loss of fluid pressure in the TCC signal circuit releases the TCC.

If the TCM detects high TCC slip when the TCC is commanded ON, then DTC 69 sets.

Conditions for Setting the DTC

The following conditions occur once per TCC cycle two consecutive times:

    • No TP Sensor DTC 21 or DTC 22.
    • No TFP Valve Position Sw. DTC 28.
    • No A/T ISS Sensor DTC 74.
    • No Camshaft Position Sensor (CMP).
    • Transmission range is D3 or D4.
    • The commanded gear indicates 2nd or 3rd.
    • The TCC slip speed must be -5 to +10 RPM for at least 4 seconds.

Action Taken When the DTC Sets

    • The TCM does not illuminate the Malfunction Indicator Lamp (MIL).
    • DTC 69 is stored in TCM history.

Conditions for Clearing the DTC

    • The TCM clears the DTC from Current to History when the fault condition(s) no longer exist and the ignition switch is cycled OFF and then ON.
    • A scan tool can clear the DTC from Current and History status. The TCM clears the DTC from the TCM history if the vehicle completes 40 ignition cycles without a failure reported.
    • The TCM cancels the DTC default actions when the fault no longer exists and the ignition is cycled OFF and then ON.

Diagnostic Aids

    • If the TCC is mechanically stuck ON with the parking brake applied and any gear range selected, the TCC fluid mechanically applies the TCC. TCC fluid mechanically applying the TCC can cause an engine stall.
    • A stuck or skewed TP Sensor may set DTC 69.

Test Description

The numbers below refer to the step numbers on the diagnostic table.

  1. This step tests the mechanical state of the TCC. When the TCM commands the TCC solenoid OFF, the slip speed should increase.

DTC 69

Step

Action

Value(s)

Yes

No

1

Was the Powertrain On-Board Diagnostic (OBD) System Check performed?

--

Go to Step 2

Go to On-Board Diagnostic System Check

2

  1. Install the Scan Tool .
  2. With the engine OFF, turn the ignition switch to the RUN position.
  3. Important:: Before clearing the DTC's, record the Current and History DTC's information for reference. The Clear Info function erases the stored Current and History DTC from the TCM.

  4. Record Current and History DTC's, then clear the DTC.
  5. Verify the TP Sensor Operation. Use the Scan Tool .

Are the TP Angle values within the specified range?

0% at Closed Throttle

100% at Wide Open Throttle (WOT)

Go to Step 3

Refer to Diagnostic Aids

3

Drive the vehicle in the D 4 drive range in fourth gear under steady acceleration with a TP Angle greater than 15%

Does the Scan Tool display a TCC Slip Speed of - 5 to + 10 RPM while the displayed TCC Duty Cycle is 0%?

--

Go to Step 4

Go to Diagnostic Aids

4

The TCC is mechanically stuck ON.

Perform the following inspections:

  1. Inspect the exhaust orifice in the TCC PWM Sol. Valve for any clogging.
  2. Inspect the converter clutch shift valve for the possibility of being stuck in the apply position.
  3. Inspect the valve body gasket for misalignment or damage.
  4. Inspect for a restricted release or apply passage.
  5. Inspect for a restricted transmission cooler line.
  6. Refer to Torque Converter Clutch Stuck On .

Did you find and correct the condition?

--

Go to Step 5

--

5

In order to verify your repair, perform the following procedure:

  1. Select DTC.
  2. Select Clear Info.
  3. Operate the vehicle under the following conditions:

Operate the vehicle in D 4 with the TCC commanded OFF and TP Angle above 25%.

Does the Scan Tool indicate a greater than 10 RPM for 4 seconds?

--

System OK

Begin the diagnosis again

Go to Step 1