GM Service Manual Online
For 1990-2009 cars only
Figure 1:

Batteries, Battery Cables, Starter


Object Number: 393645  Size: MF
(1)G105
(2)Battery
(3)Secondary Battery (Diesel)
(4)Secondary Negative Battery Cable (Diesel)
(5)Secondary Positive Battery Cable (Diesel)
(6)Negative Battery Cable
(7)Positive Battery Cable
(8)Connector C1
(9)Starter Solenoid Interconnect (OEM)
(10)Starter Solenoid
(11)Starter Motor
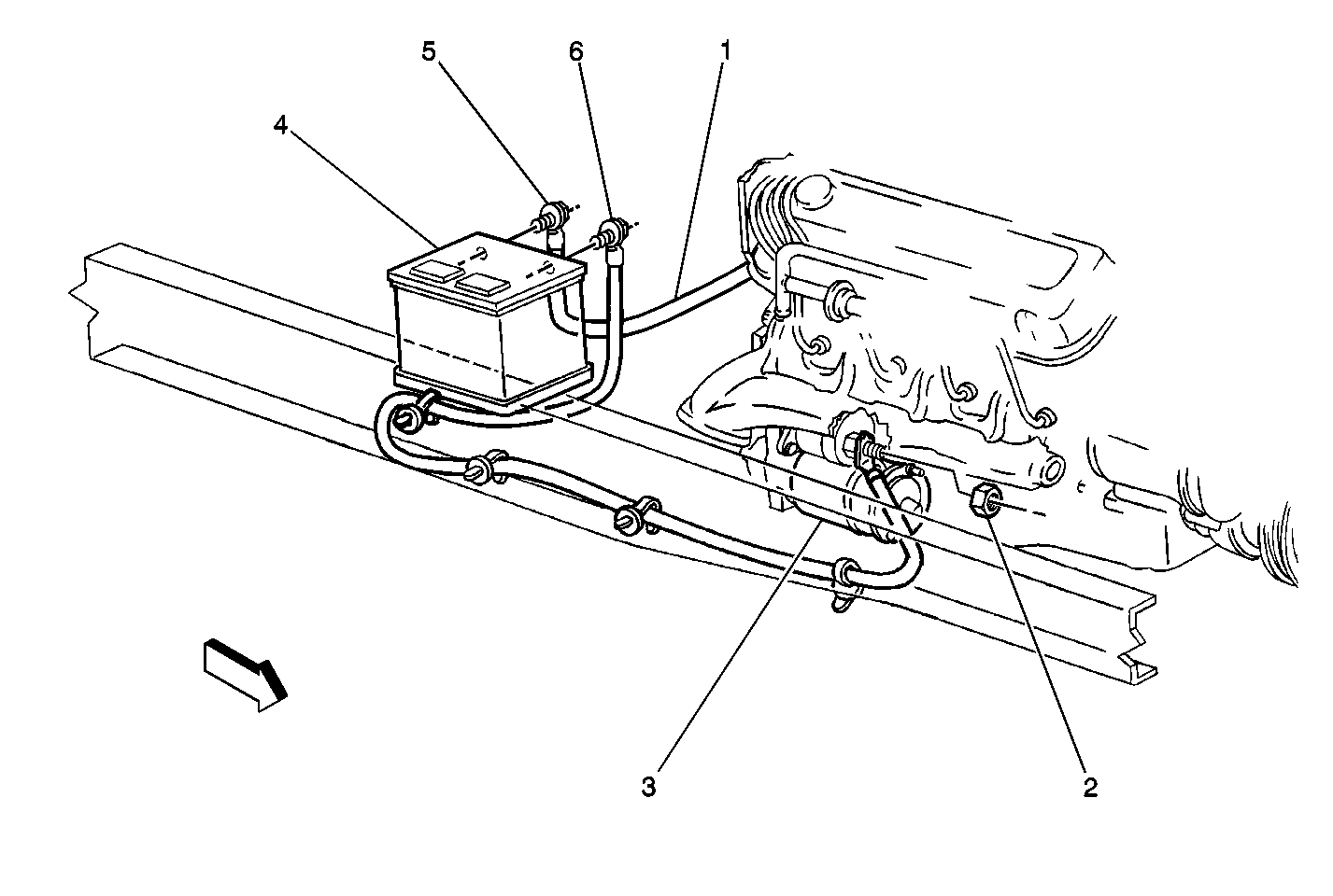
Figure 2:

Electronic Brake Control Module (EBCM)


Object Number: 186166  Size: MF
(1)Electronic Brake Control Module (EBCM)
(2)G110
(3)C111
(4)Wheel Speed Sensor Pigtail
(5)C110
(6)Brake Pressure Differential Switch
(7)C2
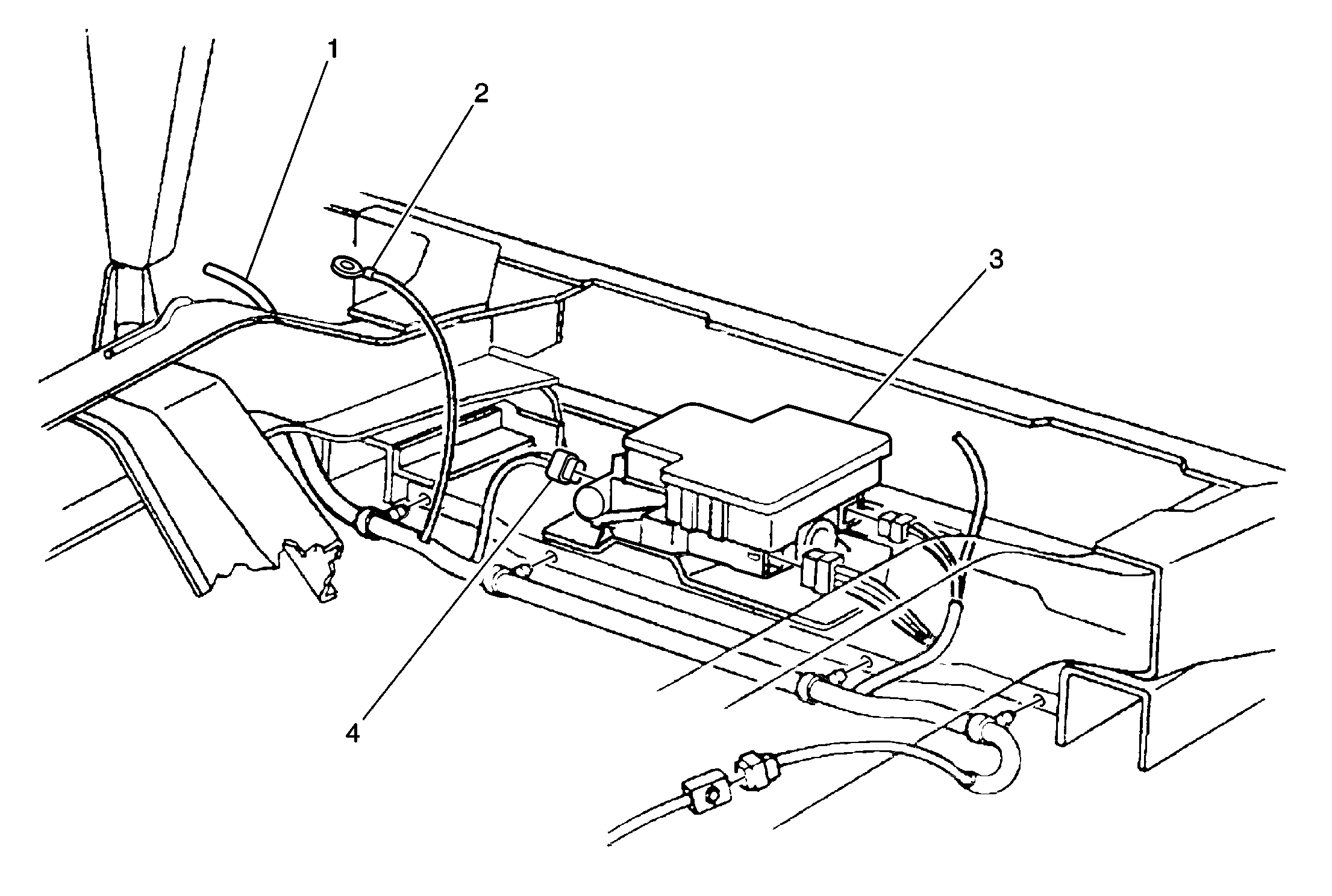
Figure 3:

Electronic Brake Control Module, Rear View


Object Number: 180066  Size: MF
(1)ABS Harness
(2)ABS Ground (G110)
(3)Electronic Brake Control Module (EBCM)
(4)Brake Pressure Differential Switch
Figure 4:

Engine Wiring (Gasoline), LH Front


Object Number: 180070  Size: MF
(1)C200, C202, C203
(2)Battery Junction Block
(3)A/C Compressor Relay
(4)Fuel Pump Relay
(5)P100
(6)Starter Relay
(7)Fuel Pump Prime Connector
(8)C4
(9)C2
(10)Vehicle Control Module (VCM)
(11)C1
(12)C3
Figure 5:

Engine Wiring--4.3L Upper LH Front View


Object Number: 440939  Size: LF
(1)Exhaust Gas Recirculation (EGR) Valve
(2)G108
(3)A/C Compressor High Pressure Cutoff Switch
(4)Engine Coolant Temperature Gauge Sensor
(5)A/C Compressor Clutch
(6)Engine Coolant Temperature (ECT) Sensor
(7)G108
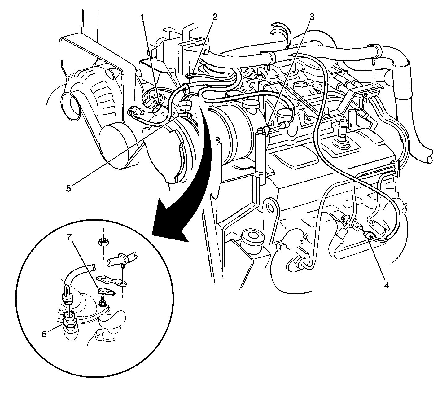
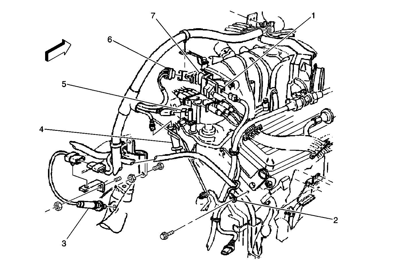
Figure 6:

Engine Wiring 4.3L, Upper RH Rear


Object Number: 180072  Size: MF
(1)Camshaft Position (CMP) Sensor
(2)Manifold Absolute Pressure (MAP) Sensor
(3)Evaporative Emissions (EVAP) Canister Purge Valve
(4)G105
(5)To Heated Oxygen Sensor (HO2S), Bank 2 Sensor 1
(6)Engine Oil Pressure Gauge Sensor
(7)Knock Sensor (KS)
(8)G102, G104
Figure 7:

Engine Wiring--5.7L Upper LH Forward View


Object Number: 440921  Size: LF
(1)G108
(2)Exhaust Gas Recirculation (EGR) Valve
(3)Idle Air Control (IAC) Valve
(4)Throttle Position (TP) Sensor
(5)A/C Compressor High Pressure Cut-Off Switch
(6)A/C Compressor Clutch
(7)Engine Coolant Temperature (ECT) Sensor
Figure 8:

Engine Wiring -- Diesel, Upper RH Side View


Object Number: 185106  Size: MF
(1)Throttle Position (TP) Sensor
(2)Fuel/Water Separator (Filter)
(3)G102, G108 (Manual Transmission)
(3)G102, G108 (Manual Transmission)
(4)Fuel Injection Pump Cold Advance Solenoid
(5)Fuel Injection Pump Shut-Off Solenoid
(6)Idle Speed Control Actuator Solenoid
(7)Generator
(7)Generator
(8)Glowplugs, Right Bank
(9)Cold Advance Solenoid, Engine Coolant Temperature Switch
Figure 9:

Engine Wiring (Diesel), Upper LH Rear


Object Number: 393658  Size: MF
(1)Barometric Pressure Sensor
(2)Automatic Transmission
(3)Transmission Output Speed Sensor (Auto Trans)/Vehicle Speed Sensor (Manual Trans)
(3)Transmission Output Speed Sensor (Auto Trans)/Vehicle Speed Sensor (Manual Trans)
(4)Park/Neutral Position (PNP) and Backup Lamps Switch (Auto Trans)
(5)Transmission Input Speed Sensor (Auto Trans)
(6)G106
(7)Ground Strap
(8)G102 (Auto Trans)
(9)G108 (Auto Trans)
(10)Engine Speed Sensor
(11)Glow Plug Controller
(12)Fuel/Water Separator (Filter)
(13)Engine Oil Pressure Gauge Sensor
(14)Water In Fuel Indicator Sensor
(15)Fuel Heater
(16)Backup Lamps Switch (Manual Trans)
Figure 10:

IP Side of Engine Wiring -- All Engines (P42)


Object Number: 180085  Size: MF
(1)Data Link Connector (DLC)
(2)Headlamps Dimmer Switch
(3)Brake Transmission Shift Interlock (BTSI) Solenoid
(4)Brake Transmission Shift Interlock (BTSI) Relay
(5)Horn Relay
(6)Daytime Running Lamps (DRL) Relay
(7)C210
(8)C211
(9)Torque Converter Clutch (TCC) and Stoplamps Switch
(10)Ignition Switch
(11)C1
(12)C2
(13)C1
(14)C2
(15)Turn Signal Switch Connector
(16)Crank Fuse
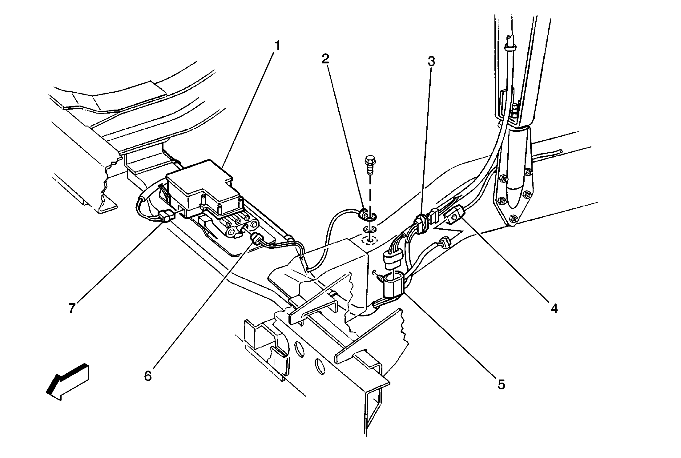
Figure 11:

Remote Battery Access (Jump Start) Terminal Block


Object Number: 180086  Size: MF
(1)Remote Battery Access (Jump Start) Terminal
Figure 12:

Rear Lamps Extension, LH Side View


Object Number: 440933  Size: LF
(1)Fuel Pump Module (Gas)/Fuel Level Sensor (Diesel)
(2)Fuel Tank
(3)P400
(4)To Fuel Pump Module (Gas)/Fuel Level Sensor (Diesel)
(5)C400
(6)C401
(7)C401
(8)P400
(9)G400
(10)C300
(11)To Heated Oxygen Sensor (HO2S), Bank 1 Sensor 2
(12)To Heated Oxygen Sensor (HO2S), Bank 2 Sensor 2 (5.7L)
Figure 13:

Rear Lamps Typical (Body Builder Installed)


Object Number: 330034  Size: MF
(1)Lamp, Left Rear Sidemarker
(2)C400
(3)Lamp, Right Backup
(4)Lamp, Left Tail and Stop/Turn Signal
(5)Lamp, Left License
(6)Lamp, Right License
(7)G401
(8)Lamp, Right Tail and Stop/Turn Signal
(9)Lamp, Right Backup
(10)Lamp, Right Rear Sidemarker
Figure 14:

Battery Wiring-Gasoline Engines


Object Number: 240953  Size: MF
(1)To G103, G104, G105
(2)Starter Solenoid Nut
(3)Starter Motor
(4)Battery
(5)Negative Battery Terminal
(6)Positive Battery Terminal
Figure 15:

Engine Wiring Right Side (L29)


Object Number: 364656  Size: MF
(1)Idle Air Control (IAC) Valve
(2)G108
(3)Engine Coolant Temperature (ECT) Sensor
(4)Manifold Absolute Pressure (MAP) Sensor
(5)Generator
(6)Throttle Position (TP) Sensor
Figure 16:

Engine Wiring Harness Rear (L29)


Object Number: 440928  Size: MF
(1)Ignition Coil
(2)G103, G104, G105
(3)Heated Oxygen Sensor, Bank 1 Sensor 1
(4)Engine Oil Pressure Gauge Sensor
(5)Camshaft Position (CMP) Sensor
(6)C107
(7)Ignition Control Module (ICM)