GM Service Manual Online
For 1990-2009 cars only

Power Steering Pump Replacement 4.3L And 5.7L Engines

Removal Procedure

Tools Required

J 25034-C Power Steering Pump Pulley Remover

  1. Place a drain pan below the pump.
  2. Remove the pump drive belt. Refer to Drive Belt Replacement or Drive Belt Replacement .
  3. Disconnect the hoses at the pump.
  4. Raise the hose in order to prevent drainage of the oil.
  5. Cap the ends of the hose and the pump in order to prevent contamination.
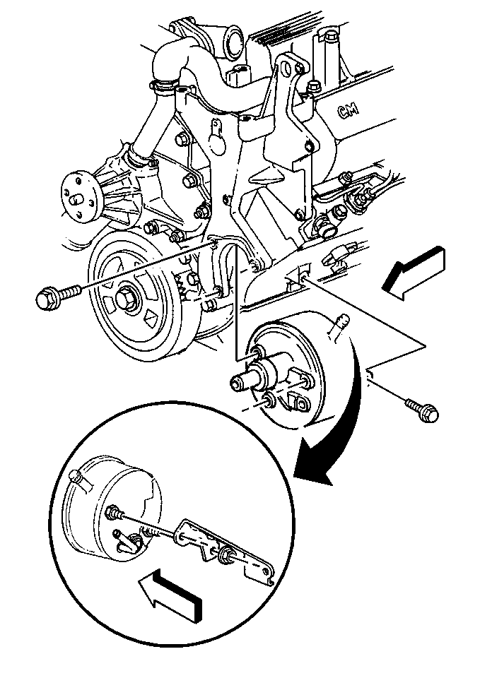
  6. Tag the hose locations.

  7. Object Number: 254749  Size: SH
  8. Use the J 25034-C in order to remove the pulley from the pump.
  9. Hold the pilot bolt and turn the nut counterclockwise.
  10. Turn the nut on the J 25034-C to the top of the pilot bolt in order to ensure that the pilot bolt bottoms in the pump shaft.

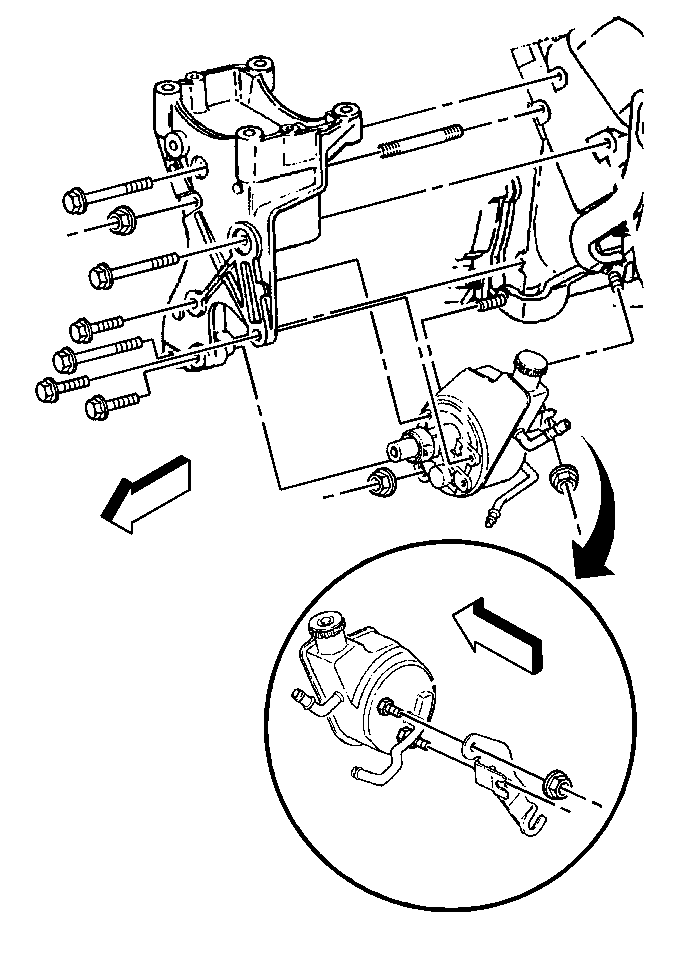
  11. Object Number: 314008  Size: MH
  12. Remove the pump rear bracket assembly nuts to the engine studs.
  13. Remove the front pump bolts to the front bracket, if removal of only the pump assembly is required. If the front bracket assembly is also damaged, remove the front bracket bolts and cylinder head nut.
  14. Remove the pump assembly and/or front bracket assembly.
  15. Remove the rear bracket assembly from the pump.

Installation Procedure

Tools Required

J 25033-C Power Steering Pump Pulley Installer

    Notice: Use the correct fastener in the correct location. Replacement fasteners must be the correct part number for that application. Fasteners requiring replacement or fasteners requiring the use of thread locking compound or sealant are identified in the service procedure. Do not use paints, lubricants, or corrosion inhibitors on fasteners or fastener joint surfaces unless specified. These coatings affect fastener torque and joint clamping force and may damage the fastener. Use the correct tightening sequence and specifications when installing fasteners in order to avoid damage to parts and systems.

  1. Install the bracket(s) to the pump.
  2. Tighten

        • Tighten the rear bracket-to-pump stud nuts to 50 N·m (37 lb ft).
        • Tighten the front bracket to front pump bolts to 50 N·m (37 lb ft).

    Object Number: 314008  Size: MH
  3. Loosely install the pump assembly.
  4. Important: 

       • Do not start the engine with any power steering hoses disconnected. After connecting the power steering hoses, ensure that there is clearance between the hoses and the drive belt, the sheet metal, or any other components where hose chafing or interference may result.
       • Improperly installed hoses are subject to chafing and other abuses.

  5. Connect the power steering hoses to the pump. Refer to Power Steering Hoses Replacement .
  6. Tighten the pump assembly to the engine.
  7. Tighten

        • Tighten the engine stud nuts to 41 N·m (30 lb ft).
        • Tighten the engine head stud to 20 N·m (15 lb ft) if removed to replace a damaged front bracket.
        • Tighten the engine head stud nut and front bracket assembly mounting bolts to 41 N·m (30 lb ft) if the front bracket assembly was replaced.

    Object Number: 9983  Size: SH
  8. Place the pulley on the end of the pump shaft.
  9. Install the J 25033-C .
  10. Turn the nut to the top of the pilot bolt in order to ensure that the pilot bolt bottoms in the shaft.
  11. Hold the pilot bolt and turn the nut clockwise.
  12. Install the pulley flush 0.50 mm (0.020 in) with the end of the power steering pump shaft.
  13. Fill the reservoir.
  14. Turn the pulley counterclockwise as viewed from the front in order to bleed the pump.
  15. Install the pump drive belt. Refer to Drive Belt Replacement or Drive Belt Replacement .
  16. Fill the system with power steering fluid.
  17. Bleed the system. Refer to Power Steering System Bleeding .

Power Steering Pump Replacement 6.5L Diesel Engine

Removal Procedure

Tools Required

J 25034-C Power Steering Pump Pulley Remover

  1. Place a drain pan below the pump.
  2. Remove the pump drive belt. Refer to Drive Belt Replacement .
  3. Disconnect the hoses at the pump.
  4. Raise the hose in order to prevent drainage of the oil.
  5. Cap the ends of the hose and the pump in order to prevent contamination.
  6. Tag the hose locations.

  7. Object Number: 254749  Size: SH
  8. Use the J 25034-C in order to remove the pulley from the pump.
  9. Turn the nut on the J 25034-C to the top of the pilot bolt in order to ensure that the pilot bolt bottoms in the pump shaft.
  10. Hold the pilot bolt and turn the nut counterclockwise.

  11. Object Number: 313957  Size: MH
  12. Remove the power steering brace-to-engine bolt.
  13. Remove the power steering pump-to-bracket bolts.
  14. Remove the pump assembly.
  15. Remove the brace from the pump.

Installation Procedure

Tools Required

J 25033-C Power Steering Pulley Pump Remover


    Object Number: 313957  Size: MH

    Notice: Use the correct fastener in the correct location. Replacement fasteners must be the correct part number for that application. Fasteners requiring replacement or fasteners requiring the use of thread locking compound or sealant are identified in the service procedure. Do not use paints, lubricants, or corrosion inhibitors on fasteners or fastener joint surfaces unless specified. These coatings affect fastener torque and joint clamping force and may damage the fastener. Use the correct tightening sequence and specifications when installing fasteners in order to avoid damage to parts and systems.

  1. Loosely assemble the power steering brace to the pump with the two nuts.
  2. Tighten
    Tighten the power steering brace-to-pump nuts to 50 N·m (37 lb ft).

  3. Fill the pump housing with as much fluid as possible before mounting the pump to the engine.
  4. Finger-start the bolt securing the power steering brace to the engine and the front pump bolts.
  5. Tighten
    Tighten the power steering front pump bolts and the power steering pump brace-to-engine bolt to 50 N·m (37 lb ft).

    Important: 

       • Do not start the engine with any power steering hoses disconnected. After connecting the power steering hoses, ensure that there is clearance between the hoses and the drive belt, the sheet metal, or any other components where hose chafing or interference may result.
       • Improperly installed hoses are subject to chafing and other abuses during sharp turns.

  6. Connect the power steering hoses to the pump. Refer to Power Steering Hoses Replacement .

  7. Object Number: 9983  Size: SH
  8. Place the pulley on the end of the pump shaft.
  9. Install the J 25033-C .
  10. Turn the nut to the top of the pilot bolt in order to ensure that the pilot bolt bottoms in the shaft.
  11. Hold the pilot bolt and turn the nut clockwise.
  12. Install the pulley flush 0.50 mm (0.020 in) with the end of the power steering pump shaft.
  13. Fill the reservoir.
  14. Turn the pulley counterclockwise as viewed from the front in order to bleed the pump.
  15. Install the pump drive belt. Refer to Drive Belt Replacement .
  16. Fill the system with power steering fluid.
  17. Bleed the system. Refer to Power Steering System Bleeding .

Power Steering Pump Replacement 7.4L Engine

Removal Procedure

Tools Required

J 25034-C Power Steering Pump Pulley Remover

  1. Place a drain pan below the pump.
  2. Remove the pump drive belt. Refer to Drive Belt Replacement .
  3. Disconnect the hoses at the pump.
  4. Raise the hose in order to prevent drainage of the oil.
  5. Cap the ends of the hose and the pump in order to prevent contamination.
  6. Tag the hose locations.

  7. Object Number: 254749  Size: SH
  8. Use the J 25034-C in order to remove the pulley from the pump.
  9. Turn the nut on the J 25034-C to the top of the pilot bolt in order to ensure that the pilot bolt bottoms in the pump shaft.
  10. Hold the pilot bolt and turn the nut counterclockwise.

  11. Object Number: 313954  Size: SH
  12. Remove the pump rear bracket assembly bolt to the engine block.
  13. Remove the rear bracket-to-front bracket attaching bolts and loosen the pump stud nut.
  14. Remove the front pump bolts to the front bracket, if removal of only the pump assembly is required. If the front bracket assembly is also damaged, remove the front bracket bolts and cylinder head nut to the engine block.
  15. Remove the pump assembly and/or front bracket assembly.

Installation Procedure

Tools Required

J 25033-C Power Steering Pump Pulley Remover


    Object Number: 313954  Size: SH

    Notice: Use the correct fastener in the correct location. Replacement fasteners must be the correct part number for that application. Fasteners requiring replacement or fasteners requiring the use of thread locking compound or sealant are identified in the service procedure. Do not use paints, lubricants, or corrosion inhibitors on fasteners or fastener joint surfaces unless specified. These coatings affect fastener torque and joint clamping force and may damage the fastener. Use the correct tightening sequence and specifications when installing fasteners in order to avoid damage to parts and systems.

  1. Install the bracket(s) to the pump.
  2. Tighten

        • Tighten the rear bracket-to-pump stud nut to 50 N·m (37 lb ft).
        • Tighten the rear bracket to front bracket bolts to 25 N·m (18 ft).
        • Tighten the front bracket to the front pump bolts to 50 N·m (37 lb ft).
  3. Fill the pump housing with as much fluid as possible before mounting the pump to the engine.
  4. Loosely install the pump assembly.
  5. Important: 

       • Do not start the engine with any power steering hoses disconnected. After connecting the power steering hoses, ensure that there is clearance between the hoses and the drive belt, the sheet metal, or any other components where hose chafing or interference may result.
       • Improperly installed hoses are subject to chafing and other abuses during sharp turns.

  6. Connect the power steering hoses to the pump. Refer to Power Steering Hoses Replacement .
  7. Tighten the pump assembly to the engine.
  8. Tighten

        • Tighten the stud to the engine head to 20 N·m (15 lb ft) if removed, to replace a damaged front bracket.
        • Tighten the engine head stud nut, and the front bracket mounting bolts to the engine to 66 N·m (49 lb ft) if the front bracket was replaced.
        • Tighten the pump assembly-to-engine block bolt to 40 N·m (30 lb ft).

    Object Number: 254749  Size: SH
  9. Place the pulley on the end of the pump shaft.
  10. Install the J 25033-C .
  11. Turn the nut to the top of the pilot bolt in order to ensure that the pilot bolt bottoms in the shaft.
  12. Hold the pilot bolt and turn the nut clockwise.
  13. Install the pulley flush 0.50 mm (0.020 in) with the end of the power steering pump shaft.
  14. Fill the reservoir.
  15. Turn the pulley counterclockwise as viewed from the front in order to bleed the pump.
  16. Install the pump drive belt. Refer to Drive Belt Replacement .
  17. Fill the system with power steering fluid.
  18. Bleed the system. Refer to Power Steering System Bleeding .