GM Service Manual Online
For 1990-2009 cars only

Power Distribution Schematics P42

Figure 1:

Cell 10: Battery, Starter, and Junction Block


Object Number: 360177  Size: FS
Power and Grounding Components P42
Cell 10: Fuse Block and Headlamp Switch
Handling ESD Sensitive Parts Notice
Handling ESD Sensitive Parts Notice
Cell 10: Fuse Block and Headlamp Switch
Cell 10: Fuse Block and Headlamp Switch
Cell 10: Ignition Switch and Fuse Block
Cell 10: Ignition Switch and Fuse Block
Figure 2:

Cell 10: Fuse Block and Headlamp Switch


Object Number: 353941  Size: FS
Power and Grounding Components P42
Cell 10: Ignition Switch and Fuse Block
Cell 10: Battery, Starter, and Junction Block
Cell 10: Battery, Starter, and Junction Block
Cell 10: Battery, Starter, and Junction Block
Cell 11: ECM-BAT and ENG-BAT fuses
Cell 11: STOP-HAZ, TAIL LPS, and HORN/DM fuses, PWR CKT BRKR 2
Cell 11: INSTR LPS, TRANS, and ENG-I fuses
Cell 110: Headlamps Switch and Turn Signal Indicators
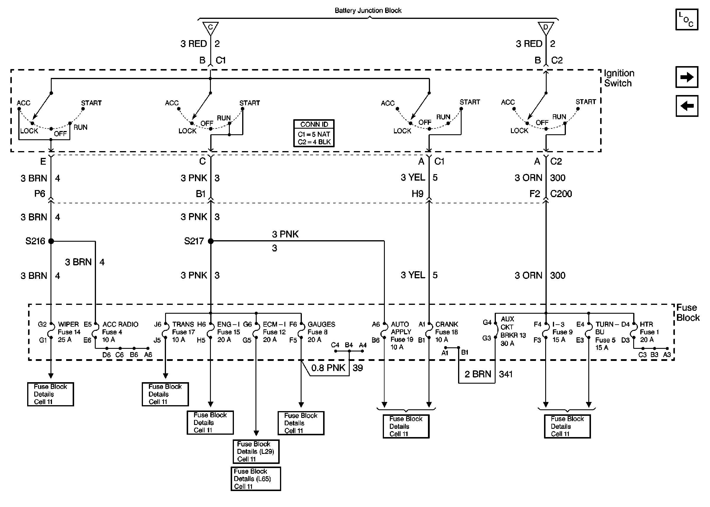
Figure 3:

Cell 10: Ignition Switch and Fuse Block


Object Number: 353948  Size: FS
Power and Grounding Components P42
Cell 10: Ignition Switch
Cell 10: Fuse Block and Headlamp Switch
Cell 10: Battery, Starter, and Junction Block
Cell 10: Battery, Starter, and Junction Block
Cell 11: Crank, Wiper, and Acc-Radio fuses
Cell 11: INSTR LPS, TRANS, and ENG-I fuses
Cell 11: ECM-I fuse [L31]
Cell 11: ECM-I fuse [L35]
Cell 11: ECM-I fuse [L57]
Cell 11: Gauges fuse
Cell 11: I-3, TURN-B/U, and HTR fuses, AUX CKT BRKR 13
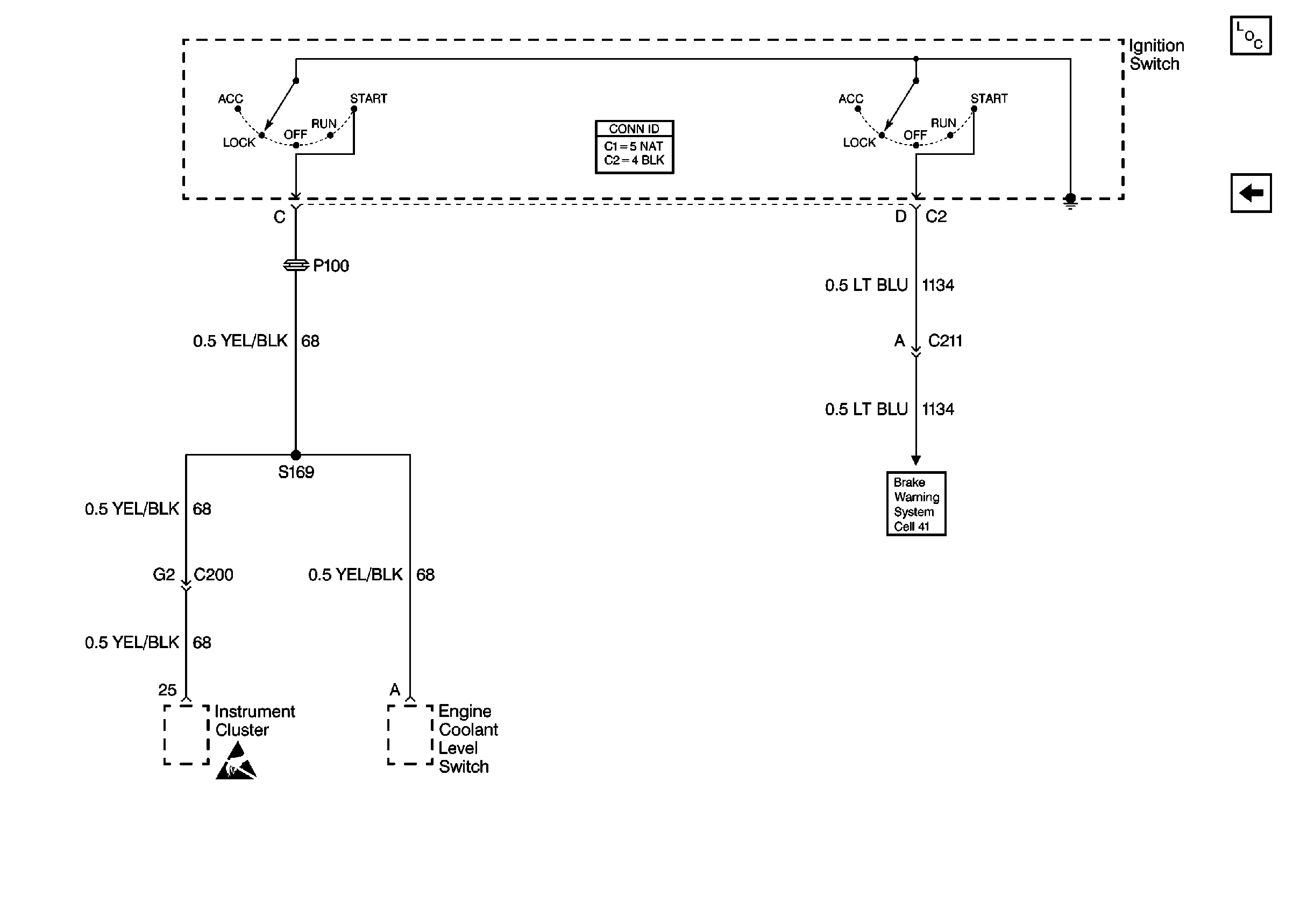
Figure 4:

Cell 10: Ignition Switch


Object Number: 353953  Size: FS
Power and Grounding Components P42
Cell 10: Ignition Switch and Fuse Block
Handling ESD Sensitive Parts Notice
Cell 41: Brake Warning System - US

Power Distribution Schematics P32

Figure 1:

Cell 10: Battery, Starter and Junction Block


Object Number: 352406  Size: FS
Power and Grounding Components P32
Cell 10: Fuse Block
Cell 10: Ignition Switch and Fuse Block
Cell 10: Ignition Switch and Fuse Block
Cell 10: Fuse Block
Cell 10: Fuse Block
Handling ESD Sensitive Parts Notice
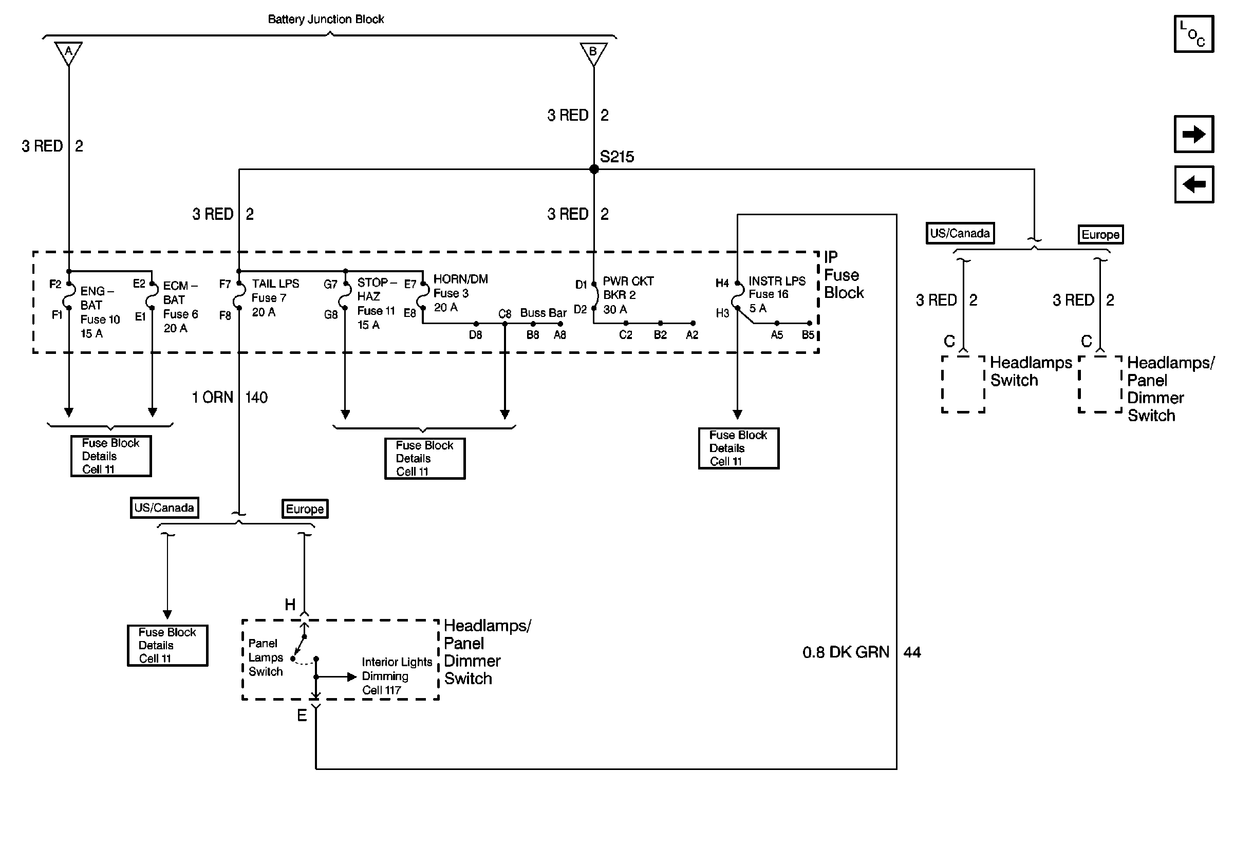
Figure 2:

Cell 10: Fuse Block


Object Number: 352486  Size: FS
Power and Grounding Components P32
Cell 10: Ignition Switch and Fuse Block
Cell 10: Battery, Starter and Junction Block
Cell 10: Battery, Starter and Junction Block
Cell 10: Battery, Starter and Junction Block
Cell 11: ENG-BAT and ECM-BAT fuses
Cell 11: STOP-HAZ, TAIL LPS, and HORN DM fuses
Cell 11: STOP-HAZ, TAIL LPS, and HORN DM fuses
Cell 11: Wiper, Acc-Radio, Crank, Auto Apply, and Instr Lpsfuses
Cell 117:[Export Only]
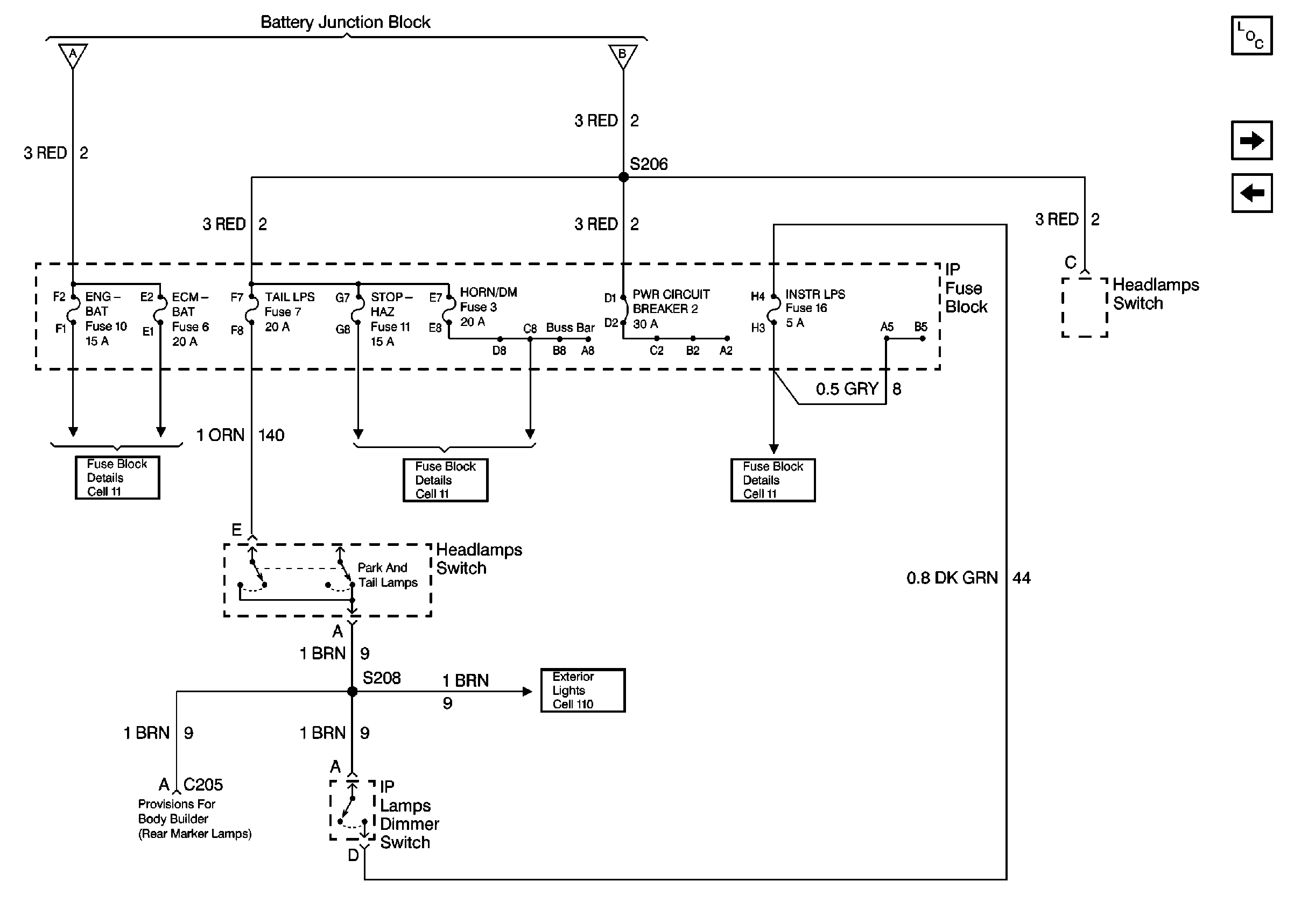
Figure 3:

Cell 10: Ignition Switch and Fuse Block


Object Number: 352522  Size: FS
Power and Grounding Components P32
Cell 10: Ignition Switch
Cell 10: Fuse Block
Cell 10: Battery, Starter and Junction Block
Cell 10: Battery, Starter and Junction Block
Cell 11: Wiper, Acc-Radio, Crank, Auto Apply, and Instr Lpsfuses
Cell 11: GAUGES and TRANS fuses
Cell 11: ENG-I fuse
Cell 11: ECM-I fuse [L29]
Cell 11: ECM-I fuse [L65]
Cell 11: GAUGES and TRANS fuses
Cell 11: Wiper, Acc-Radio, Crank, Auto Apply, and Instr Lpsfuses
Cell 11: I-3, TURN BU and HTR fuses, PWR CKT BRKR 2 and AUX CKT BRKR13
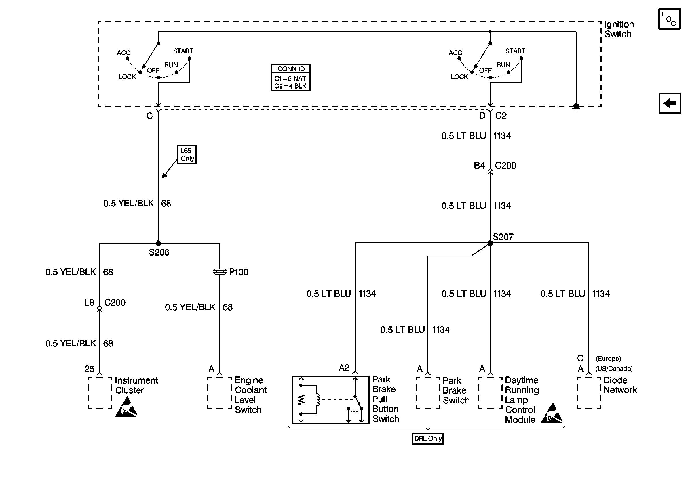
Figure 4:

Cell 10: Ignition Switch


Object Number: 352524  Size: FS
Power and Grounding Components P32
Cell 10: Ignition Switch and Fuse Block
Handling ESD Sensitive Parts Notice
Handling ESD Sensitive Parts Notice