GM Service Manual Online
For 1990-2009 cars only

Fuse Block Schematics P32

Figure 1:

Cell 11: ENG-BAT and ECM-BAT fuses


Object Number: 352545  Size: FS
Power and Grounding Components P32
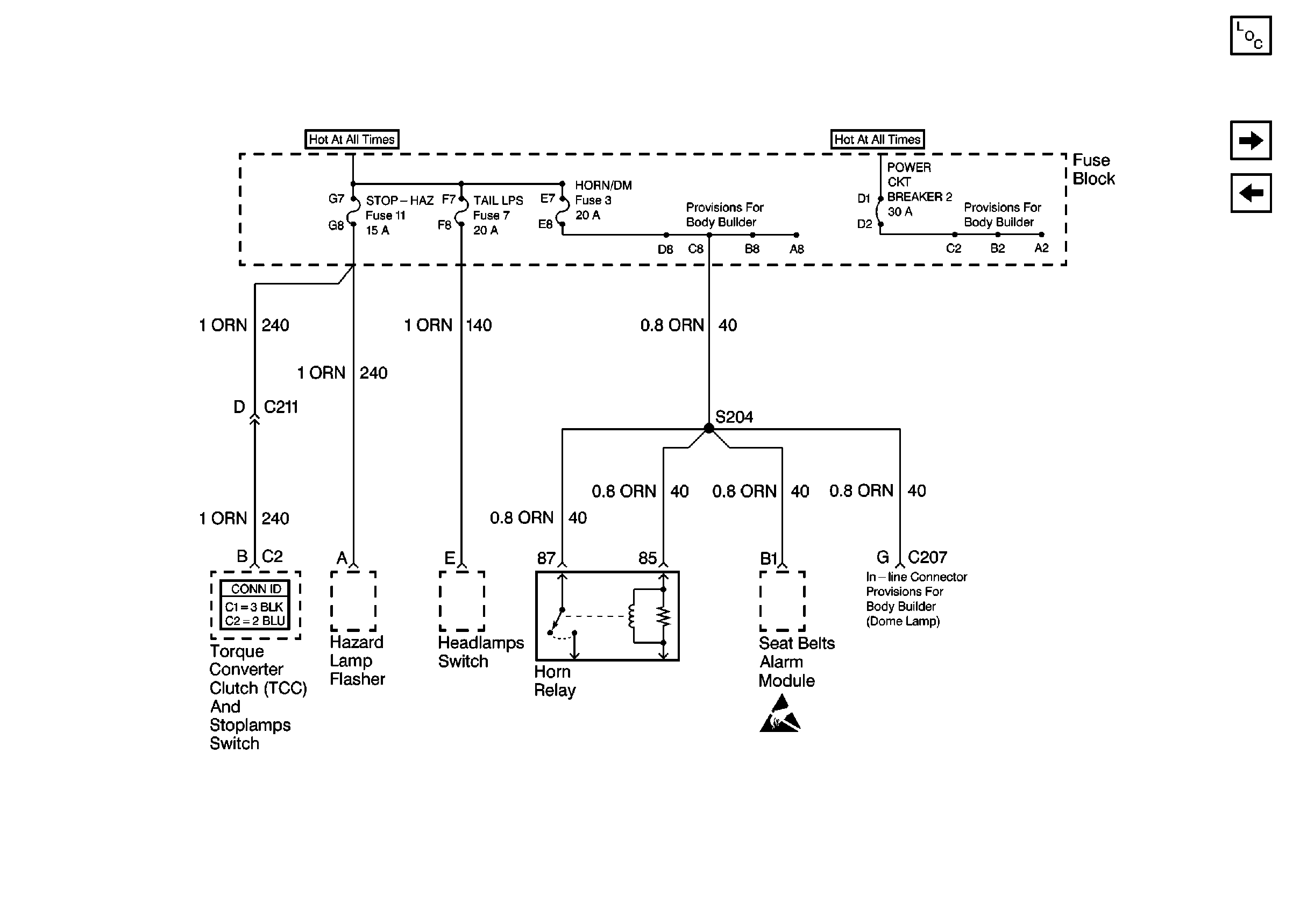
Cell 11: STOP-HAZ, TAIL LPS, and HORN DM fuses
Handling ESD Sensitive Parts Notice
Handling ESD Sensitive Parts Notice
Figure 2:

Cell 11: STOP-HAZ, TAIL LPS, and HORN DM fuses


Object Number: 352549  Size: FS
Power and Grounding Components P32
Cell 11: ENG-I fuse
Cell 11: ENG-BAT and ECM-BAT fuses
Handling ESD Sensitive Parts Notice
Figure 3:

Cell 11: ENG-I fuse


Object Number: 352552  Size: FS
Power and Grounding Components P32
Cell 11: ECM-I fuse [L29]
Cell 11: STOP-HAZ, TAIL LPS, and HORN DM fuses
Cell 10: Ignition Switch and Fuse Block
Figure 4:

Cell 11: ECM-I fuse [L29]


Object Number: 352556  Size: FS
Power and Grounding Components P32
Cell 11: ECM-I fuse [L65]
Cell 11: ENG-I fuse
Cell 10: Ignition Switch and Fuse Block
Handling ESD Sensitive Parts Notice
Handling ESD Sensitive Parts Notice
Handling ESD Sensitive Parts Notice
Figure 5:

Cell 11: ECM-I fuse [L65]


Object Number: 352558  Size: FS
Power and Grounding Components P32
Cell 11: GAUGES and TRANS fuses
Cell 11: ECM-I fuse [L29]
Cell 10: Ignition Switch and Fuse Block
Handling ESD Sensitive Parts Notice
Handling ESD Sensitive Parts Notice
Figure 6:

Cell 11: GAUGES and TRANS fuses


Object Number: 352560  Size: FS
Power and Grounding Components P32
Cell 11: I-3, TURN BU and HTR fuses, PWR CKT BRKR 2 and AUX CKT BRKR13
Cell 11: ECM-I fuse [L65]
Cell 10: Ignition Switch and Fuse Block
Handling ESD Sensitive Parts Notice
Handling ESD Sensitive Parts Notice
Handling ESD Sensitive Parts Notice
Figure 7:

Cell 11: I-3, TURN BU and HTR fuses, PWR CKT BRKR 2 and AUX CKT BRKR 13


Object Number: 352563  Size: FS
Power and Grounding Components P32
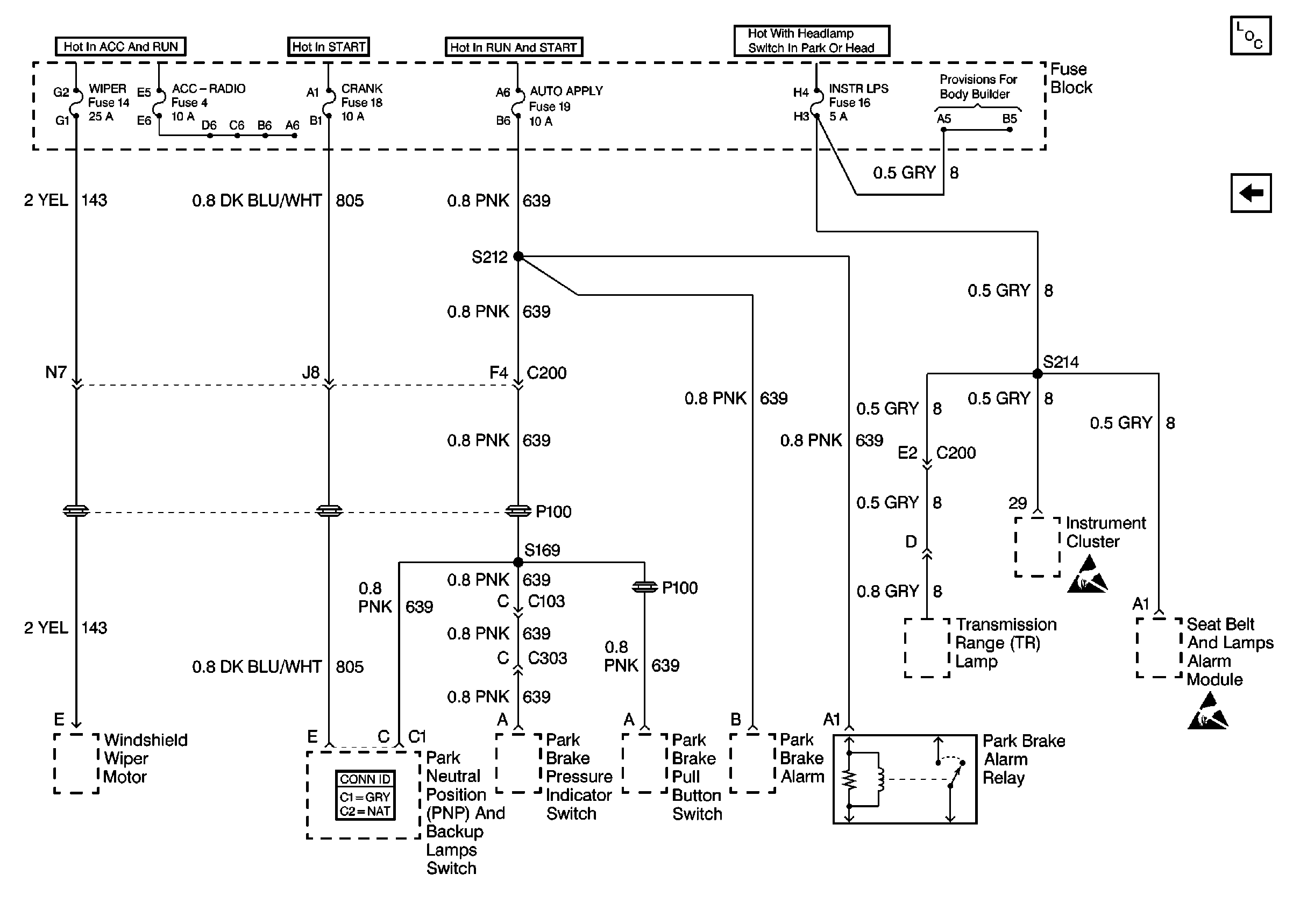
Cell 11: Wiper, Acc-Radio, Crank, Auto Apply, and Instr Lpsfuses
Cell 11: GAUGES and TRANS fuses
Handling ESD Sensitive Parts Notice
Handling ESD Sensitive Parts Notice
Handling ESD Sensitive Parts Notice
Figure 8:

Cell 11: Wiper, Acc-Radio, Crank, Auto Apply, and Instr Lps fuses


Object Number: 352566  Size: FS
Power and Grounding Components P32
Cell 11: I-3, TURN BU and HTR fuses, PWR CKT BRKR 2 and AUX CKT BRKR13
Handling ESD Sensitive Parts Notice
Handling ESD Sensitive Parts Notice

Fuse Block Schematics P42

Figure 1:

Cell 11: ECM-I fuse [L35]


Object Number: 354240  Size: FS
Power and Grounding Components P42
Cell 11: ECM-I fuse [L31]
Cell 10: Ignition Switch and Fuse Block
Handling ESD Sensitive Parts Notice
Handling ESD Sensitive Parts Notice
Handling ESD Sensitive Parts Notice
Figure 2:

Cell 11: ECM-I fuse [L31]


Object Number: 354260  Size: FS
Power and Grounding Components P42
Cell 11: ECM-I fuse [L57]
Cell 11: ECM-I fuse [L35]
Cell 10: Ignition Switch and Fuse Block
Handling ESD Sensitive Parts Notice
Handling ESD Sensitive Parts Notice
Handling ESD Sensitive Parts Notice
Figure 3:

Cell 11: ECM-I fuse [L57]


Object Number: 354264  Size: FS
Power and Grounding Components P42
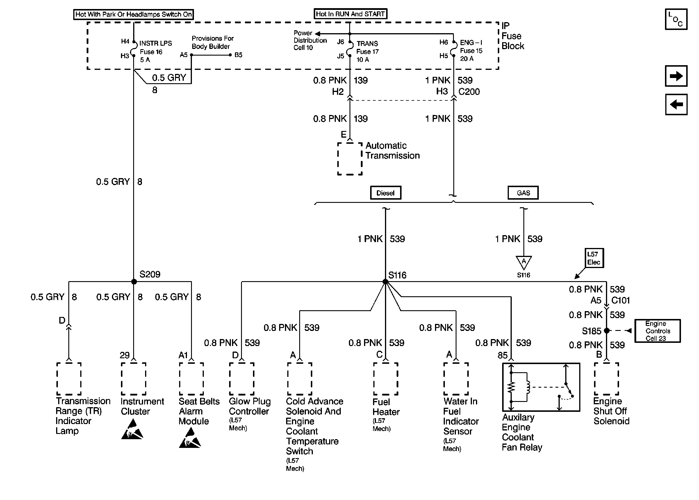
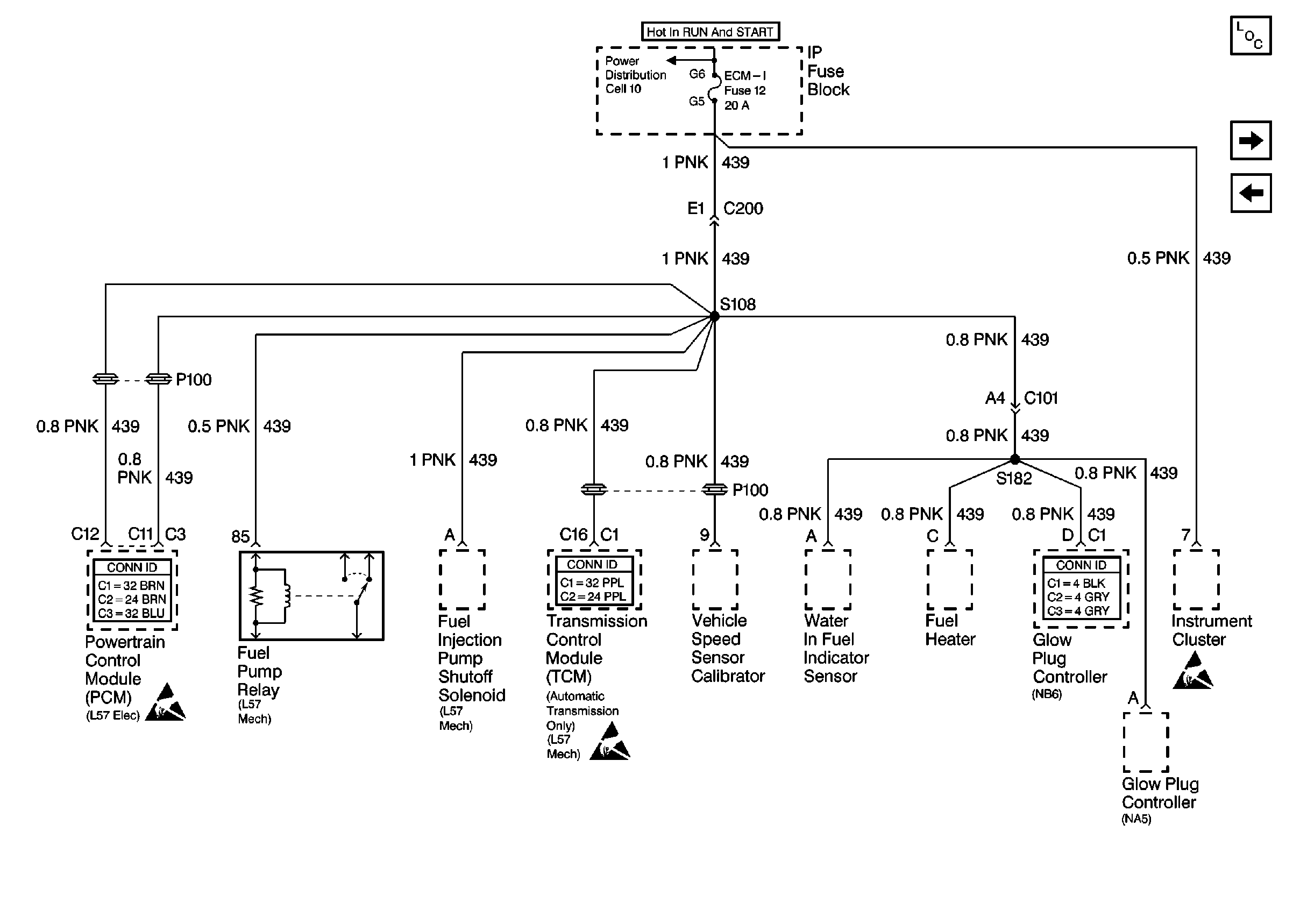
Cell 11: INSTR LPS, TRANS, and ENG-I fuses
Cell 11: ECM-I fuse [L31]
Cell 10: Ignition Switch and Fuse Block
Handling ESD Sensitive Parts Notice
Handling ESD Sensitive Parts Notice
Handling ESD Sensitive Parts Notice
Figure 4:

Cell 11: INSTR LPS, TRANS, and ENG-I fuses


Object Number: 354267  Size: FS
Power and Grounding Components P42
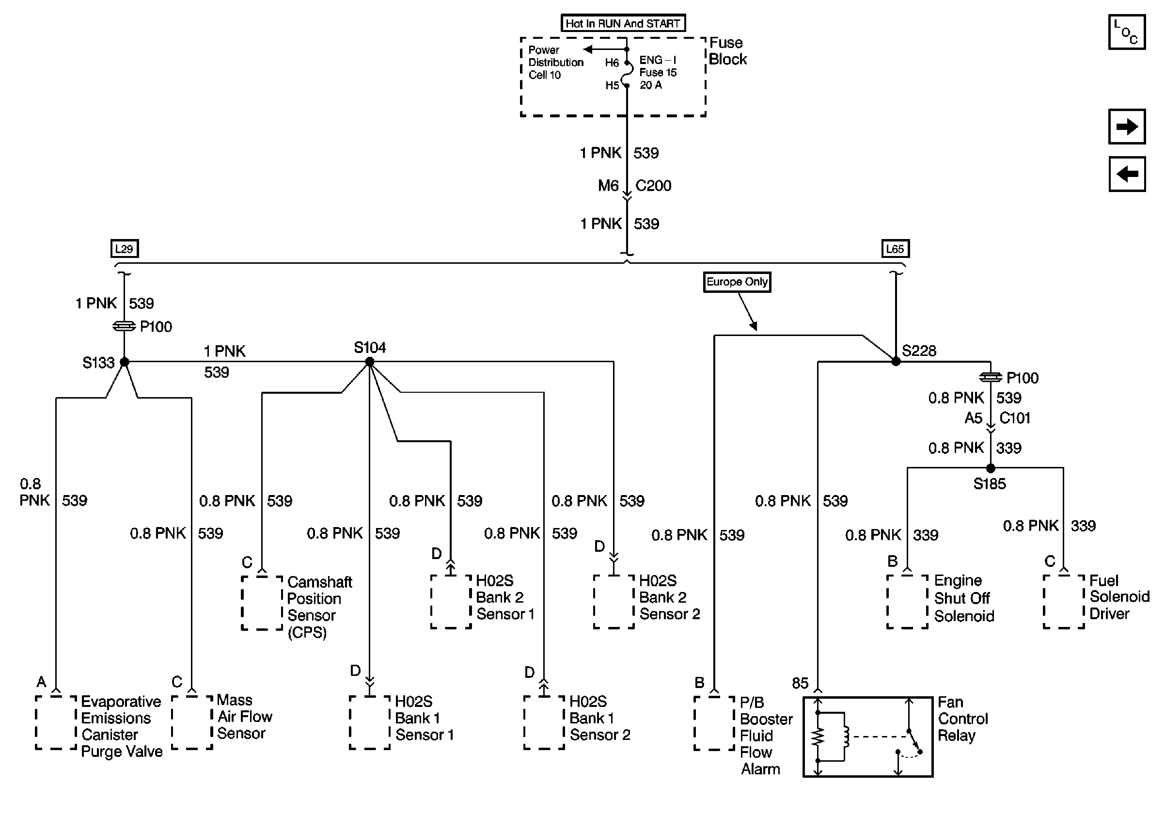
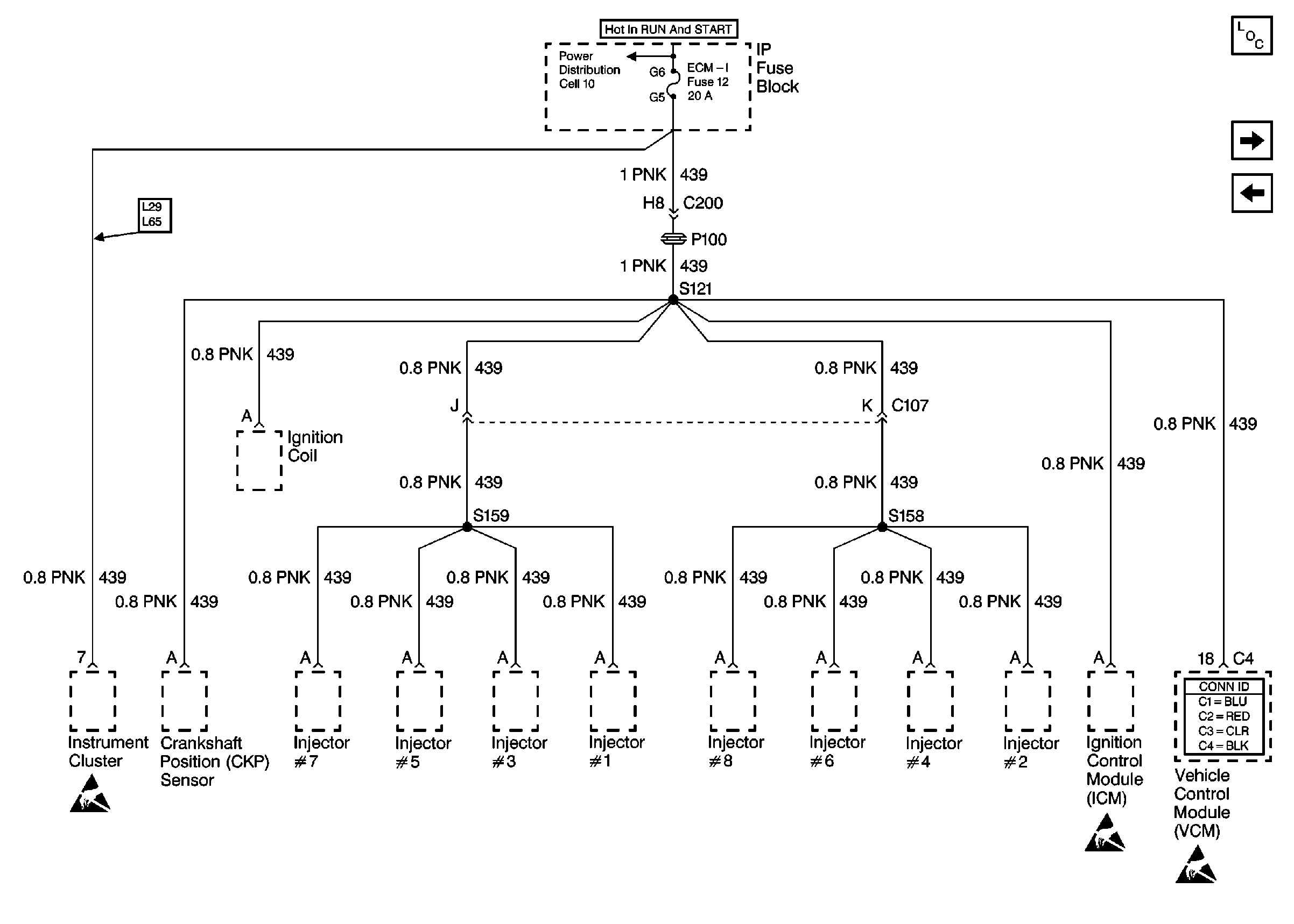
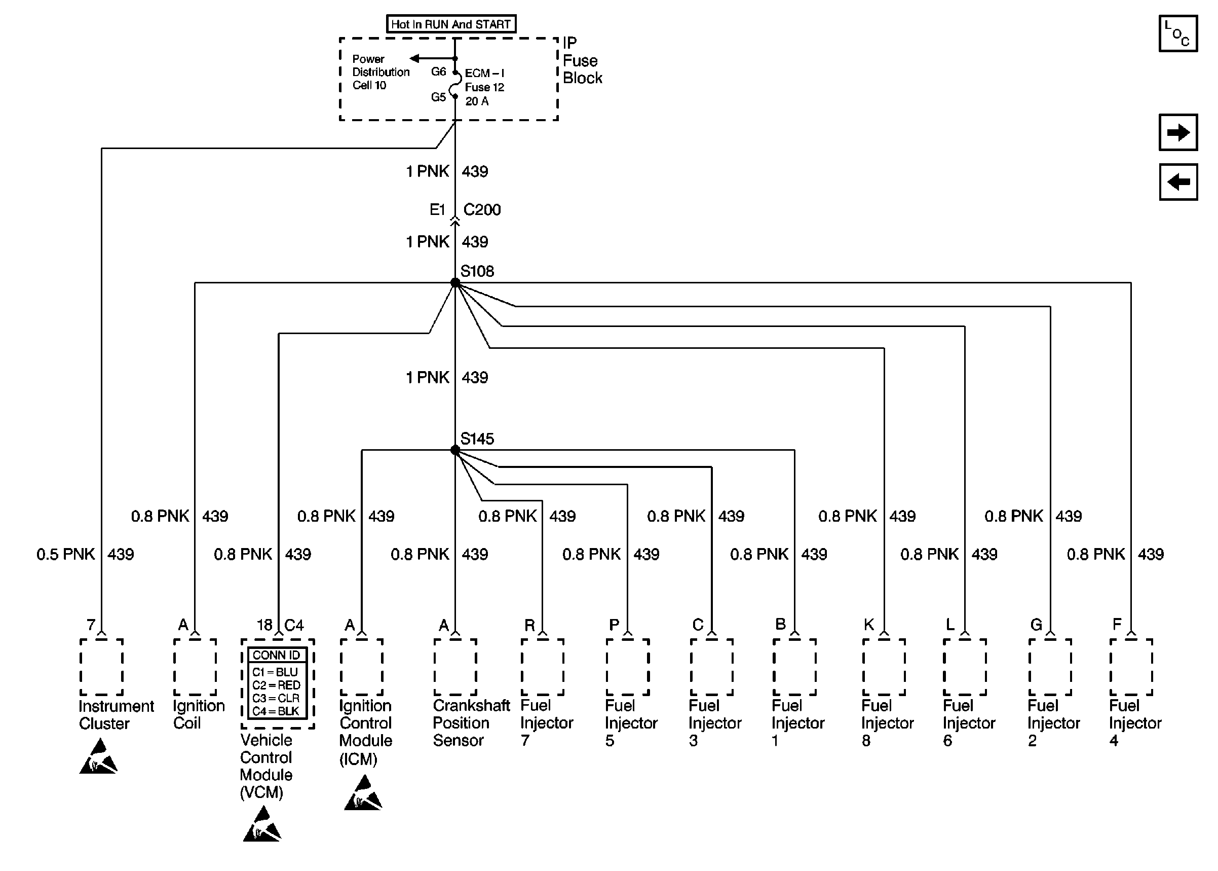
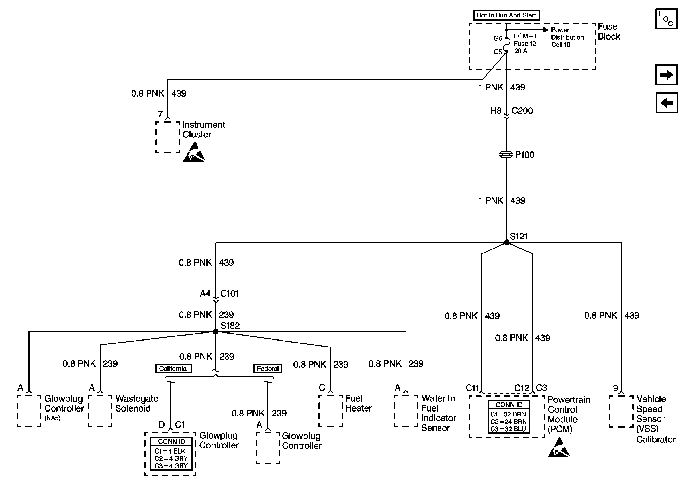
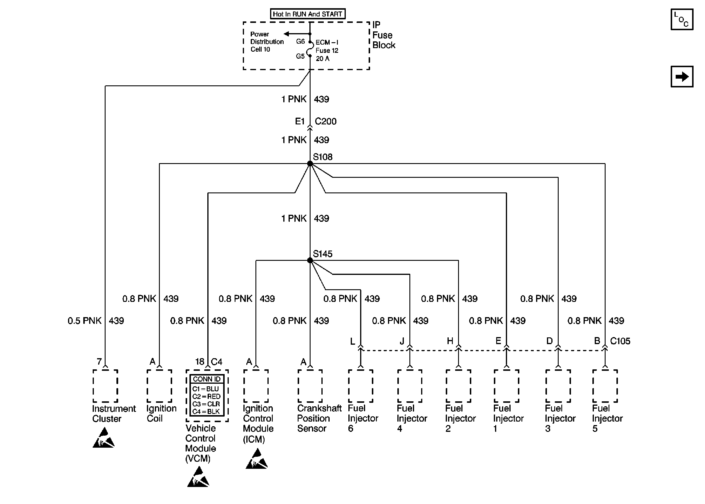
Cell 11: Engine Control Sensors
Cell 11: ECM-I fuse [L57]
Cell 10: Ignition Switch and Fuse Block
Cell 11: Engine Control Sensors
Handling ESD Sensitive Parts Notice
Handling ESD Sensitive Parts Notice
Cell 23: Fuel Controls 3 - Engine Shutoff Solenoid, Fuel Solenoid Driver
Figure 5:

Cell 11: Engine Control Sensors


Object Number: 354269  Size: FS
Power and Grounding Components P42
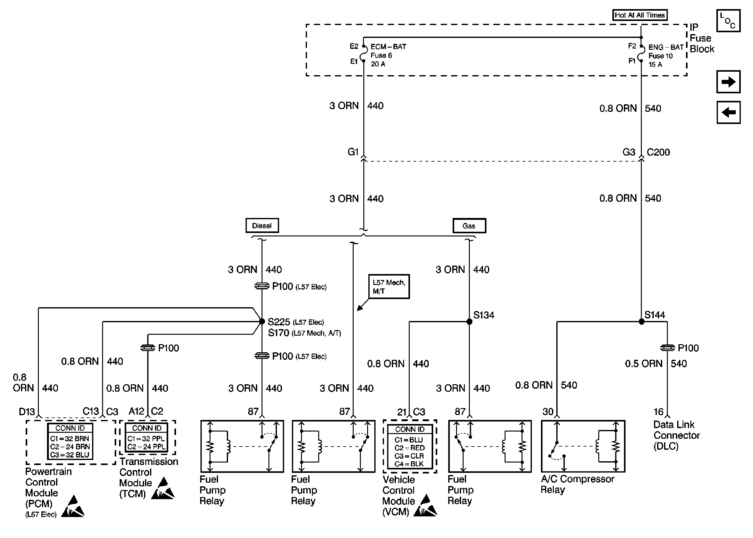
Cell 11: ECM-BAT and ENG-BAT fuses
Cell 11: INSTR LPS, TRANS, and ENG-I fuses
Cell 11: INSTR LPS, TRANS, and ENG-I fuses
Figure 6:

Cell 11: ECM-BAT and ENG-BAT fuses


Object Number: 354272  Size: FS
Power and Grounding Components P42
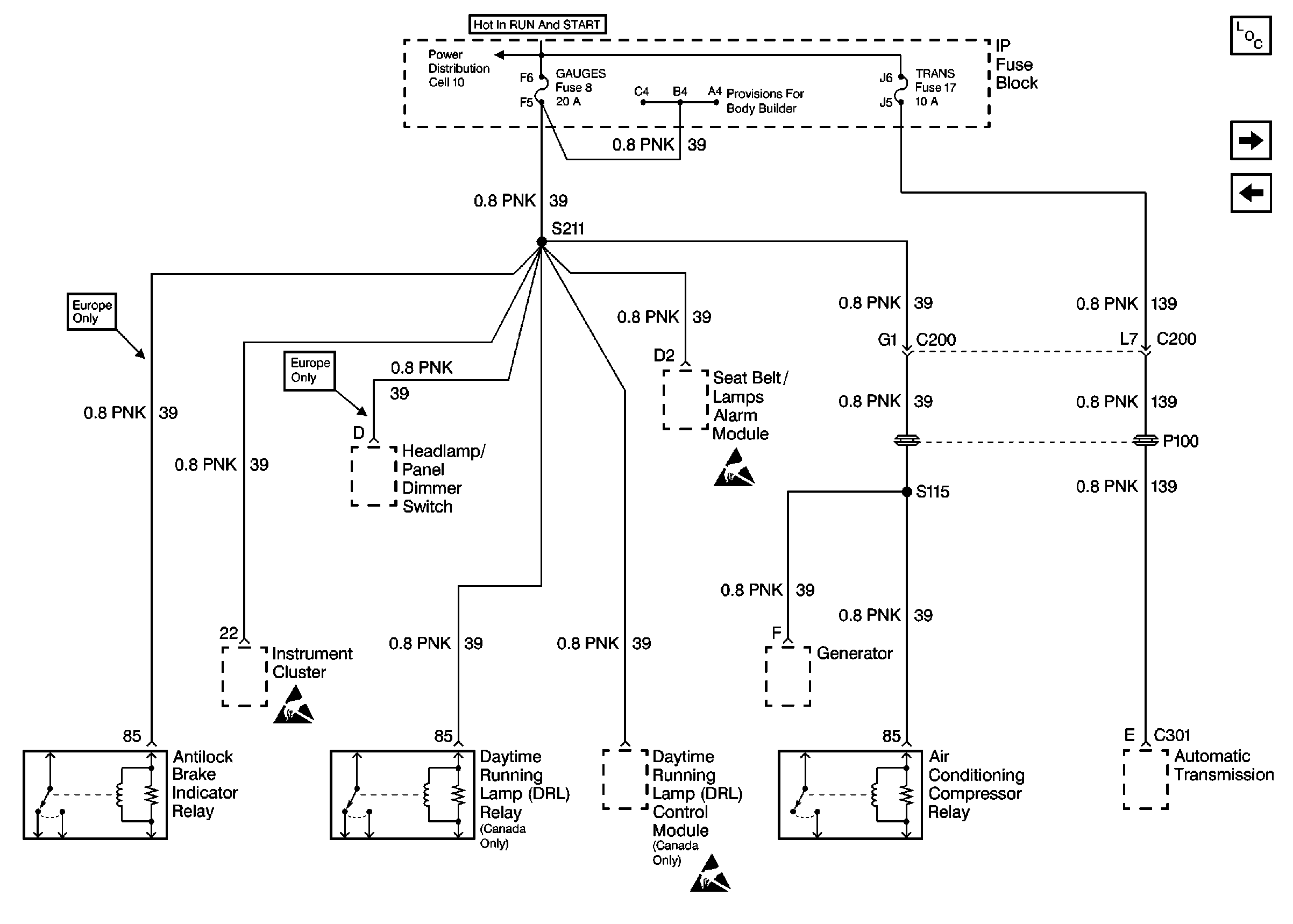
Cell 11: STOP-HAZ, TAIL LPS, and HORN/DM fuses, PWR CKT BRKR 2
Cell 11: Engine Control Sensors
Handling ESD Sensitive Parts Notice
Handling ESD Sensitive Parts Notice
Handling ESD Sensitive Parts Notice
Figure 7:

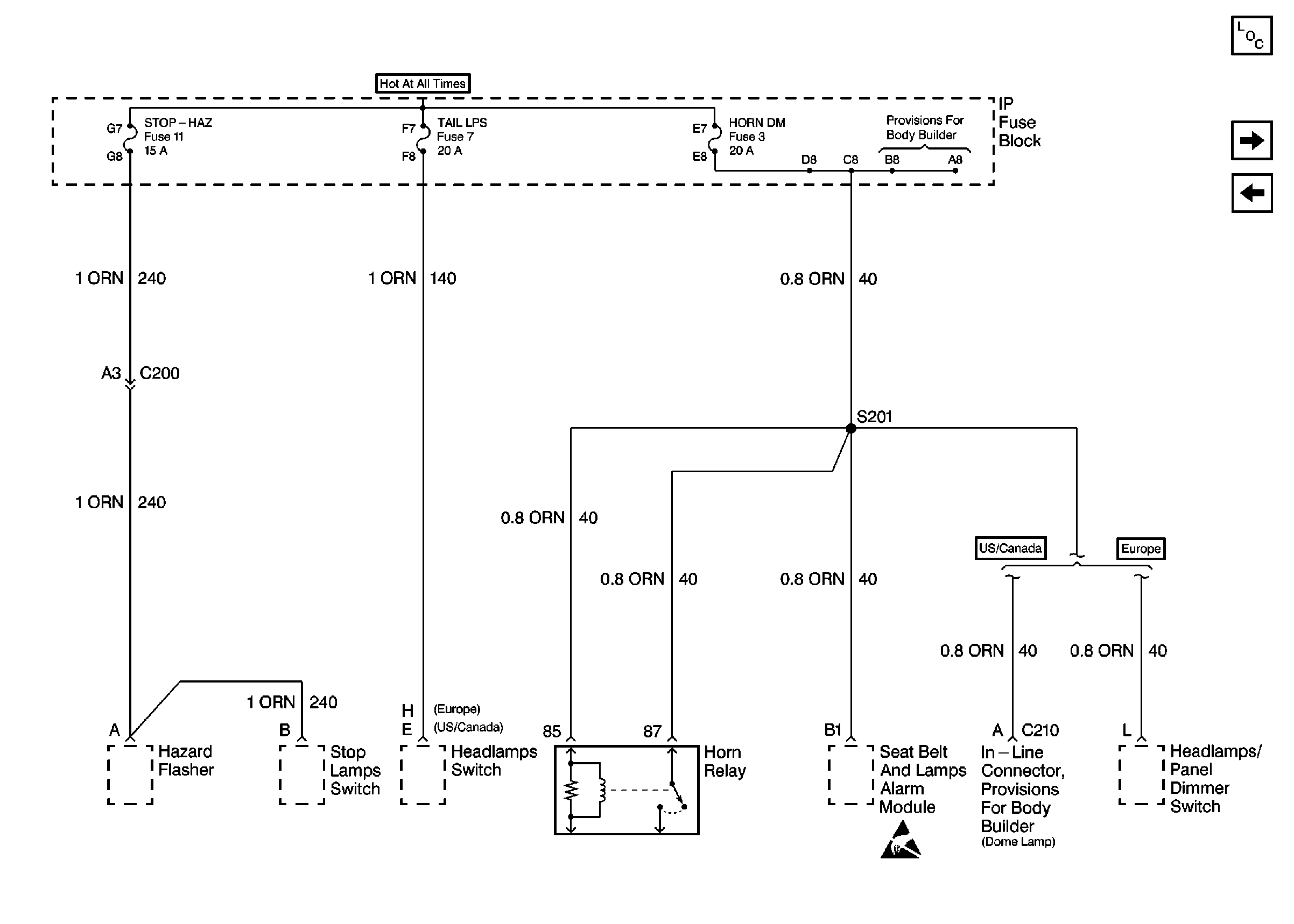
Cell 11: STOP-HAZ, TAIL LPS, and HORN/DM fuses, PWR CKT BRKR 2


Object Number: 354275  Size: FS
Power and Grounding Components P42
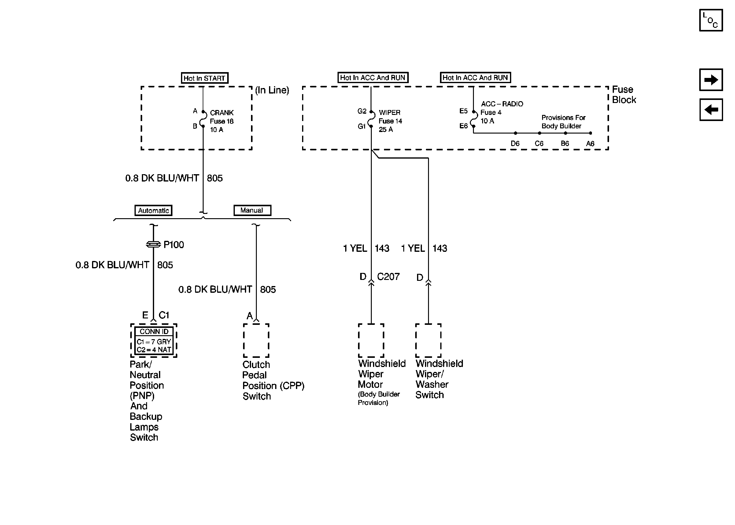
Cell 11: Crank, Wiper, and Acc-Radio fuses
Cell 11: ECM-BAT and ENG-BAT fuses
Handling ESD Sensitive Parts Notice
Figure 8:

Cell 11: Crank, Wiper, and Acc-Radio fuses


Object Number: 354278  Size: FS
Power and Grounding Components P42
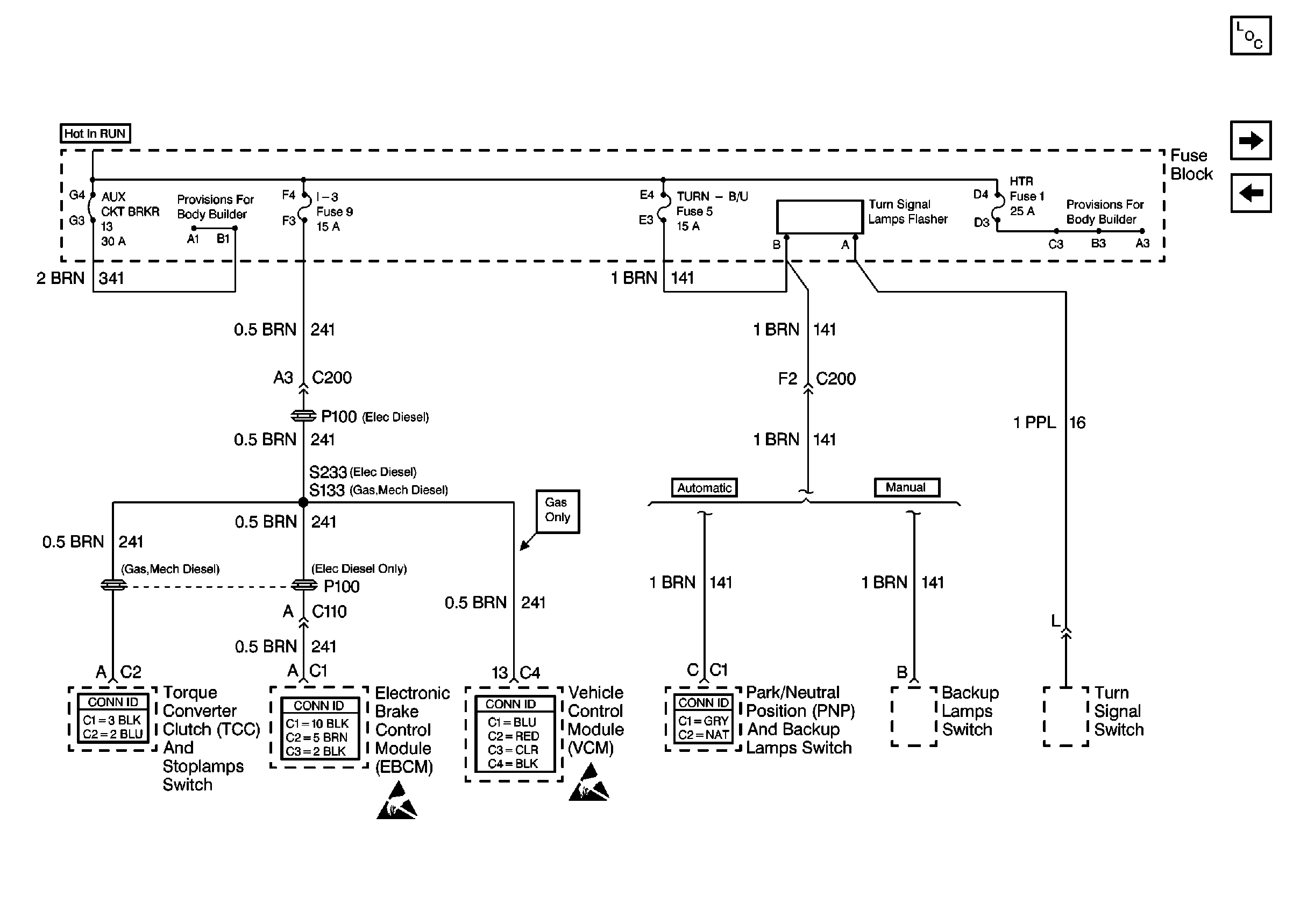
Cell 11: I-3, TURN-B/U, and HTR fuses, AUX CKT BRKR 13
Cell 11: STOP-HAZ, TAIL LPS, and HORN/DM fuses, PWR CKT BRKR 2
Figure 9:

Cell 11: I-3, TURN-B/U, and HTR fuses, AUX CKT BRKR 13


Object Number: 354281  Size: FS
Power and Grounding Components P42
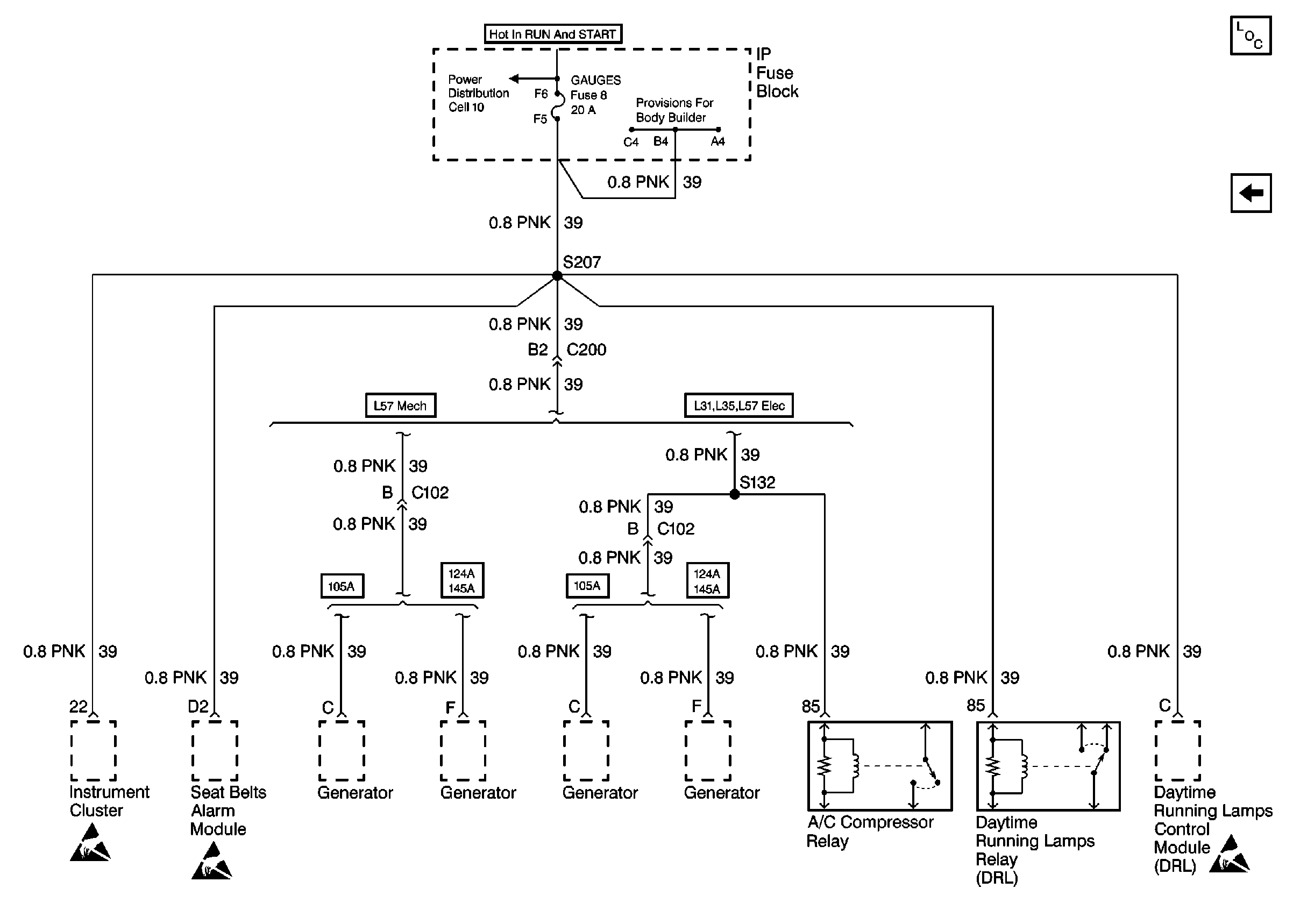
Cell 11: Gauges fuse
Cell 11: Crank, Wiper, and Acc-Radio fuses
Handling ESD Sensitive Parts Notice
Handling ESD Sensitive Parts Notice
Figure 10:

Cell 11: Gauges fuse


Object Number: 354283  Size: FS
Power and Grounding Components P42
Cell 11: I-3, TURN-B/U, and HTR fuses, AUX CKT BRKR 13
Cell 10: Ignition Switch and Fuse Block
Handling ESD Sensitive Parts Notice
Handling ESD Sensitive Parts Notice
Handling ESD Sensitive Parts Notice