GM Service Manual Online
For 1990-2009 cars only
Makes
🢒
Chevrolet
🢒
1999
🢒
Chevy P32 RV/Van Chassis
🢒 Cell 117
Cell 117
Cell 117
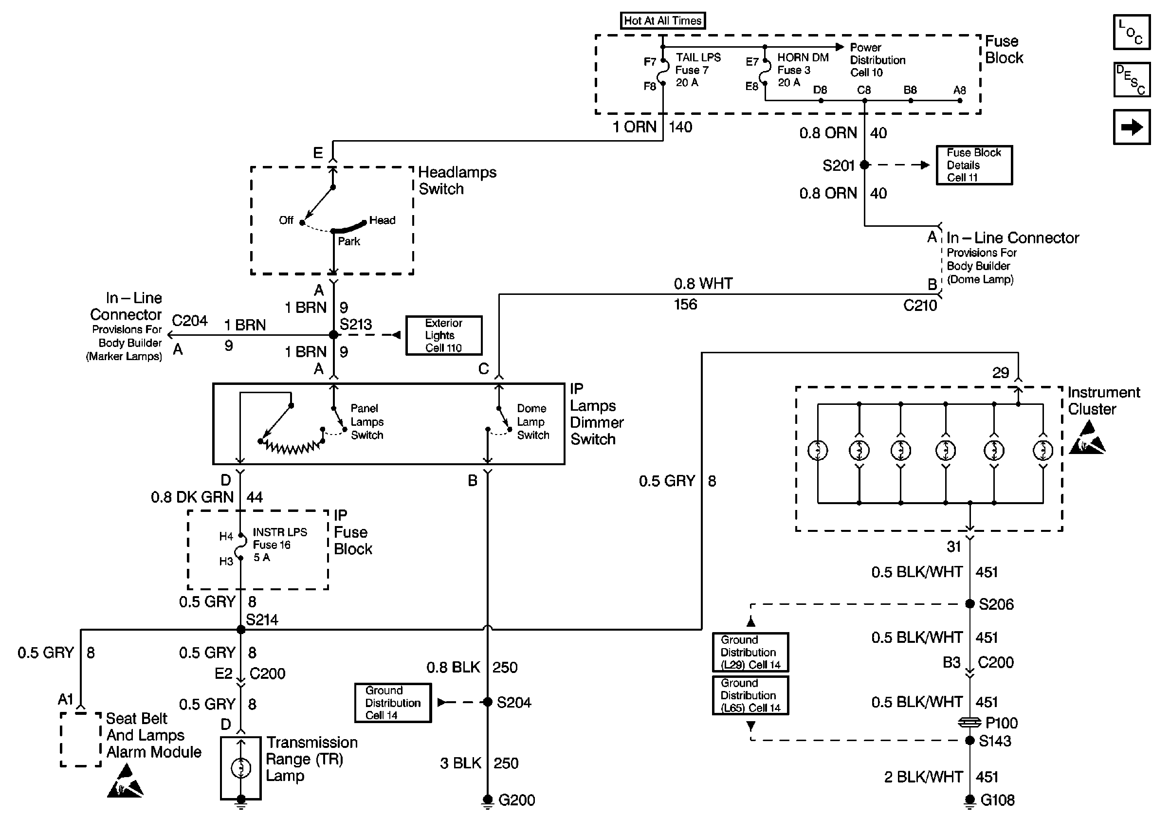
Lighting Systems Components P32
Exterior Lights Circuit Description P32
Cell 117:[Export Only]
Cell 10: Fuse Block
Cell 11: STOP-HAZ, TAIL LPS, and HORN DM fuses
Cell 110: Headlamps Switch and IP Cluster
Handling ESD Sensitive Parts Notice
Handling ESD Sensitive Parts Notice
Cell 14: G200
Cell 14: G108 [L29]
Cell 14: G108 [L65]