GM Service Manual Online
For 1990-2009 cars only
Makes
🢒
Chevrolet
🢒
1999
🢒
Chevy P32 RV/Van Chassis
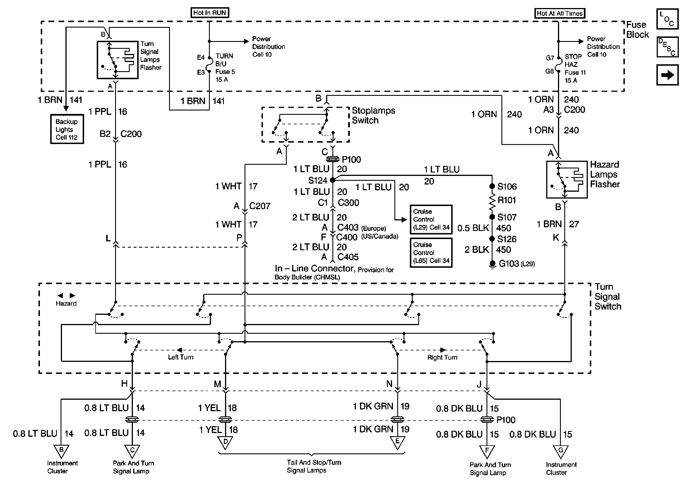
🢒 Cell 110: Turn Signal Switch
Cell 110: Turn Signal Switch
Cell 110: Turn Signal Switch
Lighting Systems Components P32
Exterior Lights Circuit Description P32
Cell 110: Headlamps Switch and IP Cluster
Cell 10: Ignition Switch and Fuse Block
Cell 10: Fuse Block
Cell 112
Cell 34: L29
Cell 34: L65
Cell 110: Headlamps Switch and IP Cluster
Cell 110: Forward Lamps
Cell 110: Rear Lamps
Cell 110: Rear Lamps
Cell 110: Forward Lamps
Cell 110: Headlamps Switch and IP Cluster