GM Service Manual Online
For 1990-2009 cars only
Makes
🢒
Chevrolet
🢒
1999
🢒
Chevy P32 RV/Van Chassis
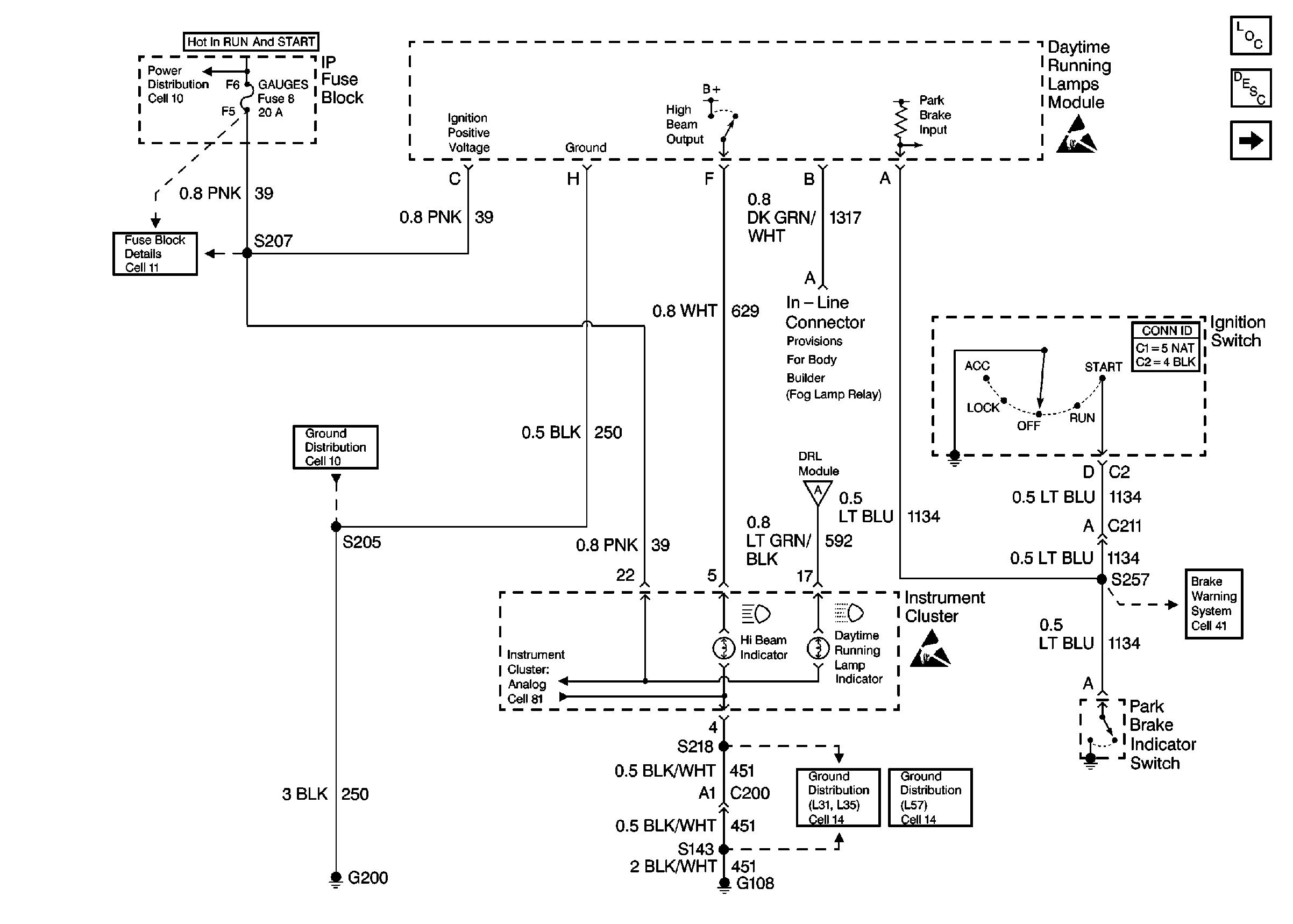
🢒 Cell 102: DRL Indicator
Cell 102: DRL Indicator
Cell 102: DRL Indicator
Lighting Systems Components P42
Exterior Lights Circuit Description P42
Cell 102: Headlamps
Cell 10: Ignition Switch and Fuse Block
Handling ESD Sensitive Parts Notice
Cell 11: Gauges fuse
Cell 14: G200
Cell 14: G108 [L31/L35]
Cell 14: G108 [L57]
Cell 102: Headlamps
Handling ESD Sensitive Parts Notice
Cell 41: Brake Warning System - Canada