GM Service Manual Online
For 1990-2009 cars only
Makes
🢒
Chevrolet
🢒
1999
🢒
Chevy P32 RV/Van Chassis
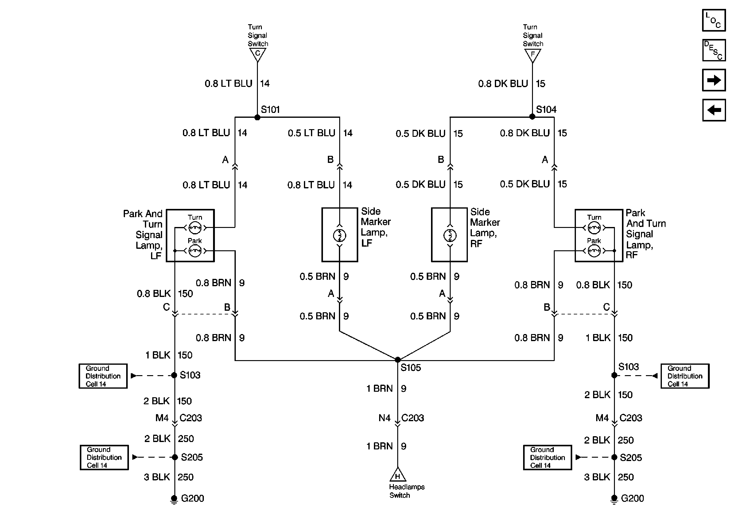
🢒 Cell 110: Forward Lamps
Cell 110: Forward Lamps
Cell 110: Forward Lamps
Lighting Systems Components P42
Exterior Lights Circuit Description P42
Cell 110: Rear Lamps
Cell 110: Headlamps Switch and Turn Signal Indicators
Cell 110: Turn Signal Switch
Cell 110: Turn Signal Switch
Cell 14: S103
Cell 14: G200
Cell 14: S103
Cell 14: G200
Cell 110: Headlamps Switch and Turn Signal Indicators