GM Service Manual Online
For 1990-2009 cars only
Makes
🢒
Chevrolet
🢒
1999
🢒
Chevy P32 RV/Van Chassis
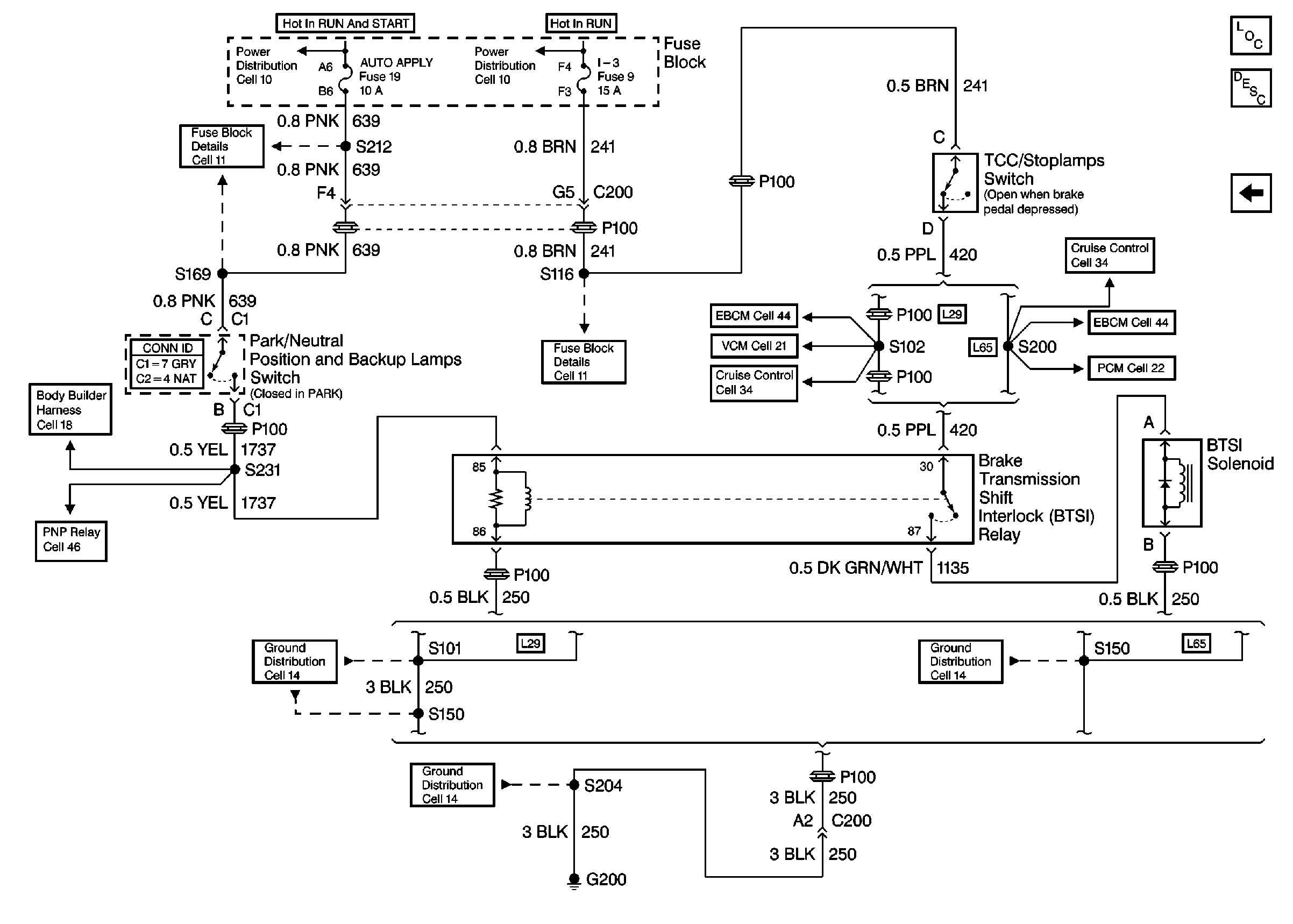
🢒 Cell 138: P32 BTSI Circuit
Cell 138: P32 BTSI Circuit
Cell 138: P32 BTSI Circuit
Tilt Wheel/Column Components P32
Automatic Transmission Shift Lock Control Description
Cell 138: P42 BTSI Circuit
Cell 11: Wiper, Acc-Radio, Crank, Auto Apply, and Instr Lpsfuses
Cell 10: Ignition Switch and Fuse Block
Cell 10: Ignition Switch and Fuse Block
Cell 11: I-3, TURN BU and HTR fuses, PWR CKT BRKR 2 and AUX CKT BRKR13
Cell 44: Gas, ABS Power and Grounding, DLC Output
Cell 21: A/T Controls 1 - Stoplamp/TCC Switch, Internal Solenoids
Cell 34: L29
Cell 34: L65
Cell 44: Diesel, ABS Power and Grounding, DLC Output
Cell 22: A/T Controls 1 - Internal Solenoids, Brake Switches
Cell 14: S150 and S101 [L29]
Cell 14: G200
Cell 14: S150 and S101 [L65]
Cell 41: Park Brake Pump Control
Cell 18: Door Ajar Switch, Dome Lamp, Park Accessory, Low Current, and Horns