GM Service Manual Online
For 1990-2009 cars only
Makes
🢒
Chevrolet
🢒
1999
🢒
Chevy P32 RV/Van Chassis
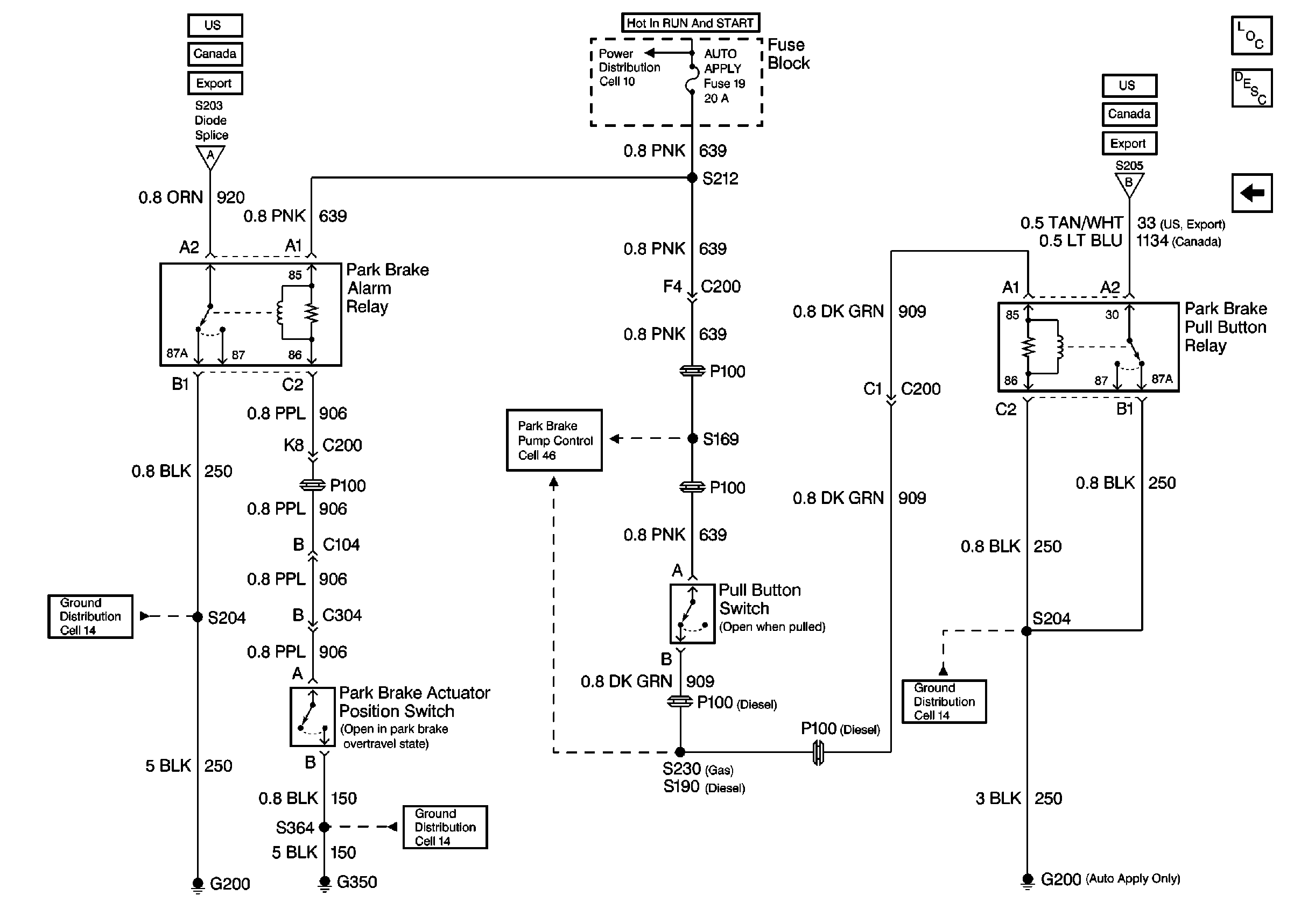
🢒 Cell 41: Auto Apply Relays
Cell 41: Auto Apply Relays
Cell 41: Auto Apply Relays
Hydraulic Brakes Components P32 and Export
Brake Warning System Description P32
Cell 41: Brake Warning System - Export
Cell 41: Brake Warning System - US
Cell 41: Brake Warning System - Canada
Cell 41: Brake Warning System - Export
Cell 10: Ignition Switch and Fuse Block
Cell 41: Brake Warning System - US
Cell 41: Brake Warning System - Canada
Cell 41: Brake Warning System - Export
Cell 14: G200
Cell 41: Park Brake Pump Control
Cell 14: G350, G400, G401, and G402
Cell 14: G200