GM Service Manual Online
For 1990-2009 cars only

Starting and Charging Schematics P32

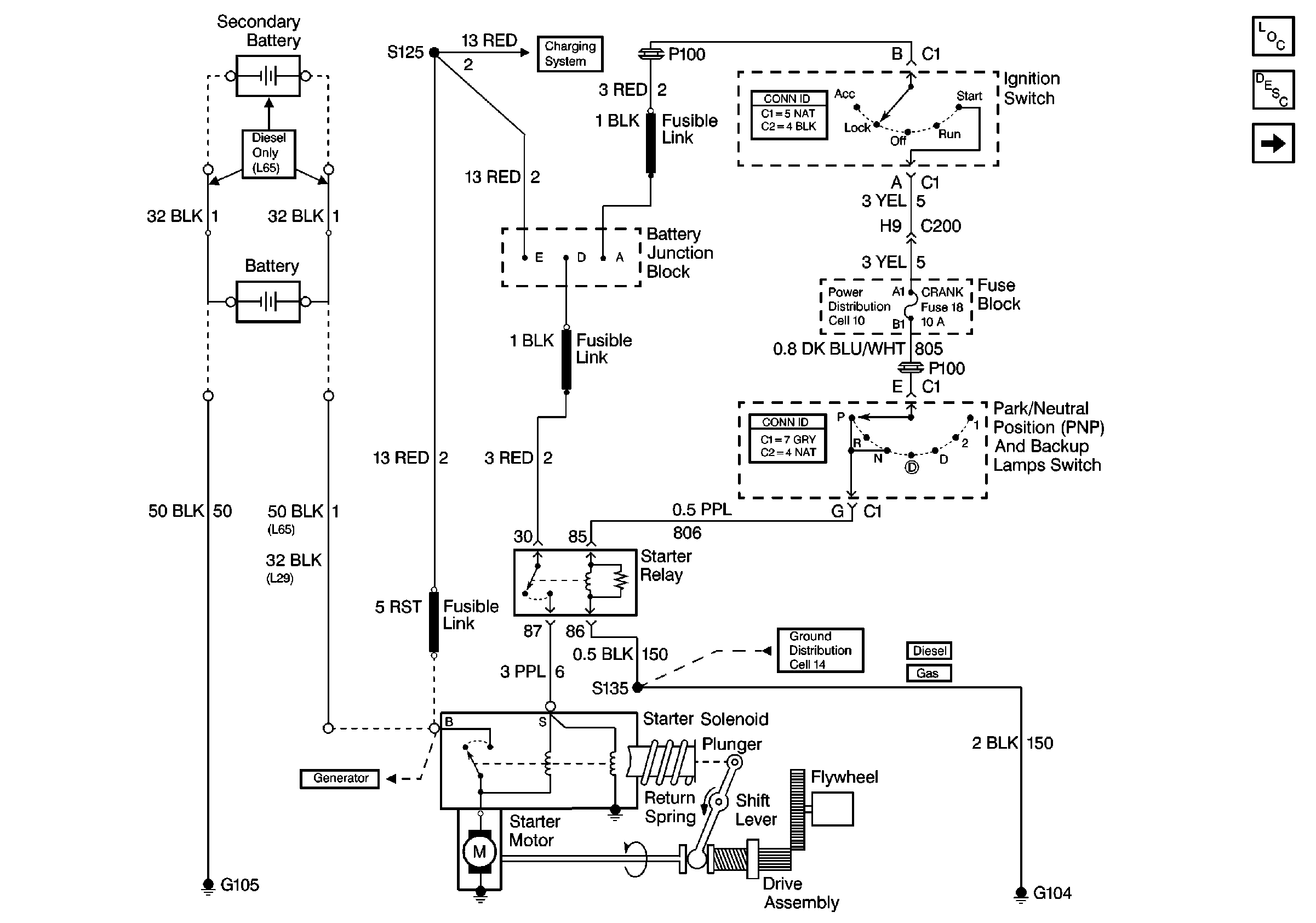
Figure 1:

Starting System


Object Number: 501749  Size: FS
Engine Electrical Components P32
Starting System Circuit Description P32
Charging System
Charging System
Cell 10: Battery, Starter and Junction Block
Cell 14: G104 [L65]
Cell 14: G104 [L29]
Charging System
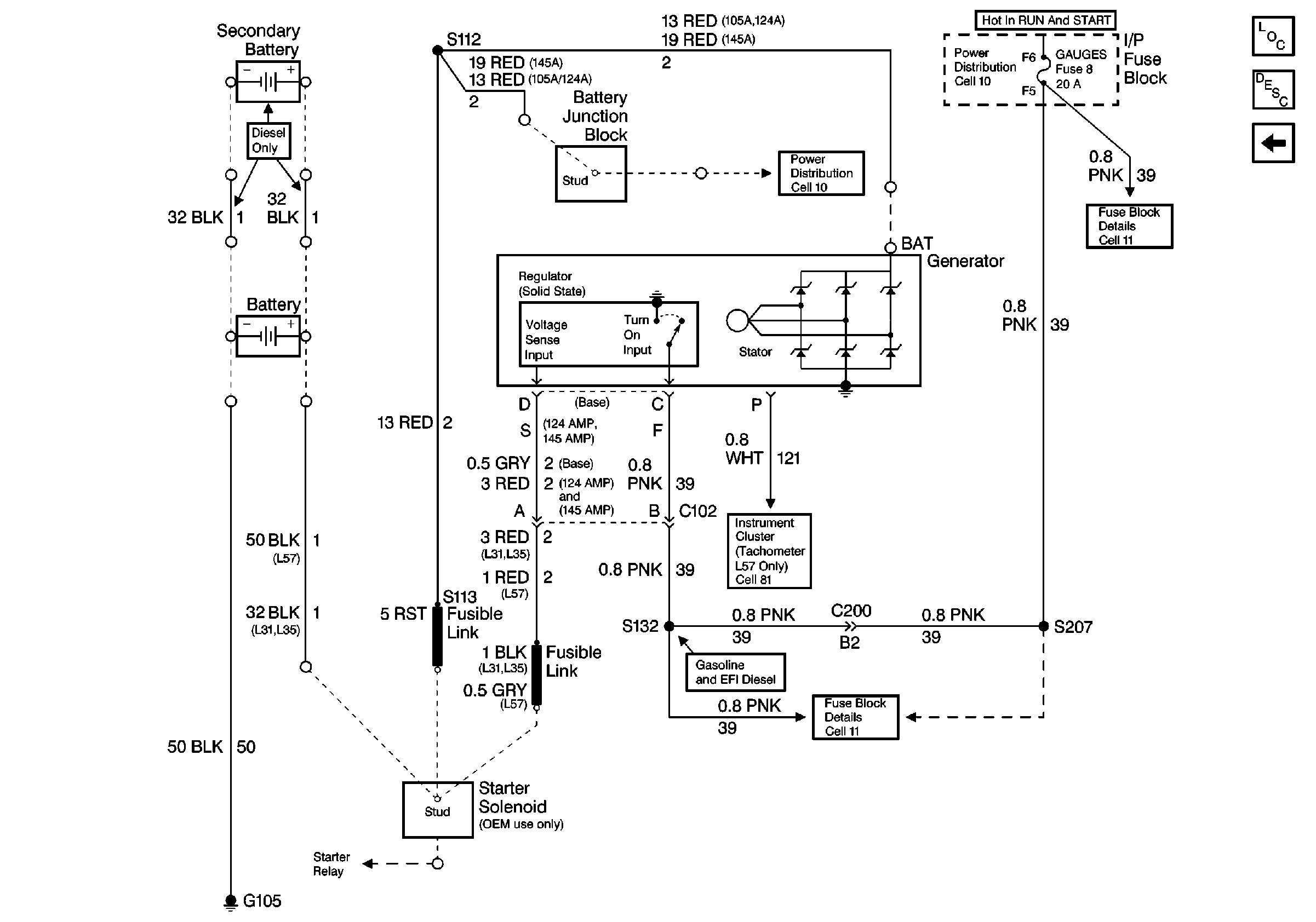
Figure 2:

Charging System


Object Number: 501753  Size: FS
Engine Electrical Components P32
Charging System Circuit Description
Starting System
Starting System
Cell 81: Gauges [L65]
Cell 10: Battery, Starter and Junction Block
Cell 11: GAUGES and TRANS fuses
Cell 11: GAUGES and TRANS fuses

Starting and Charging Schematics P42

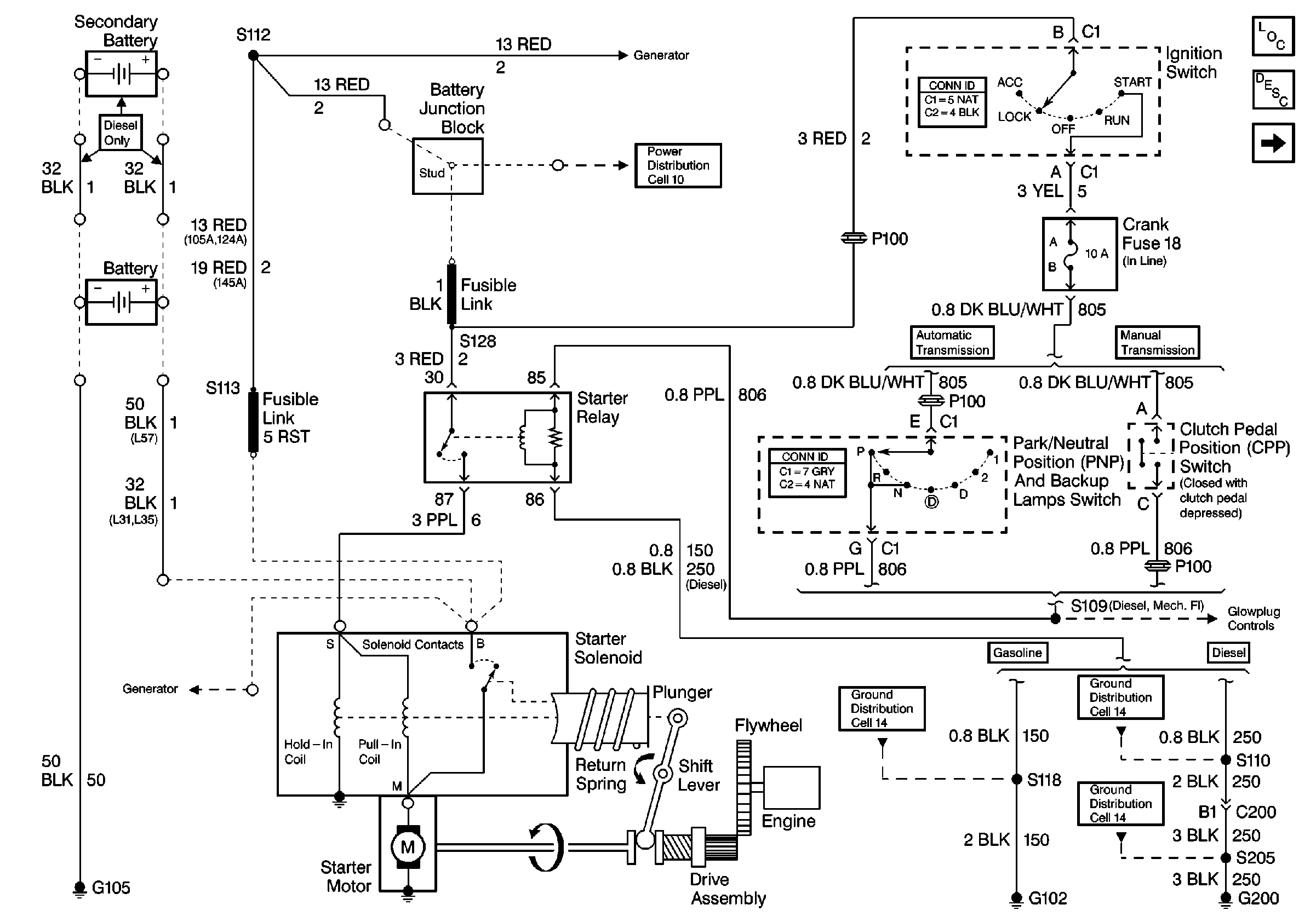
Figure 1:

Starting System


Object Number: 501757  Size: FS
Engine Electrical Components P42
Starting System Circuit Description P42
Charging System
Charging System
Cell 10: Battery, Starter and Junction Block
Cell 10: Ignition Switch and Fuse Block
Fuse Block Schematics P32
Cell 14: G200
Cell 14: G102 [L31/L35]
Charging System
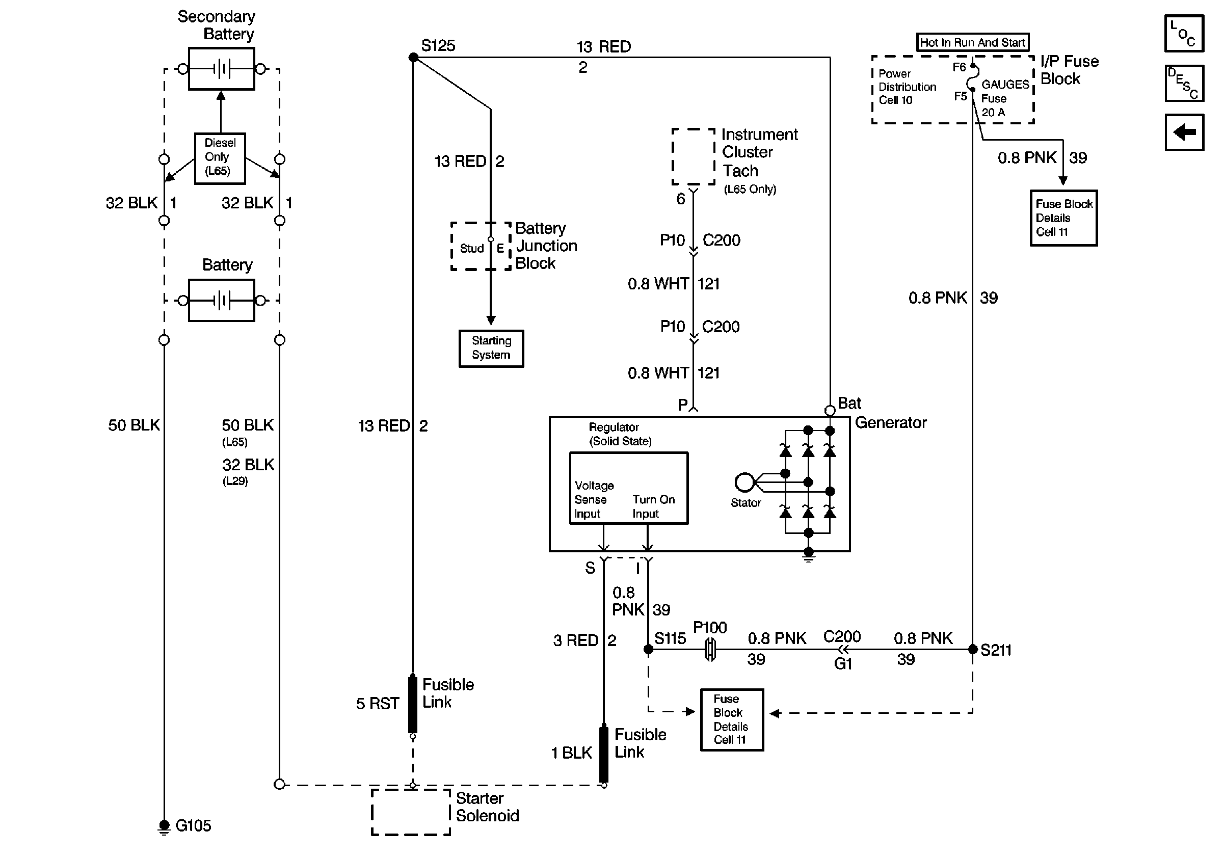
Figure 2:

Charging System


Object Number: 501760  Size: FS
Engine Electrical Components P42
Charging System Circuit Description
Starting System
Cell 10: Battery, Starter and Junction Block
Cell 10: Ignition Switch and Fuse Block
Cell 11: GAUGES fuse
Cell 11: GAUGES fuse
Cell 81: Gauges [L57]
Starting System