GM Service Manual Online
For 1990-2009 cars only

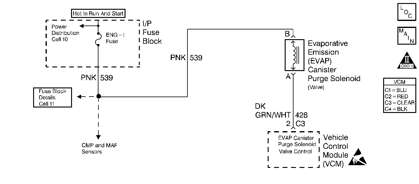
Object Number: 245598  Size: SF
Handling ESD Sensitive Parts Notice
Engine Controls Components
Engine Controls (Cell 20: Engine Data Sensors 3)
OBD II Symbol Description Notice

Circuit Description

The Evaporative System (EVAP) includes the following components:

    • Fuel Tank
    • Fuel Pipes and Hoses
    • Vapor Lines
    • Evaporative Canister
    • Purge Lines
    • EVAP Purge Solenoid

The EVAP Purge Solenoid valve allows manifold vacuum to purge the canister. The Vehicle Control Module (VCM) supplies a ground to energize the solenoid valve (purge "ON"). The EVAP Purge Solenoid control is Pulse Width Modulated (PWM) or turned ON and OFF several times a second. The duty cycle (pulse width) is determined by the engine operating conditions which include engine load, throttle position, engine coolant temperature, and ambient air temperature. The duty cycle is calculated by the VCM and the output is commanded when the appropriate conditions have been met.

There are no EVAP system DTCs.

Diagnostic Aids

When there is continuous purge of the EVAP canister containing fuel vapors, a rich condition with a higher IAC Position value and a lower than normal Long Term Fuel Trim value may be seen. This is similar to a leaking fuel injector.

When there is continuous purge of the EVAP canister not containing fuel vapors (new canister, disconnected purge line, or disconnected vapor lines), a lean condition with a low IAC Position value and a higher than normal Long Term Fuel Trim value may be seen. This is similar to a vacuum leak.

Check for the following:

    • EVAP lines for charcoal contamination
    • Damaged EVAP canister purge solenoid O-ring
    • Cracked or punctured EVAP Canister
    • Blocked air separator
    • Damaged vacuum line, purge line, vent line, or fuel tank vapor lines
    • Poor connection at VCM
    • Damaged harness or connectors

Test Description

Numbers below refer to the step numbers on the Diagnostic Table

  1. Checks to see if a vacuum source is present, along with certain conditions before the purge solenoid is commanded ON. Also shows a change of vacuum as the purge solenoid is being cycled

  2. Checks for power to the solenoid, the ground circuit, the connections at the purge solenoid and the solenoid itself.

  3. Checks for an open or grounded ignition feed circuit.

  4. Checks for an open EVAP canister purge control circuit or faulty control module.

Step

Action

Value(s)

Yes

No

1

Was the Powertrain On-Board Diagnostic (OBD) System Check performed?

--

Go to Step 2

Go to Powertrain On Board Diagnostic (OBD) System Check

2

  1. Set the parking brake and block the drive wheels.
  2. Make sure the engine coolant temperature is greater than the specified value.
  3. Start the engine and allow to idle.
  4. Disconnect the canister purge outlet hose from the EVAP canister purge solenoid and connect a vacuum gauge.
  5. Connect a scan tool and select the EVAP purge solenoid control.
  6. Raise the engine speed to the specified value.
  7. Command the EVAP canister purge solenoid ON using the scan tool.

Is vacuum present when the solenoid is energized?

45°C (113°F)

2000 RPM

Go to Step 6

Go to Step 3

3

  1. Disconnect the EVAP canister purge solenoid harness connector.
  2. Connect a test light between the EVAP canister purge control signal and the ignition feed circuit.
  3. Command the EVAP canister purge solenoid ON using a scan tool.

Is the test light ON?

--

Go to Step 7

Go to Step 4

4

  1. Connect a DMM to chassis ground.
  2. Probe the ignition feed circuit at the EVAP canister purge solenoid connector.

Is the test light ON?

--

Go to Step 5

Go to Step 8

5

  1. Connect a DMM to B+.
  2. Probe the EVAP canister purge control circuit at the VCM.
  3. Command the EVAP purge solenoid ON with the scan tool.

Is the test light ON?

--

Go to Step 9

Go to Step 10

6

Check the purge line to the EVAP canister and repair if necessary.

Was a problem found?

--

Go to Step 13

Go to Diagnostic Aids

7

  1. Check for faulty connections at the EVAP canister purge solenoid.
  2. If a problem is found, repair as necessary. Refer to Wiring Repairs in Wiring Systems.

Was a problem found?

--

Go to Step 13

Go to Step 11

8

Repair the open in the ignition feed circuit. Refer to Wiring Repairs in Wiring Systems.

Is the action complete?

--

Go to Step 13

--

9

Repair the open in the EVAP canister purge control circuit to the EVAP canister purge solenoid. Refer to Wiring Repairs in Wiring Systems.

Is the action complete?

--

Go to Step 13

--

10

  1. Check for a faulty connection at the VCM.
  2. If a problem is found, repair as necessary. Refer to Wiring Repairs in Wiring Systems.

Was a problem found?

--

Go to Step 13

Go to Step 12

11

Replace the EVAP canister purge solenoid. Refer to EVAP Canister Purge Solenoid Valve Replacement .

Is the action complete?

--

Go to Step 13

--

12

  1. Replace the VCM.
  2. Program the new VCM. Refer to VCM Replacement/Programming .
  3. Perform the CKP System Variation Learn Procedure. Refer to Crankshaft Position System Variation Learn .

Is the action complete?

--

Go to Step 13

--

13

  1. Turn ON the ignition leaving the engine OFF.
  2. Use a scan tool to command the EVAP Canister Purge Solenoid ON and OFF.

Does the EVAP Canister Purge Solenoid operate properly?

--

System OK

Go to Step 2