GM Service Manual Online
For 1990-2009 cars only

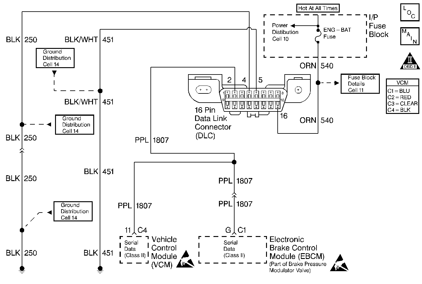
Object Number: 230455  Size: MF
Handling ESD Sensitive Parts Notice
Handling ESD Sensitive Parts Notice
Engine Controls Components
Engine Controls (Cell 20: Power and Ground)
OBD II Symbol Description Notice

Circuit Description

The Class II Serial Data Circuit is used to communicate between systems. Each system connected to the Class II Serial Data line is assigned its own recognition code (address). This code is used to identify which module or systems are communicating. The Node Alive or State of Health (SOH) messages are broadcast on the bus every two seconds. If a module is monitoring Node Alive messages for that module, it will reset its 5 second timer for that particular module. Any system that cannot communicate properly will also store the appropriate communication DTCs that are assigned to the system(s) it could not communicate with.

Conditions for Setting the DTC

    • The VCM has established communications, received Node Alive/SOH messages, during this ignition cycle with the EBCM.
    • The VCM cannot re-establish communications, no Node Alive/SOH messages received, with the EBCM for 5 seconds.

Action Taken When the DTC Sets

    • A DTC U1041 is stored in the VCM memory
    • The VCM will not illuminate the MIL

Conditions for Clearing the MIL/DTC

    • This DTC requires an ignition cycle in order to change from Current to History
    • The VCM receives a Node Alive/SOH message back from the EBCM
    • A history DTC will clear after 40 consecutive ignition cycles if the condition for the malfunction is no longer present
    • The DTCs can be cleared using a scan tool

Diagnostic Aids

Important: Do not clear the DTCs unless directed by a diagnostic procedure. Clearing the DTCs will also clear valuable Freeze Frame and Failure Records information.

    • Check for published service bulletins relating to the exhibited symptoms or component operation.
    • Inspect all related wiring and connections, including the connections at the VCM and the EBCM. These connections may cause an intermittent malfunction.
    • Thoroughly check any circuit that can cause an intermittent complaint for the listed items:
       - Backed out terminals
       - Improper mating of connectors
       - Broken connector locks
       - Improperly formed or damaged terminals
       - Poor terminal to wiring connections
       - Physical damage to the wiring harness
       - Corroded terminals or connections
    • If the Class II Serial Data line is shorted to ground or shorted to voltage, all the modules or systems connected to the Class II Serial Data line will not be able to communicate properly. These systems or modules are capable of storing loss of communications DTCs (DTCs with the letter U as a prefix) in their memory. If a DTC U1041 is stored in the VCM memory, check for the same DTC stored in the Active Transfer Case (ATC) Control Module. The ATC Control Module also monitors the Node Alive/SOH message from the EBCM. If the ATC Control Module has a DTC U1041 stored, check the EBCM for an intermittent malfunction. If the ATC Control Module has a DTC U1041 stored, check for an open in the Class II Serial Data circuit between the VCM and the EBCM. The VCM must also be checked for intermittent operation due to a loss of power or ground to the VCM itself. After repairing the cause of a DTC U1041, clear all DTCs form all systems capable of storing this DTC.
    • The scan tools Diagnostic Circuit Check can be used to:
       - Monitor the Class II Serial Data circuit for Node Alive/SOH messages
       - Monitor the loss of communications DTCs (DTCs with the letter U as a prefix)
       - Clear the loss of communication DTCs
    • The scan tools Diagnostic Circuit Check status of ACTIVE indicates that the module is communicating with the scan tool. An INACTIVE status indicates that the module previously communicated with the scan tool, but is not communicating currently. If a module is not listed at all, the module never successfully established communications with the scan tool. Refer to Data Link Communications System Check in Wiring Systems for any unlisted modules.

Test Description

The numbers below refer to the step numbers on the diagnostic table.

  1. This test checks is communications can be established between the scan tool and the EBCM. If the scan tool cannot communicate with the EBCM, refer to the EBCM System Check.

  2. This test determines if DTC U1041 is set due to a loss of communications with the VCM or the EBCM. The ATC Control Module also communicates with the EBCM. If a DTC U1041 is stored in the ATC Control Module memory, the EBCM must be diagnosed first.

  3. This test checks for any opens in the serial data circuit between the VCM and the EBCM. It also checks for any intermittent malfunctions associated with the serial data line.

  4. Use a scan tool to clear and check for any DTCs in all the modules connected to the Class II Serial Data circuit (VCM, ATC, and EBCM).

DTC U1041 Loss of Electronic Brake Control Module (EBCM) Communications

Step

Action

Value(s)

Yes

No

1

Important: Use the scan tool to store the failed DTC information. This information will be erased when the Clear DTC function is used.

Was the Powertrain On-Board Diagnostic (OBD) System Check performed?

--

Go to Step 2

Go to Powertrain On Board Diagnostic (OBD) System Check

2

  1. Install the scan tool.
  2. Turn On the ignition leaving the engine OFF.
  3. Attempt to establish communications with the EBCM.

Does the scan tool communicate with the EBCM?

--

Go to Step 3

Go to Diagnostic System Check in Antilock Brake System

3

  1. Select EBCM functions using a scan tool.
  2. Check for a DTC U1041.

Is DTC U1041 stored in the ATC memory?

--

Go to Diagnostic System Check in Antilock Brake System

Go to Step 4

4

Check the Class II Serial Data circuit for the following intermittent conditions:

    • An open in the Class II Serial Data circuit between the VCM and the ATC Control Module
    • A short to ground
    • A short to voltage
    • Loose or damaged terminals at the DLC, VCM, or the ATC

Was a problem found?

--

Go to Step 8

Go to Step 5

5

  1. Turn OFF the ignition.
  2. Connect or install any connectors or components that were disconnected or removed.
  3. Clear all DTCs using a scan tool.
  4. Turn OFF the ignition for 15 seconds.
  5. Turn ON the ignition leaving the engine OFF.

Does DTC U1041 reset?

--

Go to Step 6

Go to Step 7

6

  1. Replace the VCM.
  2. Program the new VCM. Refer to VCM Replacement/Programming .
  3. Perform the Crankshaft Variation Learn Procedure. Refer to Crankshaft Position System Variation Learn .

Is the action complete?

--

Go to Step 8

--

7

This DTC is intermittent.

Are any additional DTCs stored?

--

Go to the applicable DTC table

Go to Diagnostic Aids

8

  1. Turn OFF the ignition.
  2. Connect or install any connectors or components that were disconnected or removed.
  3. Clear all DTCs using a scan tool.

Are any new DTCs displayed?

--

Go to Powertrain On Board Diagnostic (OBD) System Check

System OK