GM Service Manual Online
For 1990-2009 cars only

Refer to

Cell 23: Sensors


Object Number: 197612  Size: FS
Engine Controls Components L57 MFI
Cell 23: PCM, Electronic Accelerator Pedal Control
Cell 23: PCM And Injector Pump
OBD II Symbol Description Notice
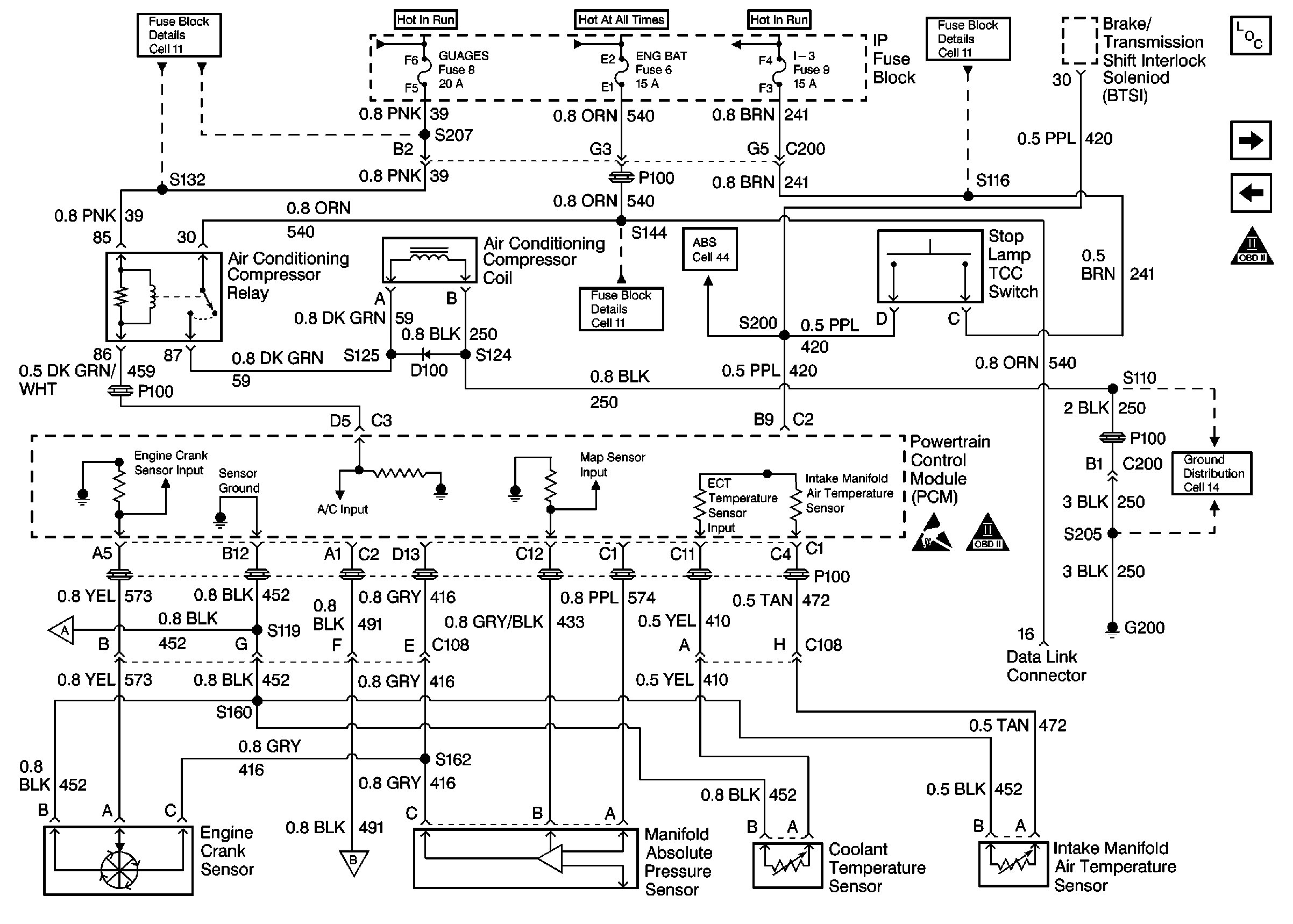
Schematic

Circuit Description

The PCM uses the Baro sensor to monitor atmospheric pressure and then sends a signal back to the PCM. The PCM receives this signal and then calculates fuel delivery.

Conditions for Setting the DTC

    • The PCM performs this DTC diagnostic continuously.
    • The Baro Pressure signal is less than 0.78 volts (40 kPa).
    • All diagnostic set conditions met for 2 seconds.

Action Taken When the DTC Sets

    • The PCM illuminates the Malfunction Indicator Lamp (MIL) on the second consecutive drive trip that the diagnostic runs and fails.
    • The PCM records the operating conditions at the time the diagnostic fails. The first time the diagnostic fails, the Failure Records will store this information. If the diagnostic reports a failure on the second consecutive drive trip, the Freeze Frame records the operating conditions at the time of failure and updates the Failure Records.

Conditions for Clearing the MIL/DTC

    • The PCM will turn the MIL off after three consecutive trips without a fault condition.
    • A History DTC will clear when forty consecutive warm-up cycles that the diagnostic does not fail (coolant temperature has risen 5°C (40°F) from start up coolant temperature and engine coolant temperature exceeds 71°C (160°F) that same ignition cycle.
    • Use of a Scan Tool

Diagnostic Aids

A malfunctioning Baro sensor can cause excessive smoke at high altitudes.

An intermittent condition may be caused by the following:

    • Poor connections.
    • A rubbed through wire insulation.
    • A broken wire inside of the insulation.

Test Description

Number(s) below refer to the step number(s) on the Diagnostic Table.

  1. This step will determine if DTC P0107 is the result of a hard failure or an intermittent condition.

  2. This step simulates conditions for a DTC P0108. If the PCM recognizes the change, the PCM and signal circuit are OK.

  3. In this step, components that share the 5 volt reference can cause the reference voltage to be shorted to ground. This can be checked by disconnecting each component that shares the 5 volt reference one at a time, including the PCM while checking for continuity on that circuit to chassis ground.

Step

Action

Value(s)

Yes

No

1

Important: Before clearing any DTCs, use the scan tool Capture Info function to save Freeze Frame and Failure records for reference. The control module's data is deleted once the Clear Info function is used.

Did you perform the Powertrain On-Board Diagnostic (OBD) system check?

--

Go to Step 2

Go to Powertrain On Board Diagnostic (OBD) System Check

2

  1. Connect a scan tool.
  2. Start the engine and let the engine idle.
  3. Observe the Baro sensor display on the scan tool

Does the scan tool display the Baro sensor less than or equal to the specified value?

40 kPa

Go to Step 3

Go to Step 5

3

  1. Turn the ignition OFF.
  2. Disconnect the Baro sensor electrical connector.
  3. Jumper the Baro sensor 5 volt reference to the Baro sensor signal circuit at the harness.
  4. Turn the ignition ON.

Does the scan tool display the Baro sensor greater than or equal to the specified value?

202 kPa

Go to Step 6

Go to Step 4

4

  1. Turn the ignition OFF.
  2. The Baro sensor still disconnected.
  3. Remove the jumper wire.
  4. Probe the Baro sensor signal circuit at the harness with a J 35616-200 unpowered test lamp connected to B+.
  5. Turn the ignition ON.

Does the scan tool display the Baro sensor greater than or equal to the specified value?

202 kPa

Go to Step 8

Go to Step 7

5

The DTC is intermittent. If no additional DTCs are stored, refer to Diagnostic Aids. If additional DTCs are stored, refer to those table(s) first.

Are any additional DTCs stored?

--

Go to the Applicable DTC Table

Go to Diagnostic Aids

6

  1. Check for a proper connection at the Baro sensor.
  2. If a problem is found, repair as necessary. Refer to Wiring Repairs in Wiring Systems.

Did you perform a repair?

--

Go to Step 13

Go to Step 10

7

  1. Check for the following in the Baro sensor signal circuit.
  2. • An open.
    • A short to ground.
  3. If a problem is found, repair as necessary. Repair as necessary.

Did you perform a repair?

--

Go to Step 13

Go to Step 11

8

  1. Check for an open in the Baro sensor 5 volt reference circuit.
  2. If a problem is found, repair as necessary. Refer to Wiring Repairs in Wiring Systems.

Did you perform a repair?

--

Go to Step 13

Go to Step 9

9

  1. Check for a short to ground in the Baro sensor 5 volt reference circuit.
  2. If a problem is found, repair as necessary. Refer to Wiring Repairs in Wiring Systems.

Did you perform a repair?

--

Go to Step 13

Go to Step 12

10

Replace the Baro sensor.

Is the action complete?

--

Go to Step 13

--

11

  1. Check the terminal connectors at the PCM for a proper connections.
  2. If a problem is found, repair as necessary. Refer to Wiring Repairs in Wiring Systems.

Did you perform a repair?

--

Go to Step 13

Go to Step 12

12

Replace the PCM.

Important: The new PCM must be programmed. Refer to Powertrain Control Module Replacement/Programming .

Is the action complete?

--

Go to Step 13

--

13

  1. Using the scan tool, clear the DTCs.
  2. Start engine.
  3. Allow the engine to idle until the engine reaches the normal operating temperature.
  4. Select DTC and the Specific DTC function.
  5. Enter the DTC number that was set.
  6. Operate the vehicle within the Conditions for Setting this DTC until the scan tool indicates the diagnostic Ran.

Does the scan tool indicate the diagnostic Passed?

--

Go to Step 14

Go to Step 2

14

Does the scan tool display any additional undiagnosed DTCs?

--

Go to the Applicable DTC Table

System OK