GM Service Manual Online
For 1990-2009 cars only
Makes
🢒
Chevrolet
🢒
1998
🢒
Chevy P42 Commercial Chassis
🢒
Body and Accessories
🢒
Cruise Control
🢒 Cruise Control Schematics
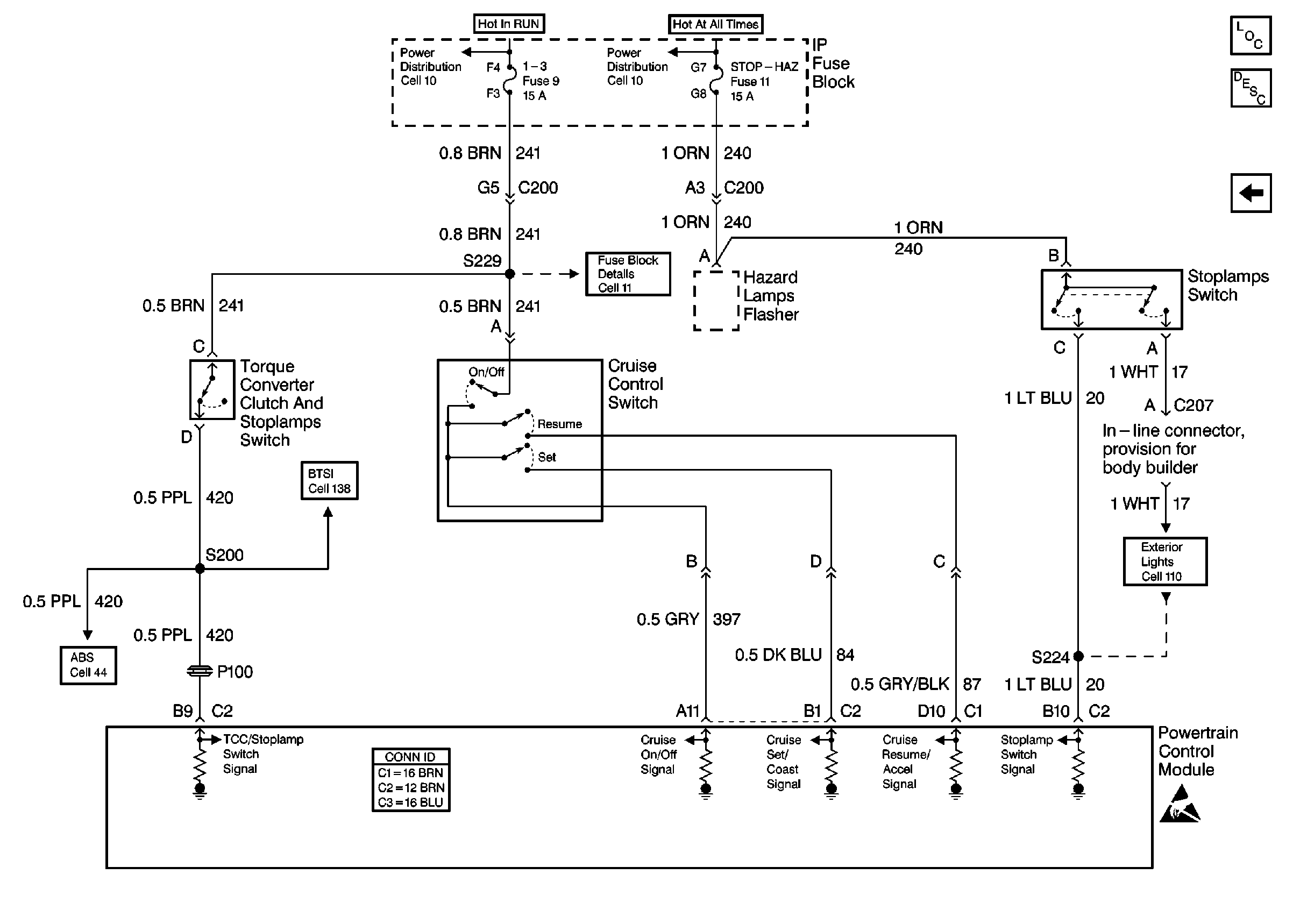
Figure
1:
Cell 34: L29
Cruise Control Components
Cell 34: L65
Cell 10: Ignition Switch and Fuse Block
Cell 10: Fuse Block
Antilock Brake System Schematics
Engine Controls (Cell 21: Power and Ground)
Engine Controls (Cell 21: A/T Controls 2)
Antilock Brake System Schematics
Cell 138: P32 BTSI Circuit
Cell 110: Turn Signal Switch
Cell 14: G108 [L57]
Cell 14: S110 [L31/L35]
Handling ESD Sensitive Parts Notice
Handling ESD Sensitive Parts Notice
Figure
2:
Cell 34: L65
Cruise Control Components
Cell 34: L29
Cell 10: Ignition Switch and Fuse Block
Cell 10: Fuse Block
Cell 11: I-3, TURN BU and HTR fuses, PWR CKT BRKR 2 and AUX CKT BRKR13
Antilock Brake System Schematics
Cell 138: P32 BTSI Circuit
Cell 110: Turn Signal Switch
Handling ESD Sensitive Parts Notice