GM Service Manual Online
For 1990-2009 cars only
Makes
🢒
Chevrolet
🢒
1998
🢒
Chevy P42 Commercial Chassis
🢒 Engine Controls (Cell 20:Engine Data Sensors 2)
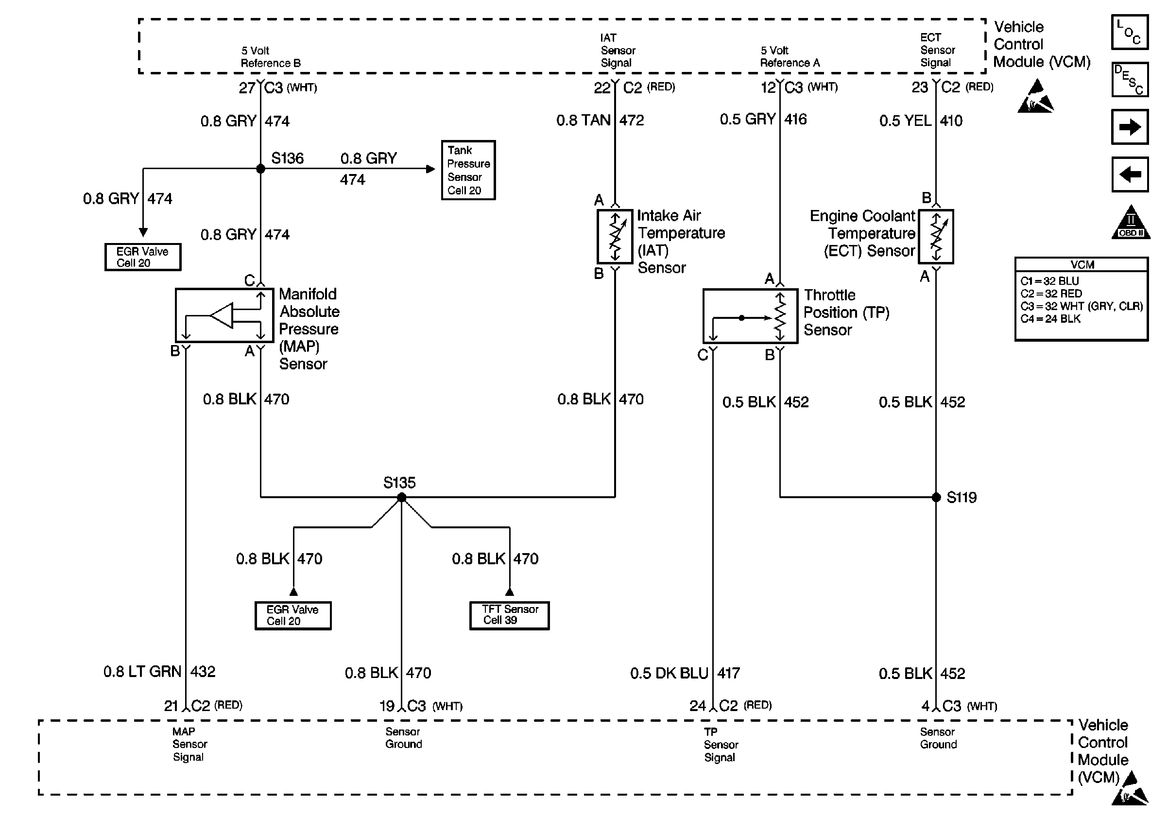
Engine Controls (Cell 20:Engine Data Sensors 2)
Engine Controls (Cell 20: Engine Data Sensors 2)
Engine Controls Components
Engine Controls (Cell 20: Engine Data Sensors 3)
Engine Controls (Cell 20: Engine Data Sensors 1)
OBD II Symbol Description Notice
ESD Notice
ESD Notice