GM Service Manual Online
For 1990-2009 cars only

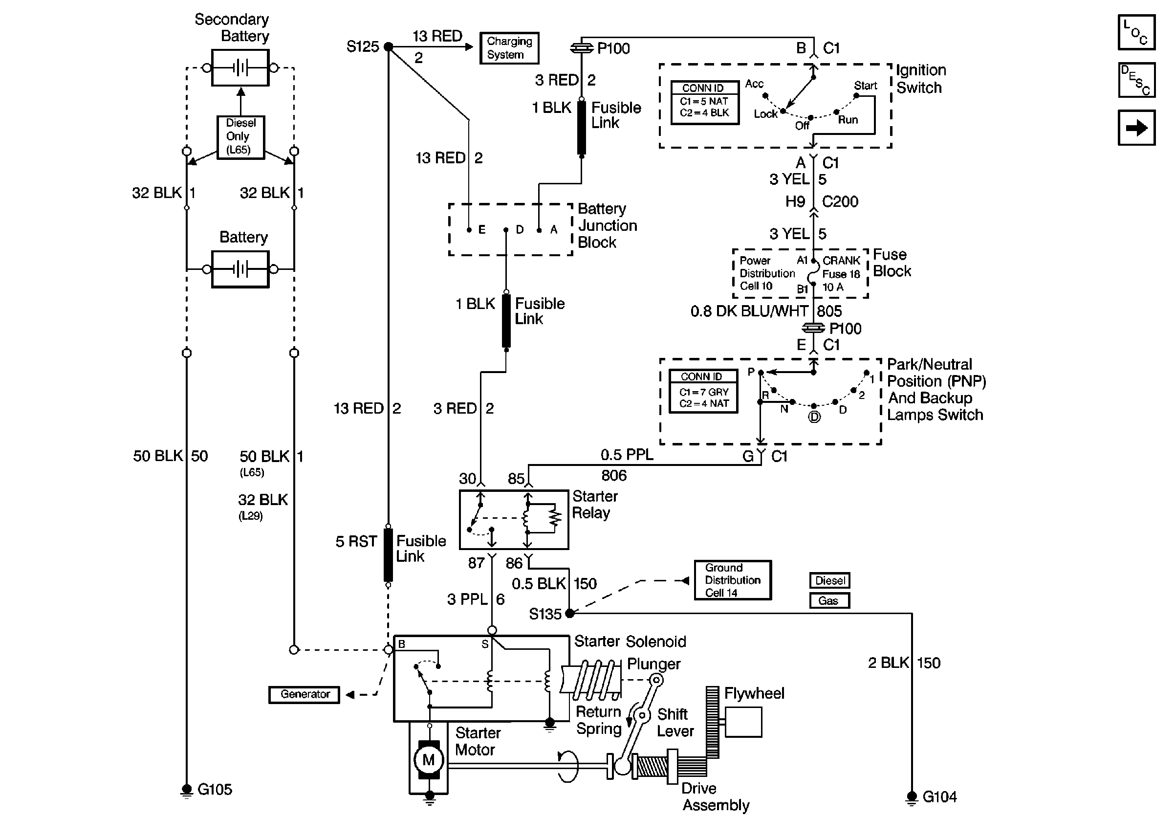
Starting and Charging Schematics P32

Figure 1:

Starting System


Object Number: 387940  Size: FS
Engine Electrical Components P32
Starting System Circuit Description P32
Charging System
Charging System
Cell 10: Ignition Switch and Fuse Block
Cell 14: G104 [L65]
Cell 14: G104 [L29]
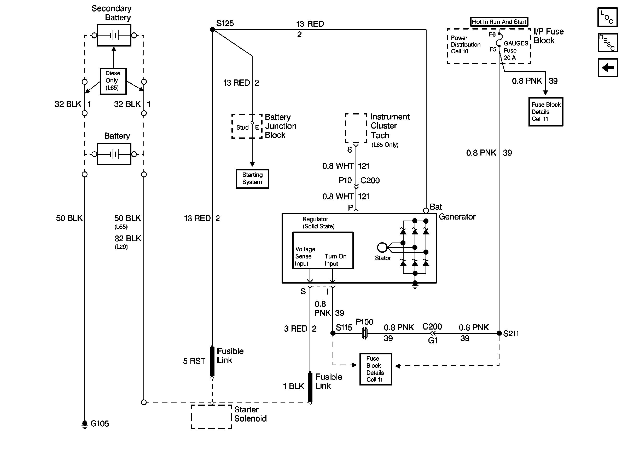
Charging System
Figure 2:

Charging System


Object Number: 387942  Size: FS
Engine Electrical Components P32
Charging System Circuit Description
Starting System
Starting System
Cell 81: Gauges [L65]
Cell 10: Ignition Switch and Fuse Block
Cell 11: GAUGES and TRANS fuses
Cell 11: GAUGES and TRANS fuses

Starting and Charging Schematics P42

Figure 1:

Starting System


Object Number: 387946  Size: FS
Engine Electrical Components P42
Starting System Circuit Description P42
Charging System
Charging System
Cell 10: Battery, Starter, and Junction Block
Cell 10: Ignition Switch and Fuse Block
Cell 14: S110 [L57]
Cell 14: G200
Cell 14: G102 [L31/L35]
Charging System
Figure 2:

Charging System


Object Number: 387951  Size: FS
Engine Electrical Components P42
Charging System Circuit Description
Starting System
Cell 10: Battery, Starter, and Junction Block
Cell 10: Ignition Switch and Fuse Block
Cell 11: Gauges fuse
Cell 11: Gauges fuse
Cell 81: Gauges [L57]
Starting System