GM Service Manual Online
For 1990-2009 cars only

Refer to

Cell 20: Power and Grounding


Object Number: 371532  Size: FS
Engine Controls Components
Vehicle Control Module Description
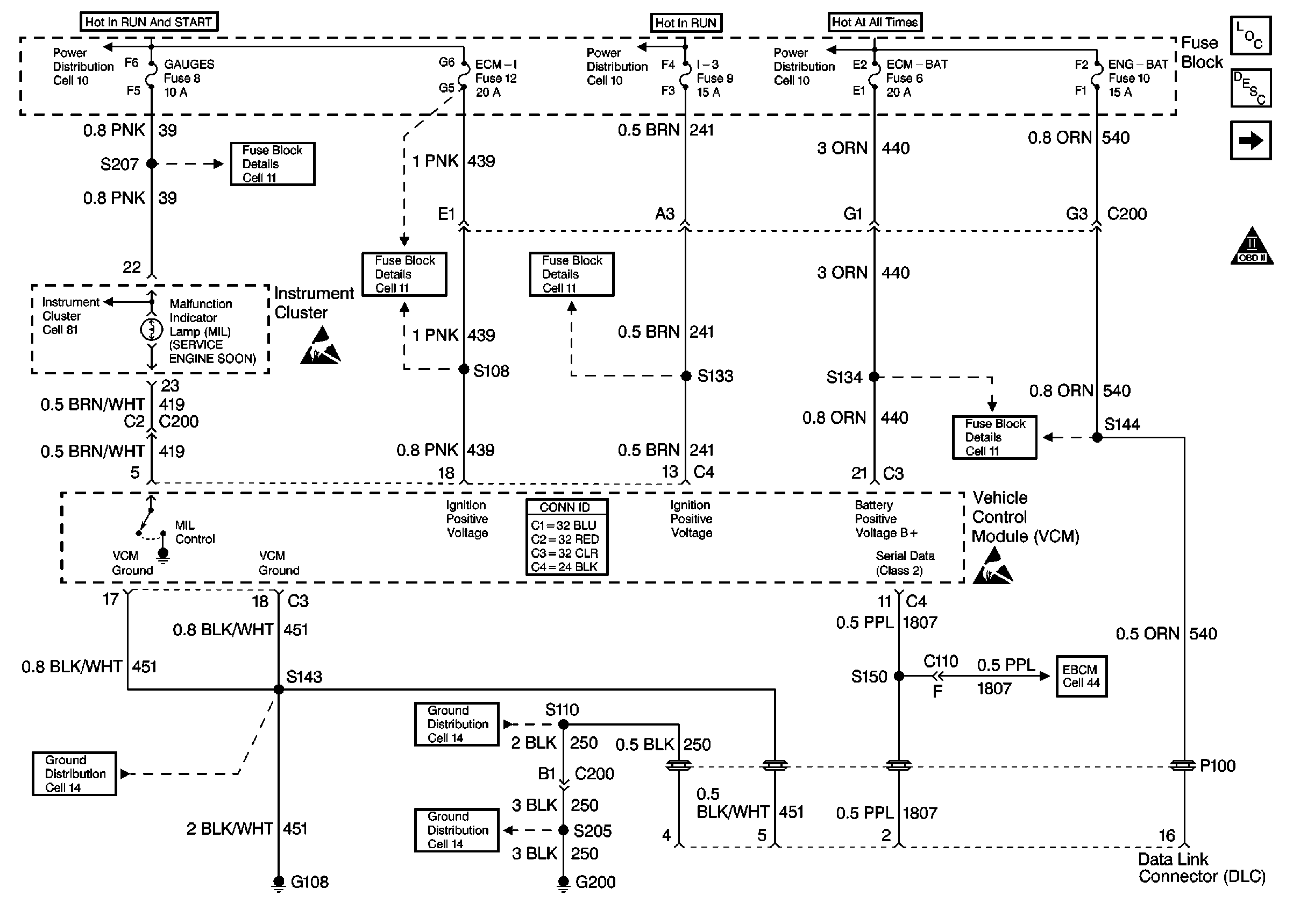
Cell 20 - Ignition System
OBD II Symbol Description Notice
Cell 10: Ignition Switch and Fuse Block
Cell 11: Gauges fuse
Handling ESD Sensitive Parts Notice
Cell 11: ECM-I fuse [L57]
Cell 11: I-3, TURN-B/U, and HTR fuses, AUX CKT BRKR 13
Cell 10: Ignition Switch and Fuse Block
Cell 10: Fuse Block and Headlamp Switch
Cell 11: ECM-BAT and ENG-BAT fuses
Handling ESD Sensitive Parts Notice
Cell 44: Gas, ABS Power and Grounding, DLC Output
Cell 14: S110 [L31/L35]
Cell 14: G200
Cell 14: G108 [L31/L35]

Circuit Description

When the ignition switch is initially turned to the run position, the malfunction indicator lamp (MIL) will be ON steady. When the engine is running and there are no active type A or B DTCs stored, refer to Diagnostic Trouble Code (DTC) List (Definitions) , the Vehicle Control Module (VCM) turns OFF the MIL. The ignition switch supplies battery voltage directly to the MIL through the gauge fuse. The VCM controls the MIL by providing a ground path through the MIL control circuit in order to turn ON the MIL.

Diagnostic Aids

An open gauge fuse will cause the entire IP cluster to be inoperative.

An intermittent may be caused by a poor connection, rubbed through wire insulation, or a broken wire inside the insulation.

Thoroughly check any circuitry that is suspected of causing the intermittent complaint. Refer to Intermittents and Poor Connections Diagnosis in Wiring Systems.

If a repair is necessary, then refer to Wiring Repairs or Connector Repairs in Wiring Systems.

Test Description

The numbers below refer to step numbers on the diagnostic table.

  1. A MIL that responds correctly to the scan tool command indicates that the condition is not present at this time.

  2. The MIL should be OFF. This step checks for a short to ground in the MIL control circuit by removing the VCM from the circuit.

  3. This step checks the MIL control circuit for a short to B+ or a problem with the VCM.

  4. Locate and repair any shorts that may have caused the fuse to open BEFORE replacing the fuse.

Malfunction Indicator Lamp Circuit Check

Step

Action

Values

Yes

No

1

Did you perform the Powertrain On-Board Diagnostic (OBD) System Check?

--

Go to Step 2

Go to Powertrain On Board Diagnostic (OBD) System Check

2

  1. Turn OFF the ignition for 15 seconds.
  2. Turn ON the ignition leaving the engine OFF.

Is the MIL ON?

--

Go to Step 3

Go to Step 5

3

Command the MIL OFF and ON using a scan tool.

Does the MIL turn OFF and ON when commanded?

--

Go to Diagnostic Aids

Go to Step 4

4

  1. Turn OFF the ignition.
  2. Disconnect the VCM C4 connector.
  3. Turn ON the ignition leaving the engine OFF.

Is the MIL OFF?

--

Go to Step 21

Go to Step 13

5

Check for an open in the Gauge, the Battery Positive voltage or the Ignition Positive voltage fuses.

Are any of the fuses open?

--

Go to Step 14

Go to Step 6

6

  1. Turn OFF the ignition.
  2. Disconnect the VCM C4 connector.
  3. Turn ON the ignition leaving the engine OFF.
  4. Probe the MIL control circuit at the VCM C4 connector with a fused jumper connected to a ground.

Is the MIL ON?

--

Go to Step 16

Go to Step 7

7

Is the fuse in the fused jumper open?

--

Go to Step 15

Go to Step 8

8

Check for an open in the MIL control circuit. Repair as necessary. Refer to Wiring Repairs in Wiring Systems.

Did you find a problem?

--

Go to Step 22

Go to Step 9

9

Check for an open between the MIL and the Gauge fuse. Repair as necessary. Refer to Wiring Repairs in Wiring Systems.

Did you find a problem?

--

Go to Step 22

Go to Step 10

10

Check for an open MIL. Repair as necessary. Refer to Wiring Repairs in Wiring Systems.

Did you find a problem?

--

Go to Step 22

Go to Step 11

11

Check the Instrument Panel (IP) cluster harness connections. Repair as necessary. Refer to Connector Repairs in Wiring Systems.

Did you find a problem?

--

Go to Step 22

Go to Step 12

12

Replace the Instrument Panel (IP) cluster. Refer to IP Cluster Replacement in Instrument Panel, Gauges and Console.

Is the action complete?

--

Go to Step 22

--

13

Repair the short to ground in the MIL control circuit. Refer to Wiring Repairs in Wiring Systems.

Is the action complete?

--

Go to Step 22

--

14

  1. Check for a short to ground in the fuse circuit that has the open fuse. Repair as necessary. Refer to Wiring Repairs in Wiring Systems.
  2. Replace the open fuse.

Is the action complete?

--

Go to Step 22

--

15

Repair the short to voltage in the MIL control circuit between the VCM and the MIL lamp. Refer to Wiring Repairs in Wiring Systems.

Is the action complete?

--

Go to Step 22

--

16

  1. Turn OFF the ignition.
  2. Disconnect the VCM C3 connector.
  3. Turn ON the ignition leaving the engine OFF.
  4. Probe the Battery positive voltage and the Ignition positive voltage circuits at the VCM with a test lamp connected to a ground.

Does the test lamp light on all circuits tested?

--

Go to Step 17

Go to Step 18

17

Probe both of the VCM ground circuits at the VCM connector with a test lamp connected to B+

Does the test lamp light on both circuits?

--

Go to Step 20

Go to Step 19

18

Repair the open in the circuit. Refer to Wiring Repairs in Wiring Systems.

Did you find a problem?

--

Go to Step 22

19

Repair the open in the VCM ground circuit. Refer to Wiring Repairs in Wiring Systems.

Is the action complete?

--

Go to Step 22

--

20

Check for a poor connection at the VCM. Repair as necessary. Refer to Connector Repairs in Wiring Systems.

Did you find a problem?

--

Go to Step 22

Go to Step 21

21

Important:: Program the replacement PCM. Refer to VCM Replacement/Programming .

Replace the PCM.

Is the action complete?

--

Go to Step 22

--

22

  1. Turn OFF the ignition for 15 seconds.
  2. Turn ON the ignition leaving the engine OFF.

Is the MIL ON?

--

Go to Step 23

Go to Step 2

23

Command the MIL OFF and ON using a scan tool.

Does the MIL turn OFF and ON when commanded?

--

System OK

Go to Step 2