GM Service Manual Online
For 1990-2009 cars only

Refer to Engine Control Schematic

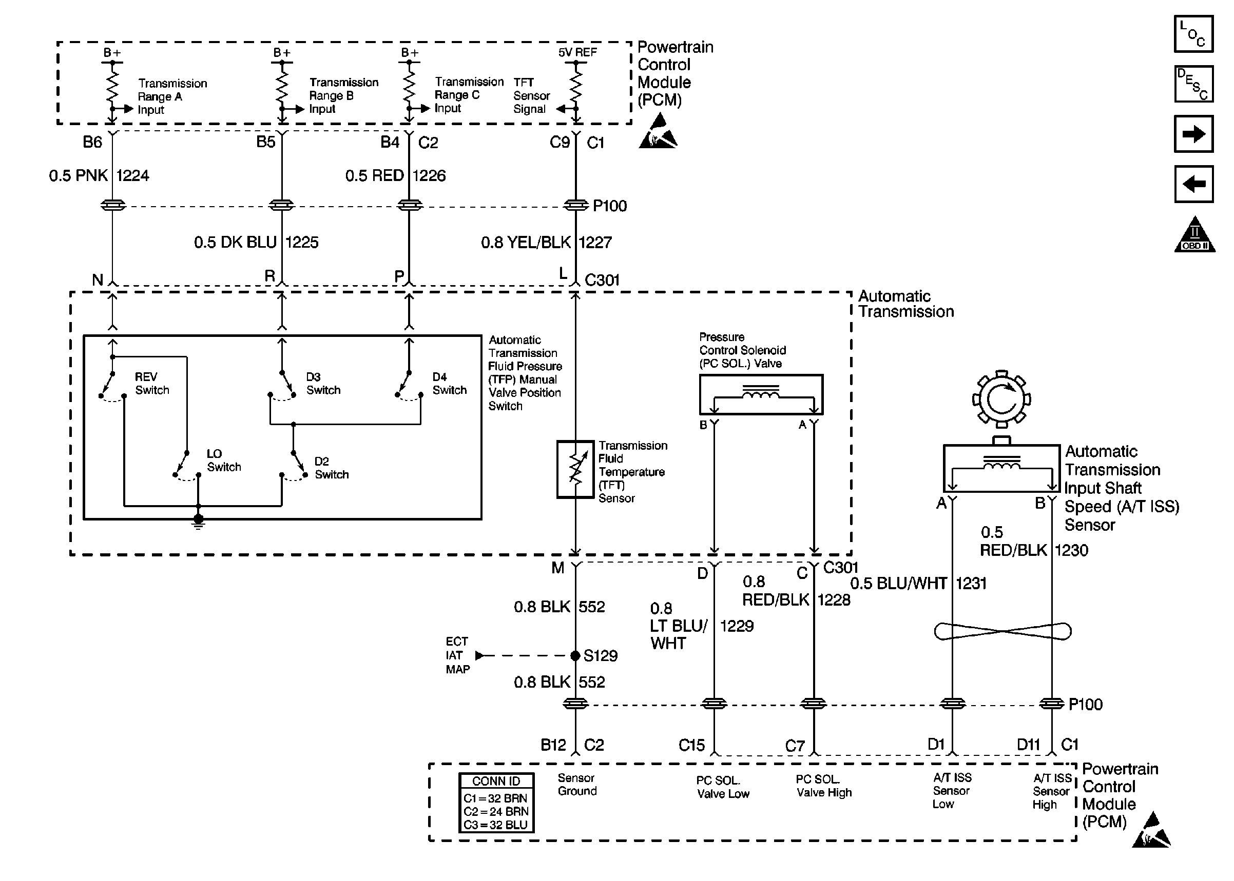
Cell 23: A/T Controls 2 -- TR, TFT, TISS, PC Solenoid


Object Number: 380045  Size: FS
Engine Controls Components L57 EFI
Electronic Component Description
Cell 23: Air Conditioning Controls
Cell 23: A/T Controls 1 - Stoplamp/TCC Switch, Internal Solenoids
OBD II Symbol Description Notice
Handling ESD Sensitive Parts Notice
Handling ESD Sensitive Parts Notice
.

Circuit Description

The speed sensor circuit consists of a magnetic induction type sensor, a vehicle speed sensor buffer module and wiring. The gear teeth pressed on the output shaft induces an alternating current in the sensor. This signal is transmitted to the buffer. The buffer compensates for various axle ratios and converts the signal into a square wave for use by the speedometer, the cruise control, the antilock brake and the PCM. The buffer sends two different signals to the PCM.

Conditions for Running the DTC

    • The vehicle speed is greater than 20 mph.
    • Four wheel low is not selected.

or

    • The VSS buffer calculated speed is greater than the transmission calculated speed by 20 mph.
    • All of the diagnostic set conditions met for 2 seconds.

Conditions for Setting the DTC

    • The VSS buffer calculated speed is greater than the transmission calculated speed by 20 mph.
    • All of the diagnostic set conditions met for 2 seconds.

Action Taken When the DTC Sets

    • The PCM will not illuminate the Malfunction Indicator Lamp (MIL).
    • The PCM records the operating conditions at the time the diagnostic fails. This information is stored is stored in Failure Records.

Conditions for Clearing the MIL/DTC

    • A History DTC will clear after forty consecutive warm-up cycles, if this or any other emmision related diagnostic does not reort any failures.
    • Use of a scan tool will clear the DTC codes.

Diagnostic Aids

Check the connections at the VSS buffer and the PCM. Refer to 4L80E Diagnostic Trouble Codes if DTC P0722 or DTC P0723 is set.

Test Description

Number(s) below refer to number(s) on the Diagnostic Table.

  1. This tests for B+ at VSS buffer.

  2. This tests for proper ground path for vehicle speed sensor signal buffer.

Step

Action

Value(s)

Yes

No

1

Important: Before clearing the DTCs, use the scan tool Capture Information function to save Freeze Frame and Failure records for reference. The control module's data is deleted once the Clear DTC Information function is used.

Was the Powertrain On-Board Diagnostic (OBD) System Check performed?

--

Go to Step 2

Go to Powertrain On Board Diagnostic (OBD) System Check

2

  1. Connect a scan tool.
  2. Raise the drive wheels.
  3. Start the engine.
  4. Place the transmission in any drive range.

With the drive wheels rotating, does the vehicle speed increase with drive wheel speed increase?

--

Go to Step 7

Go to Step 3

3

  1. Place the transmission in Park.
  2. Back probe the VSS buffer module ignition feed circuit with a J 35616-200 unpowered test lamp connected to ground.

Is the test lamp ON?

--

Go to Step 4

Go to Step 8

4

Back probe the VSS buffer module ignition feed circuit to the ground circuit with a J 35616-200 unpowered test lamp.

Is the test light ON?

--

Go to Step 5

Go to Step 9

5

  1. Back probe the VSS buffer module at the VSS input circuit (C7) to the other VSS input circuit (C12) with a DMM, J 39200 , on the AC scale.
  2. Place the transmission in any drive range with the drive wheels rotating.

Does the voltage increase on the J 39200 DMM with drive wheel increase?

--

Go to Step 6

Go to Step 10

6

Does the scan tool display a transmission output speed (MPH) increase with drive wheel increase?

--

Go to Step 13

Go to Step 12

7

The DTC is intermittent. If no additional DTCs are stored, refer to Diagnostic Aids. If additional DTCs are stored refer to those table(s) first.

Are any additional DTCs stored?

--

Go to the Applicable DTC Table

Go to Diagnostic Aids

8

Repair the open in the ignition feed circuit. Refer to Wiring Repairs.

Is the action complete?

--

Go to Step 18

--

9

Repair the open in the ground circuit. Refer to Wiring Repairs.

Is the action complete?

--

Go to Step 18

--

10

Check the complete VSS input circuit for an open or short to ground. Repair the circuit as necessary. Refer to Wiring Repairs.

Did you perform a repair?

--

Go to Step 18

Go to Step 11

11

  1. Check for a proper connection at the VSS sensor.
  2. If a problem is found, repair the problem as necessary. Refer to Wiring Repairs.

Did you perform a repair?

--

Go to Step 18

Go to Step 15

12

  1. Back probe the VSS buffer module at the VSS output circuit (C15) with a J 39200 DMM connected to ground.
  2. Place the transmission in any drive range with the drive wheels rotating.

Is there voltage present?

--

Go to Step 13

Go to Step 16

13

Check the VSS output circuit for an open or short to ground. Repair the circuit as necessary. Refer to Wiring Repairs.

Did you perform a repair?

--

Go to Step 18

Go to Step 14

14

Check VSS output circuit for a proper connections at the PCM. Refer to Wiring Repairs.Repair as necessary.

Did you perform a repair?

--

Go to Step 18

Go to Step 17

15

Replace the vehicle speed sensor.

Is the action complete?

--

Go to Step 18

--

16

Replace the VSS Buffer module. Refer to Vehicle Speed Signal Buffer Replacement .

Is the action complete?

--

Go to Step 18

--

17

Important: The new PCM must be programmed. Refer to Powertrain Control Module Replacement/Programming .

Replace the PCM.

Is the action complete?

--

Go to Step 18

--

18

  1. Using the scan tool, clear the DTCs.
  2. Start the engine.
  3. Allow the engine to idle until the normal operating temperature is reached.
  4. Select the DTC and the Specific DTC functions.
  5. Enter the DTC number that was set.
  6. Operate the vehicle within the conditions for setting this DTC until the scan tool indicates the diagnostic Ran.

Does the scan tool indicate the diagnostic Passed?

--

Go to Step 19

Go to Step 2

19

Does the scan tool display any additional undiagnosed DTCs?

--

Go to the Applicable DTC Table

System OK