GM Service Manual Online
For 1990-2009 cars only

Glow Plug System Check EFI

Refer to

Engine Controls (Cell 22: Ignition Controls)


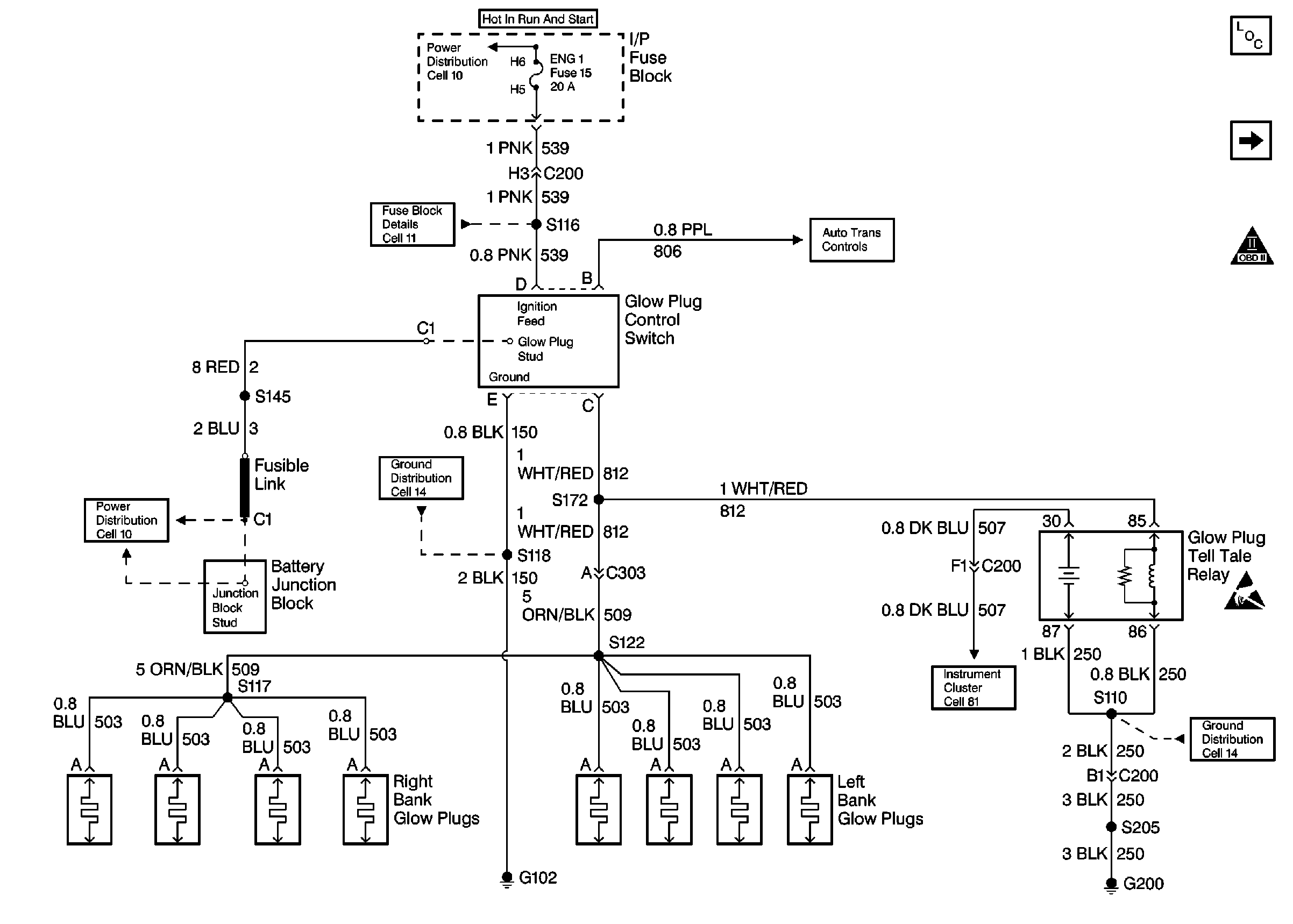
Object Number: 191295  Size: FS
Engine Controls Components
Engine Controls (Cell 22: Fuel Controls 1)
Engine Controls (Cell 22: Power and Grounds)
ESD Notice
ESD Notice
.

Circuit Description

The glow plug system is used in order to assist in providing the heat required to begin combustion during engine starting at cold ambient temperatures. The glow plugs are heated before and during cranking, as well as during the initial engine operation. The PCM controls the amount of time the glow plugs are energized by monitoring the coolant temperatures and the glow plug voltage. This system check will check the glow plugs and the glow plug feed circuit coming from the relay.

Diagnostic Aids

If the glow plug relay is stuck in the ON position, check for proper operation of glow plugs. When the glow plugs are commanded ON by the scan tool, an internal PCM timer protects the glow plugs from damage by cycling them ON for 3 seconds and then OFF for 12 seconds. Most glow plug system failures are covered by DTC P0380. If no DTCs are stored, the vehicle is hard to start and white smoke is present during cranking or after vehicle is started. The most likely cause of failure is the glow plugs.

Test Description

The number(s) below refer to the number(s) on the diagnostic table.

  1. This step will ensure that the OBD system check is performed.

  2. This step will ensure that there are no other DTCs stored that will affect the operation of the glow plug system.

  3. This step will check each glow plug for an open.

  4. This step will check each glow plug feed circuit for an open.

Step

Action

Value(s)

Yes

No

1

Important: Before clearing the DTCs, use the scan tool Capture Info function to save the Freeze Frame and the Failure records for reference. The control module's data is deleted once the Clear Info function is used.

Was the Powertrain On-Board Diagnostic (OBD) System Check performed?

--

Go to Step 2

Go to Powertrain On Board Diagnostic (OBD) System Check

2

Are DTCs P0117, or P0380 stored as history or current codes?

--

Go to the Applicable DTC Table

Go to Step 3

3

  1. Turn the ignition OFF.
  2. Disconnect all of the glow plugs.
  3. With a J 35616-200 unpowered test lamp connected to B+, probe the spade terminal on each glow plug.

Do all of the glow plugs turn the test light ON?

--

Go to Step 4

Go to Step 9

4

  1. Turn the ignition ON with the engine OFF.
  2. The glow plugs are still disconnected.
  3. Use a J 35616-200 unpowered test lamp in order to jumper each glow plug connector terminal to ground.
  4. Use a scan tool in order to command the glow plugs ON.

Does each circuit turn the test light ON?

--

Go to Step 5

Go to Step 10

5

Does the J 35616-200 unpowered test lamp stay ON all the time for each glow plug terminal (even when the glow plugs aren't commanded ON)?

--

Go to Step 6

Go to Step 11

6

  1. Disconnect the glow plug output (gray) cable from the glow plug relay.
  2. Probe each glow plug terminal with a J 35616-200 unpowered test lamp connected to ground.

Is the test light ON for all terminals?

--

Go to Step 7

Go to Step 8

7

Repair the short to voltage on the glow plug output circuit or the short to voltage on the glow plug signal circuit. Refer to Wiring Repairs.

Is the action complete?

--

Go to Step 11

--

8

Replace the glow plug relay. Refer to Glow Plug Relay Replacement .

Is the action complete?

--

Go to Step 11

--

9

Replace all of the glow plugs that do not turn the test light ON. Refer to Glow Plug Replacement - Left Side or Glow Plug Replacement - Right Side .

Is the action complete?

--

Go to Step 11

--

10

Repair the open in each circuit that does not turn the test light ON. Refer to Wiring Repairs.

Is the action complete?

--

Go to Step 11

--

11

  1. Using the scan tool, clear the DTCs.
  2. Start the engine.
  3. Allow the engine to run until the normal operating temperature is reached.
  4. Select DTC and the Specific DTC functions.
  5. Enter the DTC number that was set.
  6. Operate the vehicle within the Conditions for Setting this DTC until the scan tool indicates the diagnostic Ran.

Does the scan tool indicate the diagnostic passed?

--

The System is OK

Go to Step 1

12

Does the scan tool display any additional, undiagnosed DTCs?

Glow Plug System Check MFI

Refer to

Cell 22: Ignition System


Object Number: 197768  Size: FS
Engine Controls Components L57 MFI
Cell 22: Fuel Controls
OBD II Symbol Description Notice
.

Circuit Description

The glow plug system is used in order to assist in providing the heat required to begin combustion during engine starting at cold ambient temperatures. The glow plugs are heated before and during cranking, as well as during the initial engine operation.

Diagnostic Aids

If the glow plug relay is stuck in the ON position, check for proper operation of glow plugs.

Test Description

The number(s) below refer to the step number(s) on the diagnostic table.

  1. This step will check the glow plugs for an open

  2. This step will check the ignition feed circuit to the controller.

Step

Action

Value(s)

Yes

No

1

  1. Turn the ignition off.
  2. With a J 39200 DMM connected to ground, probe the battery stud on the glow plug controller.

Is voltage at the specified value

B+

Go to Step 2

Go to Step 9

2

  1. Turn the ignition off.
  2. With a J 39200 DMM connected to ground, probe the glow plug feed stud on the glow plug controller.

Is voltage at the specified value?

B+

Go to Step 10

Go to Step 3

3

  1. Disconnect the harness from all glow plugs.
  2. With a J 35616-200 unpowered test lamp connected to B+, probe the spade terminals on each glow plug.

Does the test illuminate on all circuits?

--

Go to Step 4

Go to Step 11

4

  1. Reconnect all glow plugs.
  2. Disconnect the connector from the glow plug controller
  3. Turn the ignition ON, leaving the engine off.
  4. With a J 39200 DMM connected to ground probe terminal D at the glow plug harness connector.

Is voltage at the specified value

B+

Go to Step 5

Go to Step 12

5

With a J 39200 DMM measure continuity between terminal E at the glow plug harness connector and engine ground.

Is the ohm reading greater than the specified value?

1ohms

Go to Step 13

Go to Step 6

6

With a J 39200 DMM measure continuity between terminal E and terminal C at the glow plug harness connector.

Is the ohm reading greater than the specified value

2ohms

Go to Step 14

Go to Step 7

7

  1. Reconnect the controller harness.
  2. With a J 39200 DMM measure voltage at the glow plug feed stud on the glow plug controller when turning the ignition from OFF to ON.

Is the voltage at the specified value

B+

Go to Step 8

Go to Step 15

8

  1. With a J 35616-200 unpowered test lamp connected to ground, probe any one of the glow plug harness connectors (test both right and left banks).
  2. Turn the ignition from OFF to ON.

Does the J 35616-200 test lamp illuminate?

--

Go to Step 16

Go to Step 17

9

Repair the battery feed to the glow plug controller circuit.

Is the action complete?

--

Go to Step 18

--

10

Replace the glow plug controller.

controller circuit.

Is the action complete?

--

Go to Step 18

--

11

Replace any glow plug that does not illuminate the J 35616-200 unpowered test lamp.

Is the action complete?

--

Go to Step 18

--

12

Repair the ignition feed circuit to the glow plug controller. Refer to Wiring Repairs.

Is the action complete?

--

Go to Step 18

--

13

Repair the ground circuit to the glow plug controller. Refer to Wiring Repairs.

Is the action complete?

--

Go to Step 18

--

14

Repair the glow plug feed back circuit to the glow plug controller. Refer to Wiring Repairs.

Is the action complete?

--

Go to Step 18

--

15

Replace the glow plug controller.

controller circuit. Refer to Wiring Repairs.

Is the action complete?

--

Go to Step 18

--

16

If the instrument panel "Glow Plug" lamp does not illuminate, repair the bulb circuit. Refer to Wiring Repairs.

controller circuit.

Is the action complete?

--

Go to Step 18

--

17

Repair the glow plug feed circuit to the glow plugs. Refer to Wiring Repairs.

Is the action complete?

--

Go to Step 18

--

18

Has the repair been performed?

--

System OK

--