GM Service Manual Online
For 1990-2009 cars only
Makes
🢒
Chevrolet
🢒
1999
🢒
Chevy P42 Commercial Chassis
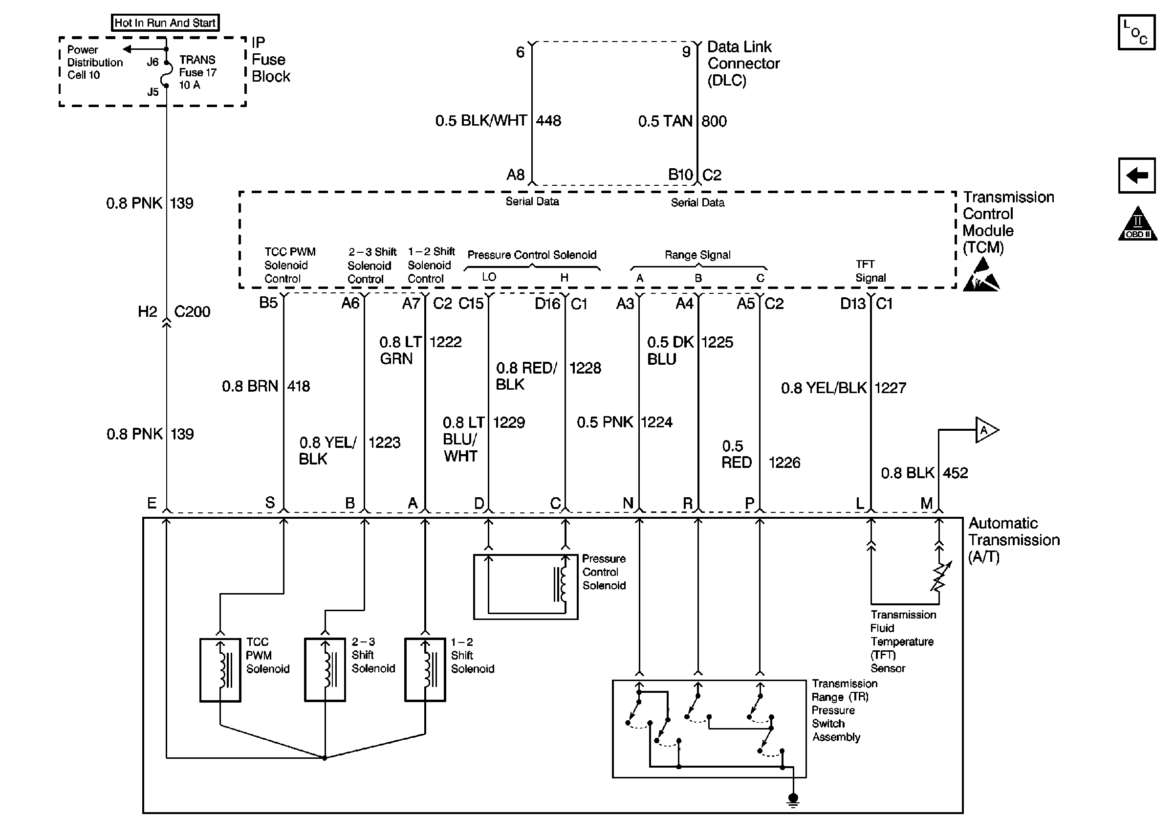
🢒 Cell 22: DLC, TCM, A/T
Cell 22: DLC, TCM, A/T
Cell 22: DLC, TCM, A/T
Engine Controls Components L57 MFI
Cell 22: TCM, VSS
OBD II Symbol Description Notice