GM Service Manual Online
For 1990-2009 cars only
Makes
🢒
Chevrolet
🢒
1999
🢒
Chevy P42 Commercial Chassis
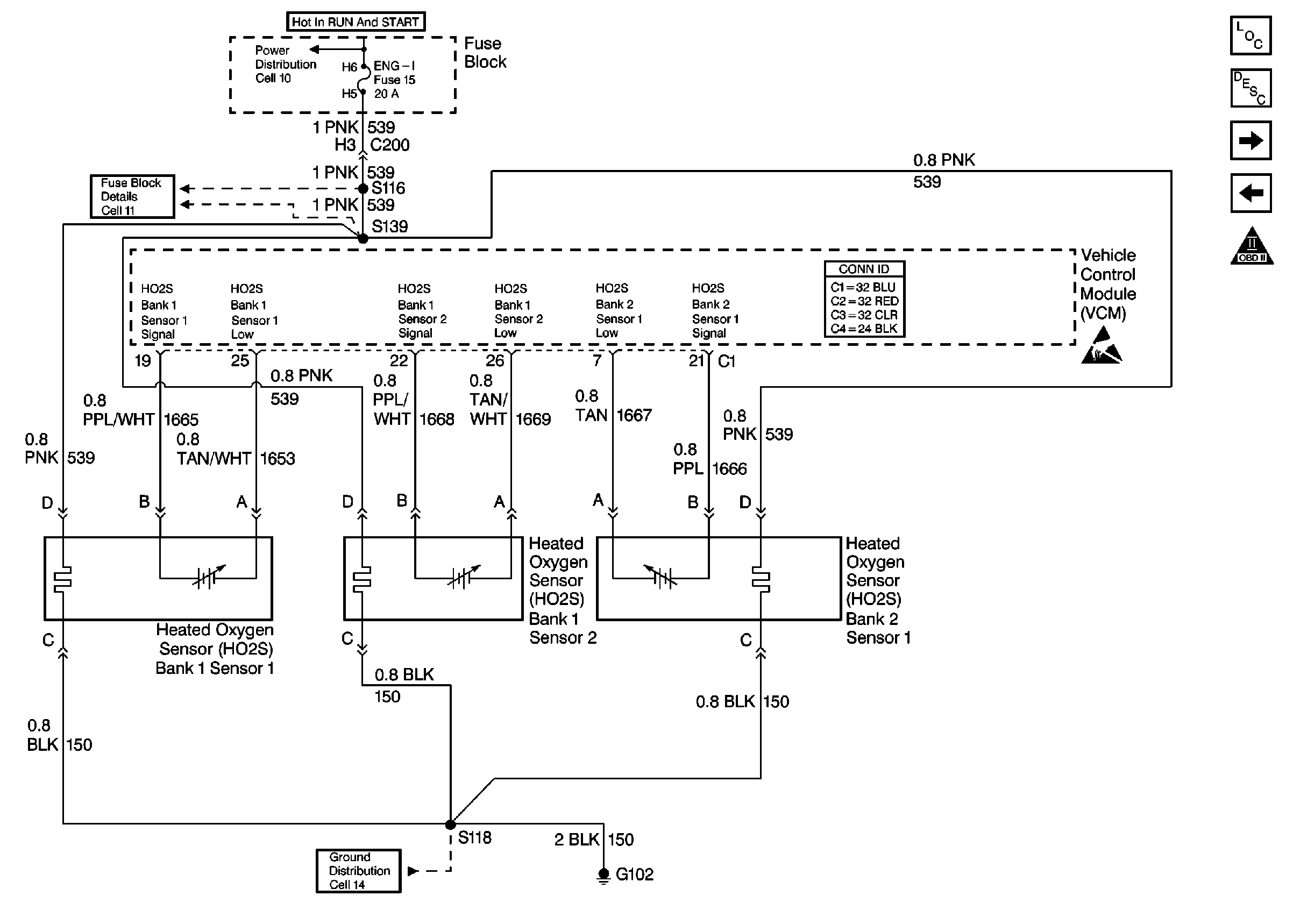
🢒 Cell 20: Engine Data Sensors - HO2S
Cell 20: Engine Data Sensors - HO2S
Cell 20: Engine Data Sensors -- HO2S
Engine Controls Components
Information Sensors/Switches Description
Cell 20: Engine Data Sensors - MAF, IAC, VSS
Cell 20: Engine Data Sensors - MAP, IAT, TP, ECT
OBD II Symbol Description Notice
Cell 11: INSTR LPS, TRANS, and ENG-I fuses
Cell 14: G102 [L31/L35]
Cell 10: Ignition Switch and Fuse Block
Handling ESD Sensitive Parts Notice