GM Service Manual Online
For 1990-2009 cars only
Makes
🢒
Chevrolet
🢒
1999
🢒
Chevy P42 Commercial Chassis
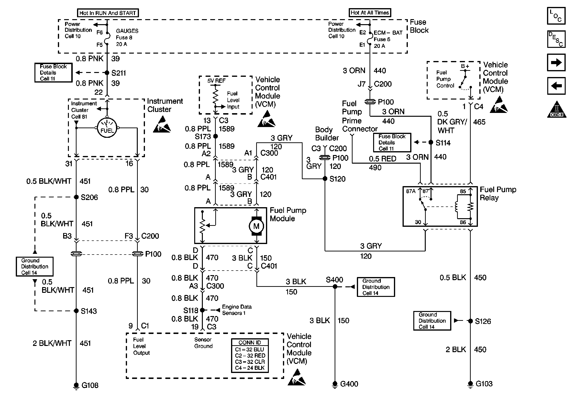
🢒 Cell 21: Fuel Controls 1 - Fuel Pump Module, Relay, and Gauge
Cell 21: Fuel Controls 1 - Fuel Pump Module, Relay, and Gauge
Cell 21: Fuel Controls 1 -- Fuel Pump Module, Relay, and Gauge
Engine Controls Components
Fuel Supply Component Description
Cell 21: Fuel Controls 2 - Fuel Injectors
Cell 21: Ignition Controls 2 - KS, CKP, CMP
OBD II Symbol Description Notice
Cell 11: GAUGES and TRANS fuses
Cell 10: Ignition Switch and Fuse Block
Cell 81: Gauges [L65]
Handling ESD Sensitive Parts Notice
Handling ESD Sensitive Parts Notice
Cell 10: Fuse Block
Handling ESD Sensitive Parts Notice
Cell 11: ENG-BAT and ECM-BAT fuses
Cell 14: G103, G105, G106, and G110 [L29]
Cell 14: G350, G400, G401, and G402
Handling ESD Sensitive Parts Notice
Cell 21: Engine Data Sensors 1- MAP, IAT, TP Sensor, and ECT
Cell 14: G108 [L29]