GM Service Manual Online
For 1990-2009 cars only
Makes
🢒
Chevrolet
🢒
1999
🢒
Chevy P42 Commercial Chassis
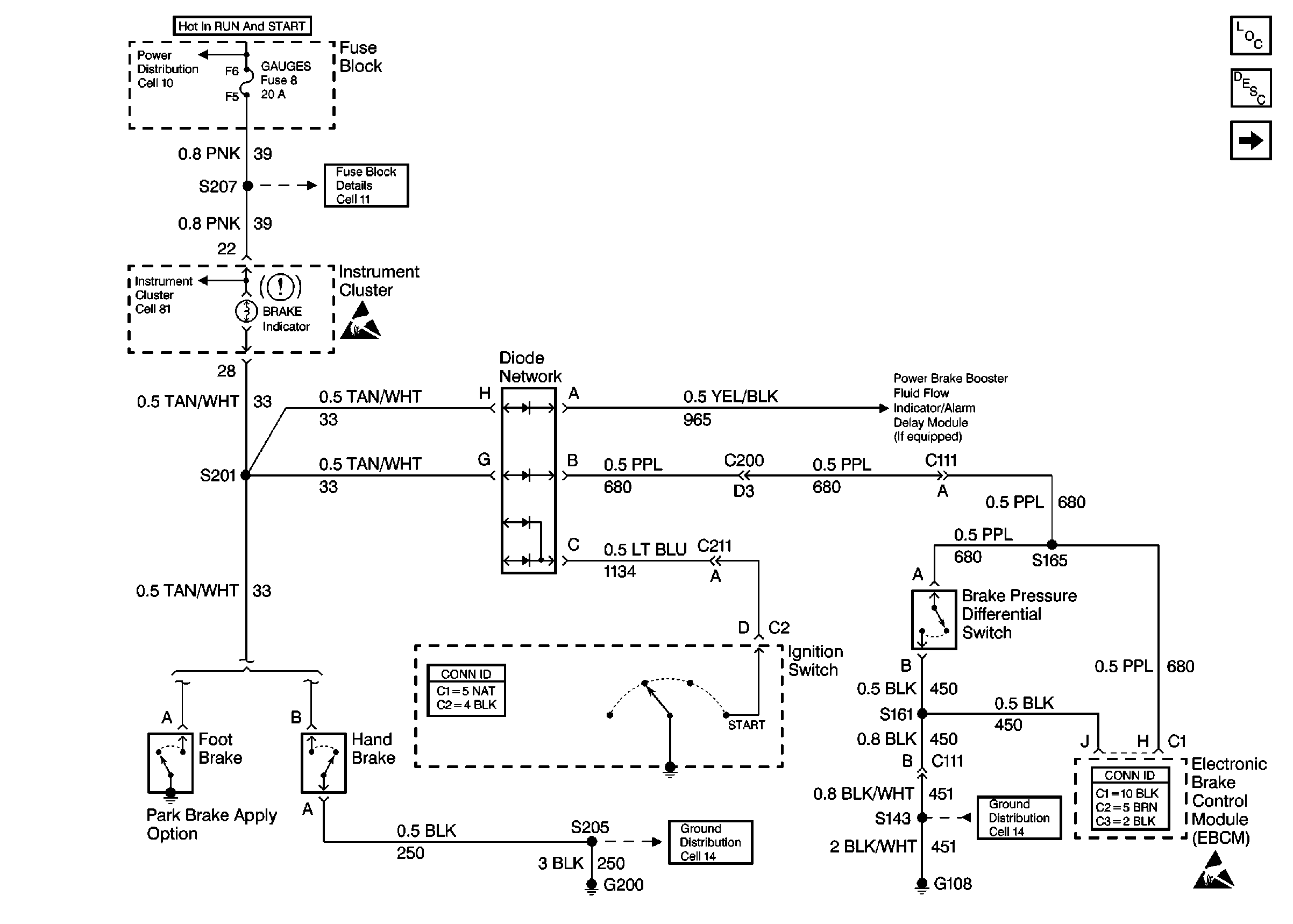
🢒 Cell 41: Brake Warning System - US
Cell 41: Brake Warning System - US
Cell 41: Brake Warning System -- US
Hydraulic Brakes Components P42
Brake Warning System Description P42
Cell 41: Brake Warning System - Canada
Cell 10: Ignition Switch and Fuse Block
Cell 11: Gauges fuse
Cell 41: Brake Alarm System
Handling ESD Sensitive Parts Notice
Cell 14: G108 [L57]
Cell 14: G200
Handling ESD Sensitive Parts Notice
Cell 81: Indicators