GM Service Manual Online
For 1990-2009 cars only
Makes
🢒
Chevrolet
🢒
1998
🢒
Chevy Suburban 4WD - RHD
🢒
Brakes
🢒
Hydraulic Brakes
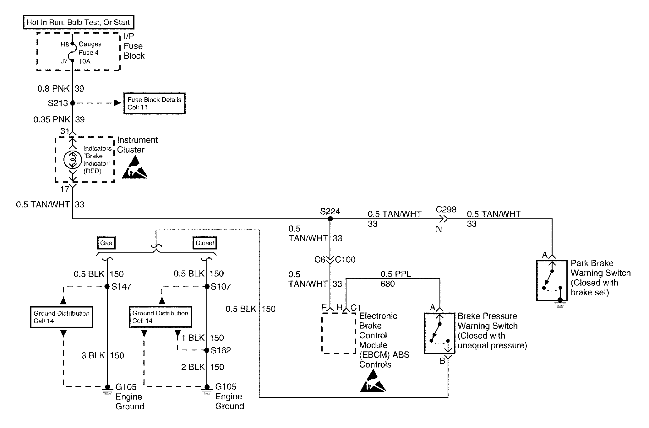
🢒 Brake Warning System Schematics
Cell 41: Brake Warning System Components
Handling ESD Sensitive Parts Notice
Handling ESD Sensitive Parts Notice