GM Service Manual Online
For 1990-2009 cars only
Figure 1:

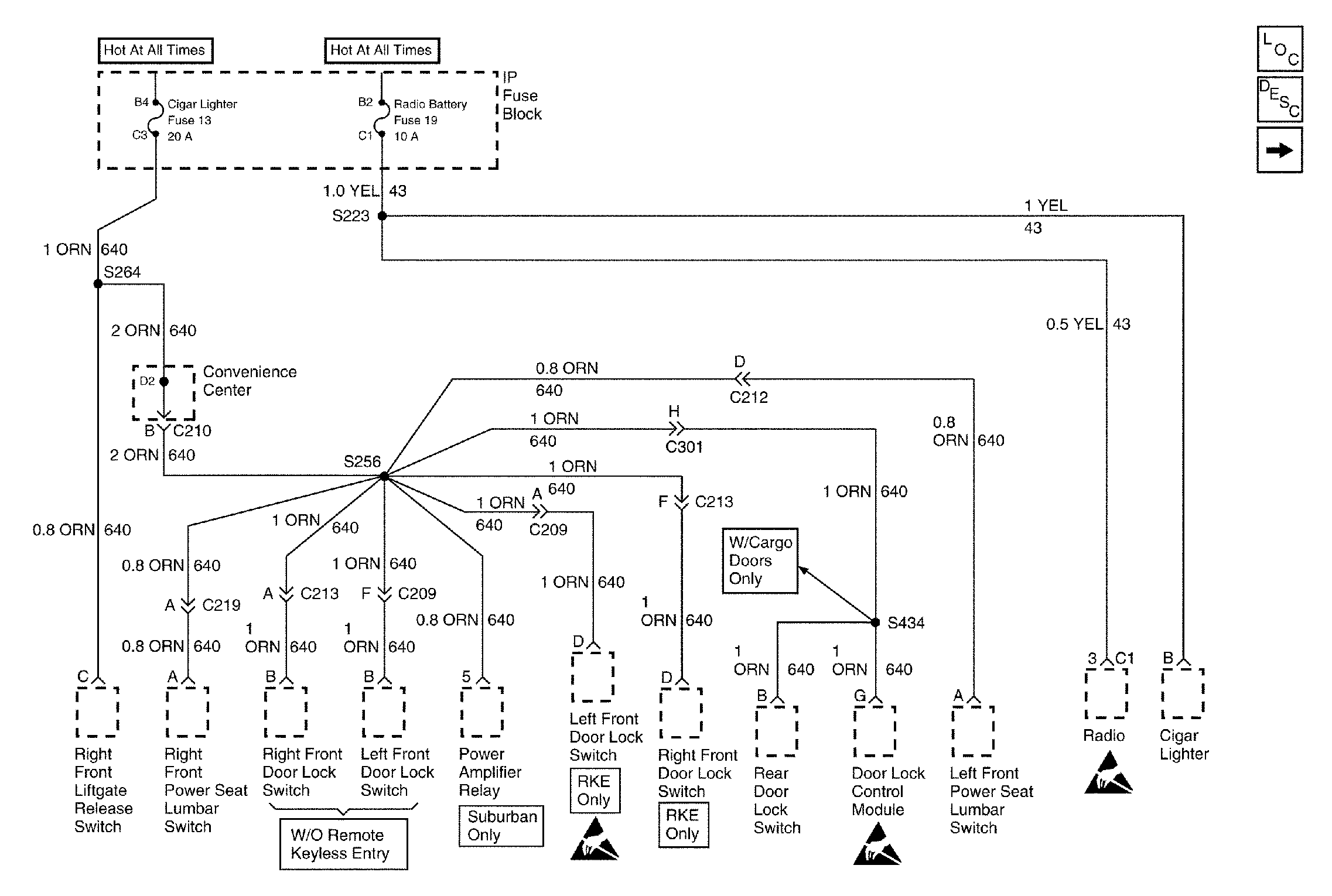
Cell 11: Cigar Lighter and Radio Battery Fuses


Object Number: 294093  Size: FS
Handling ESD Sensitive Parts Notice
Handling ESD Sensitive Parts Notice
Handling ESD Sensitive Parts Notice
Power and Grounding Components
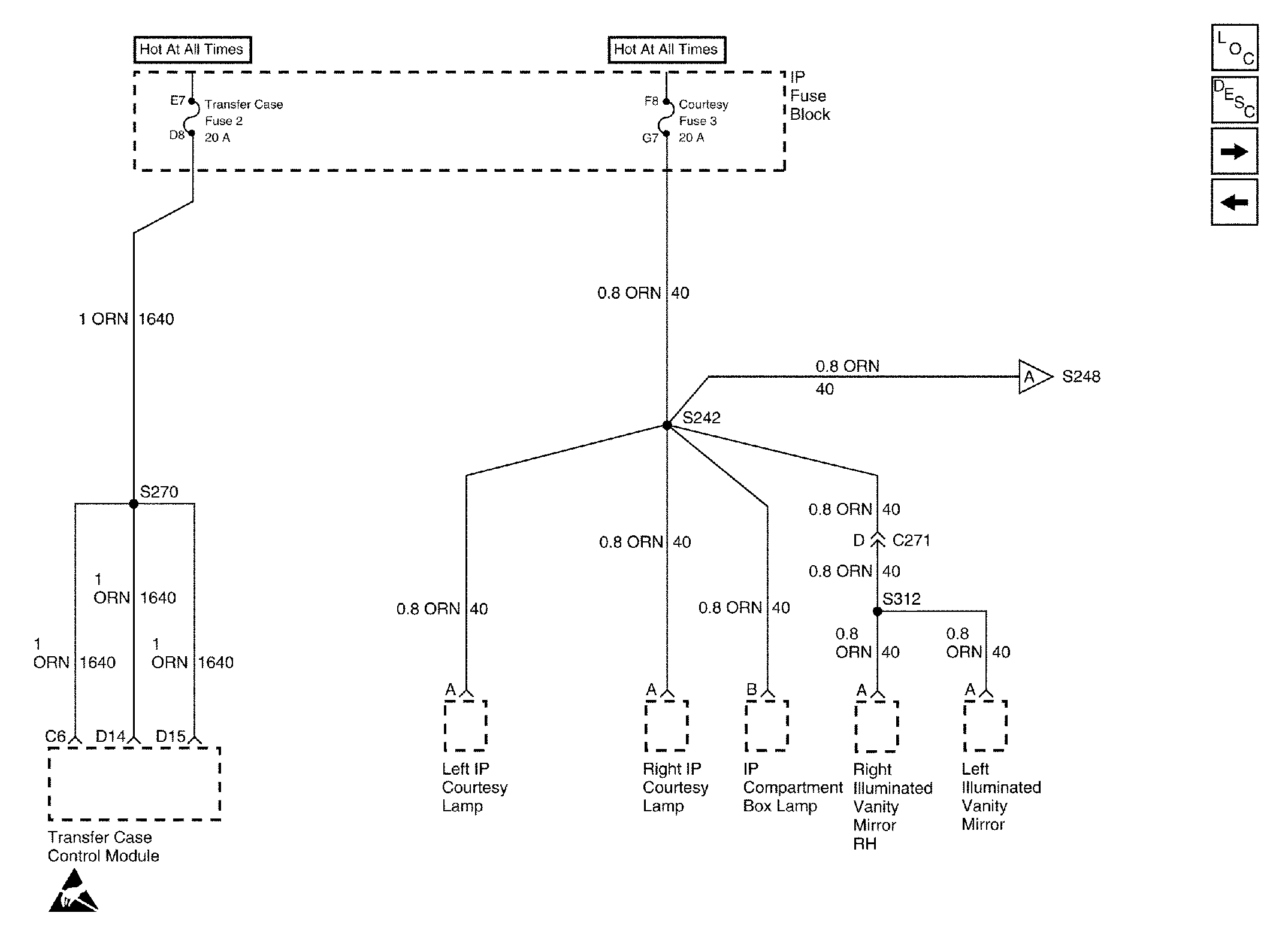
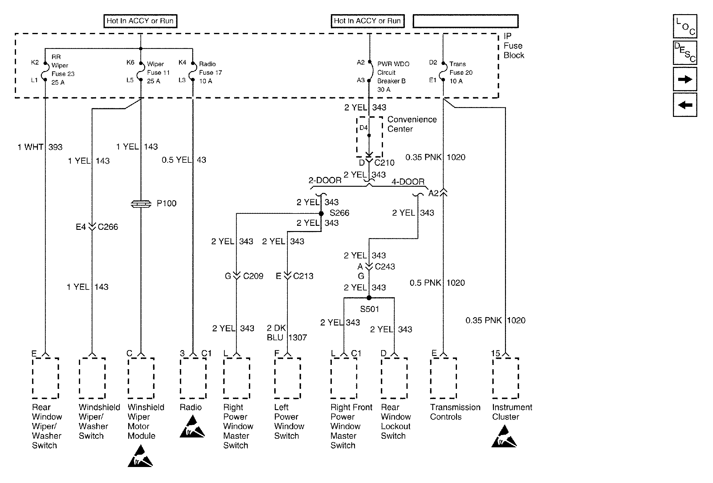
Cell 11: Transfer Case and Courtesy Fuses
Figure 2:

Cell 11: Transfer Case and Courtesy Fuses


Object Number: 294092  Size: FS
Handling ESD Sensitive Parts Notice
Power and Grounding Components
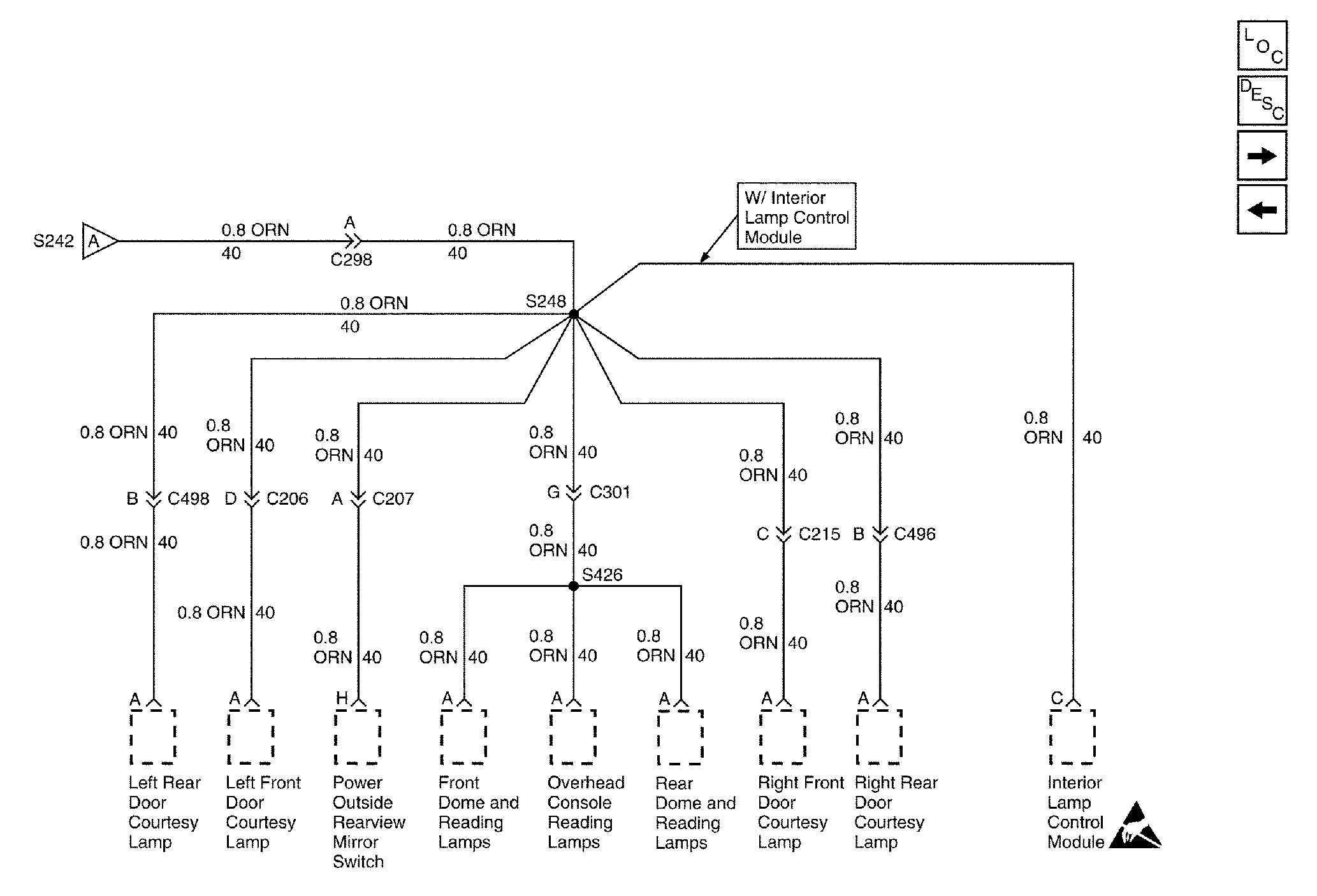
Cell 11: Transfer Case and Courtesy Fuses Continued
Cell 11: Cigar Lighter and Radio Battery Fuses
Figure 3:

Cell 11: Transfer Case and Courtesy Fuses Continued


Object Number: 294094  Size: FS
Handling ESD Sensitive Parts Notice
Power and Grounding Components
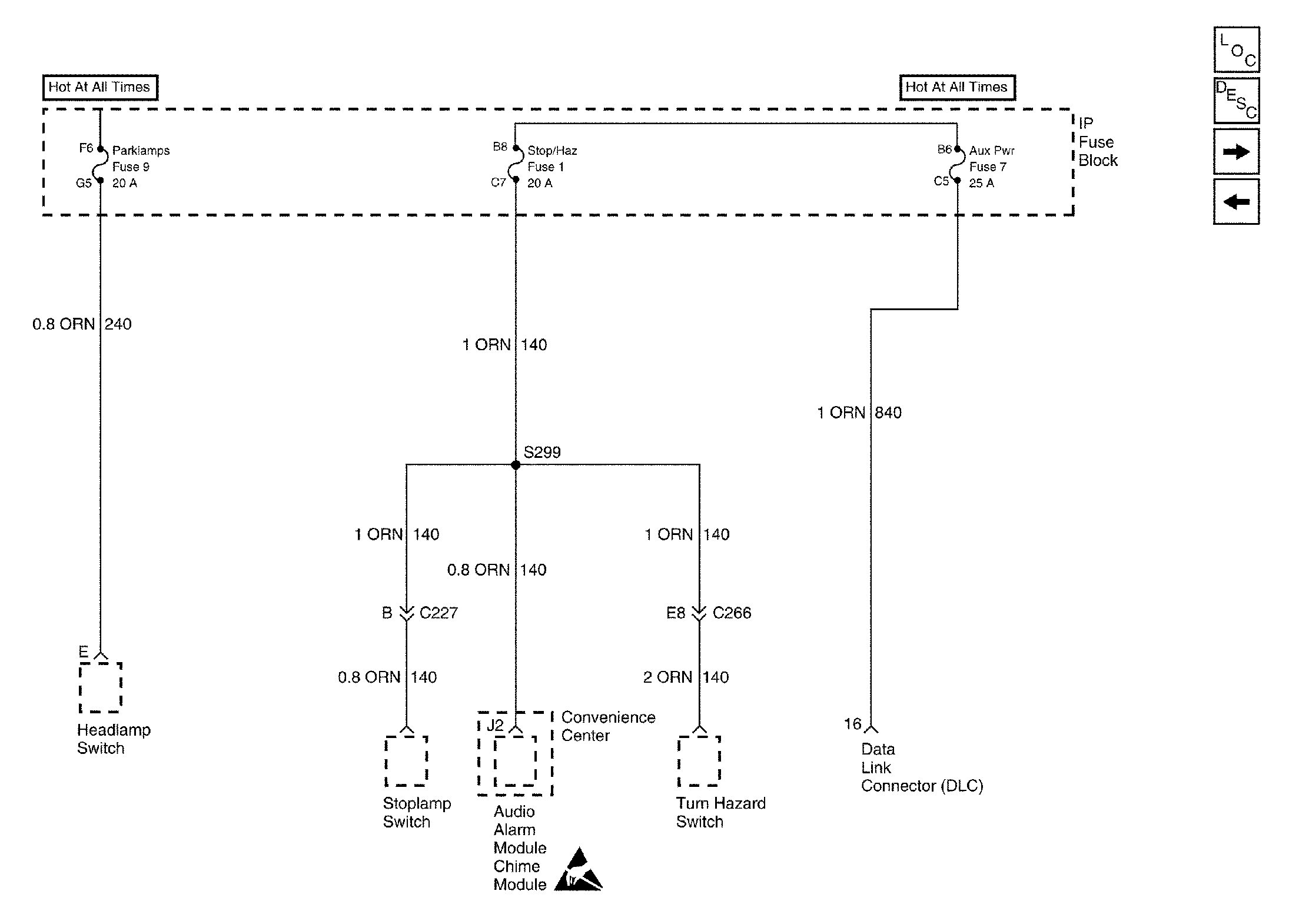
Cell 11: Parklamps, Stop/Haz and Aux Pwr Fuses
Cell 11: Transfer Case and Courtesy Fuses
Figure 4:

Cell 11: Parklamps, Stop/Haz and Aux Pwr Fuses


Object Number: 294095  Size: FS
Handling ESD Sensitive Parts Notice
Power and Grounding Components
Cell 11: Gauges Fuse
Cell 11: Transfer Case and Courtesy Fuses Continued
Figure 5:

Cell 11: Gauges Fuse


Object Number: 294096  Size: FS
Handling ESD Sensitive Parts Notice
Handling ESD Sensitive Parts Notice
Handling ESD Sensitive Parts Notice
Handling ESD Sensitive Parts Notice
Handling ESD Sensitive Parts Notice
Handling ESD Sensitive Parts Notice
Power and Grounding Components
Cell 11: Air Bag, Turn B/U and Crank Fuses
Cell 11: Parklamps, Stop/Haz and Aux Pwr Fuses
Figure 6:

Cell 11: Air Bag, Turn B/U and Crank Fuses


Object Number: 294097  Size: FS
Handling ESD Sensitive Parts Notice
Handling ESD Sensitive Parts Notice
Handling ESD Sensitive Parts Notice
Power and Grounding Components
Cell 11: Illum Fuse
Cell 11: Gauges Fuse
Figure 7:

Cell 11: Illum Fuse


Object Number: 294098  Size: FS
Handling ESD Sensitive Parts Notice
Handling ESD Sensitive Parts Notice
Handling ESD Sensitive Parts Notice
Power and Grounding Components
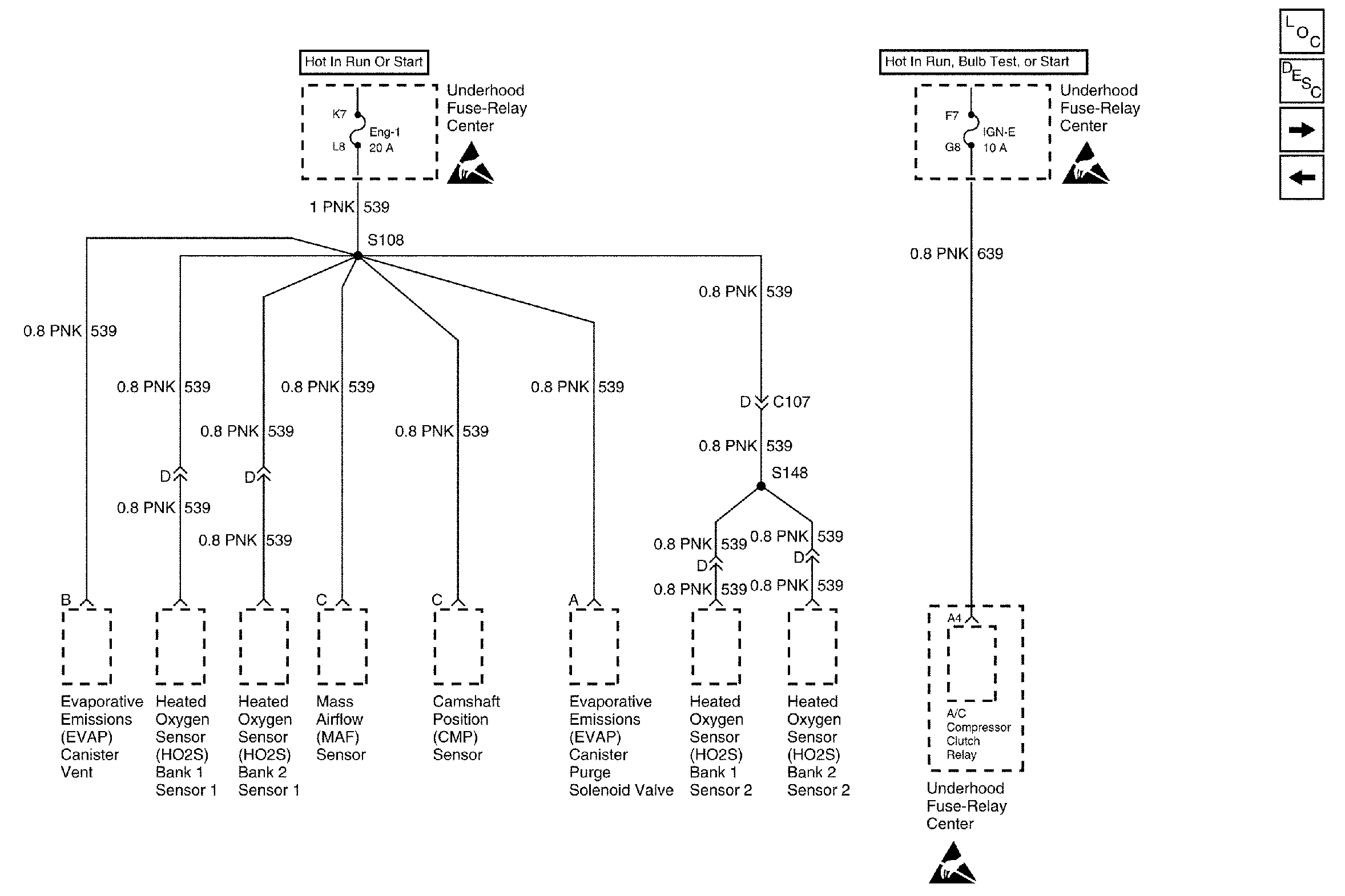
Cell 11: Eng-1, ECM 1 and Blower Fuses
Cell 11: Air Bag, Turn B/U and Crank Fuses
Figure 8:

Cell 11: Eng-1, ECM 1 and Blower Fuses


Object Number: 294100  Size: FS
Handling ESD Sensitive Parts Notice
Handling ESD Sensitive Parts Notice
Power and Grounding Components
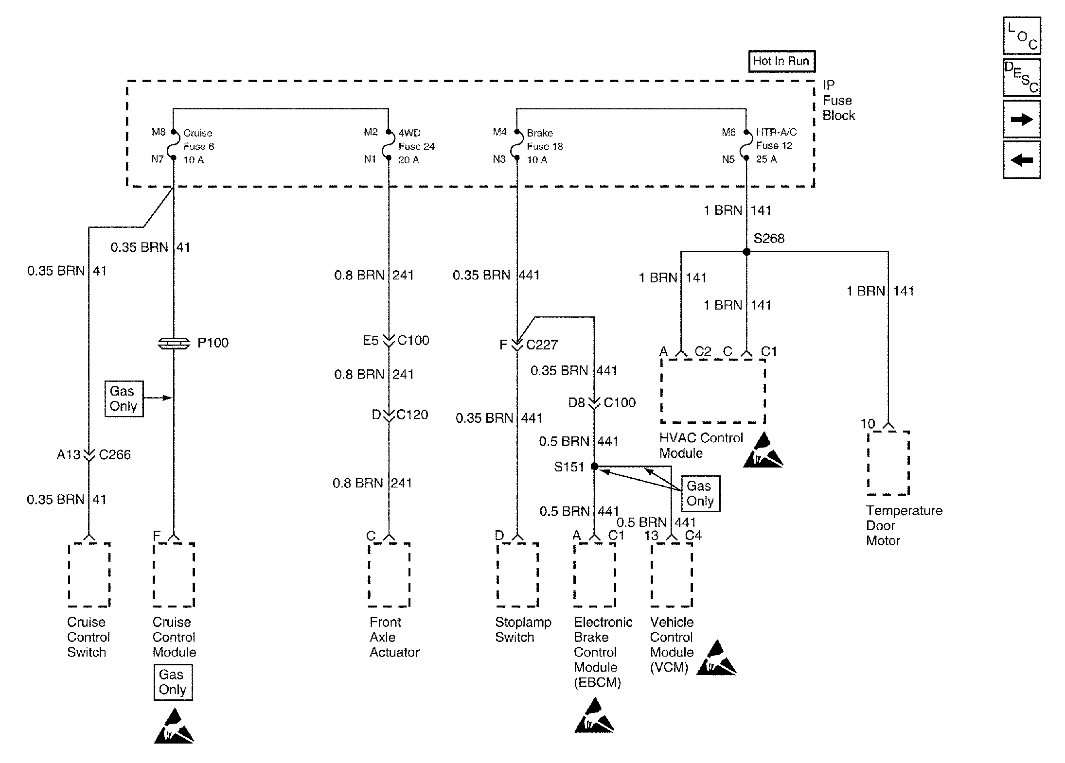
Cell 11: Cruise 4WD, Brake and HTR-A/C Fuses
Cell 11: Illum Fuse
Figure 9:

Cell 11: Cruise 4WD, Brake and HTR-A/C Fuses


Object Number: 294101  Size: FS
Handling ESD Sensitive Parts Notice
Handling ESD Sensitive Parts Notice
Handling ESD Sensitive Parts Notice
Handling ESD Sensitive Parts Notice
Power and Grounding Components
Cell 11: Eng-1 and IGN-E Fuses
Cell 11: Eng-1, ECM 1 and Blower Fuses
Figure 10:

Cell 11: Eng-1 and IGN-E Fuses


Object Number: 294102  Size: FS
Handling ESD Sensitive Parts Notice
Handling ESD Sensitive Parts Notice
Handling ESD Sensitive Parts Notice
Power and Grounding Components
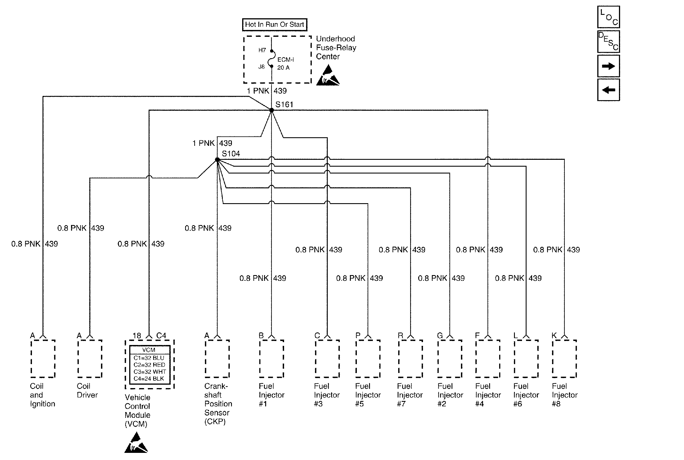
Cell 11: ECM-1 Fuse
Cell 11: Cruise 4WD, Brake and HTR-A/C Fuses
Figure 11:

Cell 11: ECM-1 Fuse


Object Number: 294103  Size: FS
Figure 12:

Cell 11: RR Wiper, Wiper, Radio, PWR WDO and Trans Fuses


Object Number: 294106  Size: FS
Handling ESD Sensitive Parts Notice
Handling ESD Sensitive Parts Notice
Handling ESD Sensitive Parts Notice
Power and Grounding Components
Cell 11: RR HVAC Fuse
Cell 11: ECM-1 Fuse
Figure 13:

Cell 11: RR HVAC Fuse


Object Number: 296349  Size: FS
Handling ESD Sensitive Parts Notice
Power and Grounding Components
Cell 11: RR Wiper, Wiper, Radio, PWR WDO and Trans Fuses