GM Service Manual Online
For 1990-2009 cars only
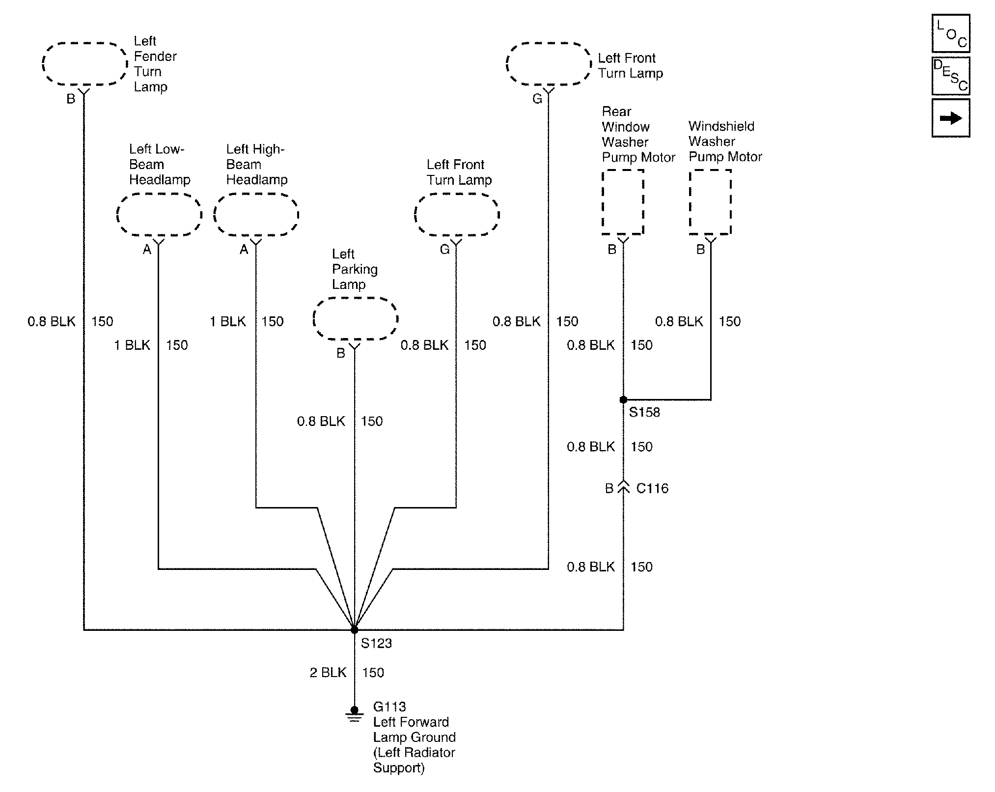
Figure 1:

Cell 14: G113


Object Number: 294010  Size: FS
Power and Grounding Components
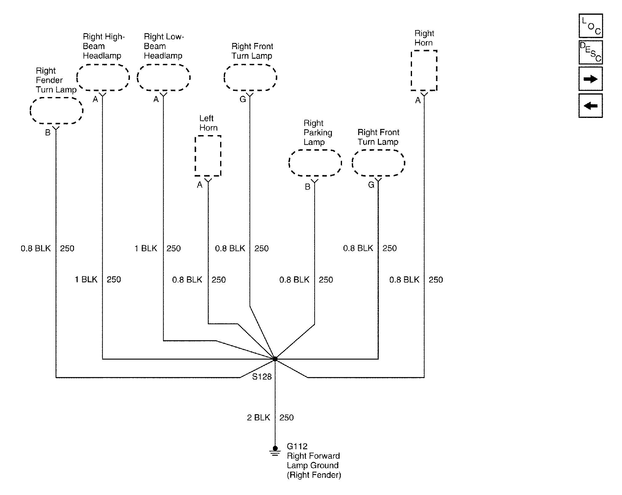
Cell 14: G112
Figure 2:

Cell 14: G112


Object Number: 296336  Size: FS
Power and Grounding Components
Cell 14: G102, G101, G110, G111 and G200
Cell 14: G113
Figure 3:

Cell 14: G102, G101, G110, G111 and G200


Object Number: 296337  Size: FS
Power and Grounding Components
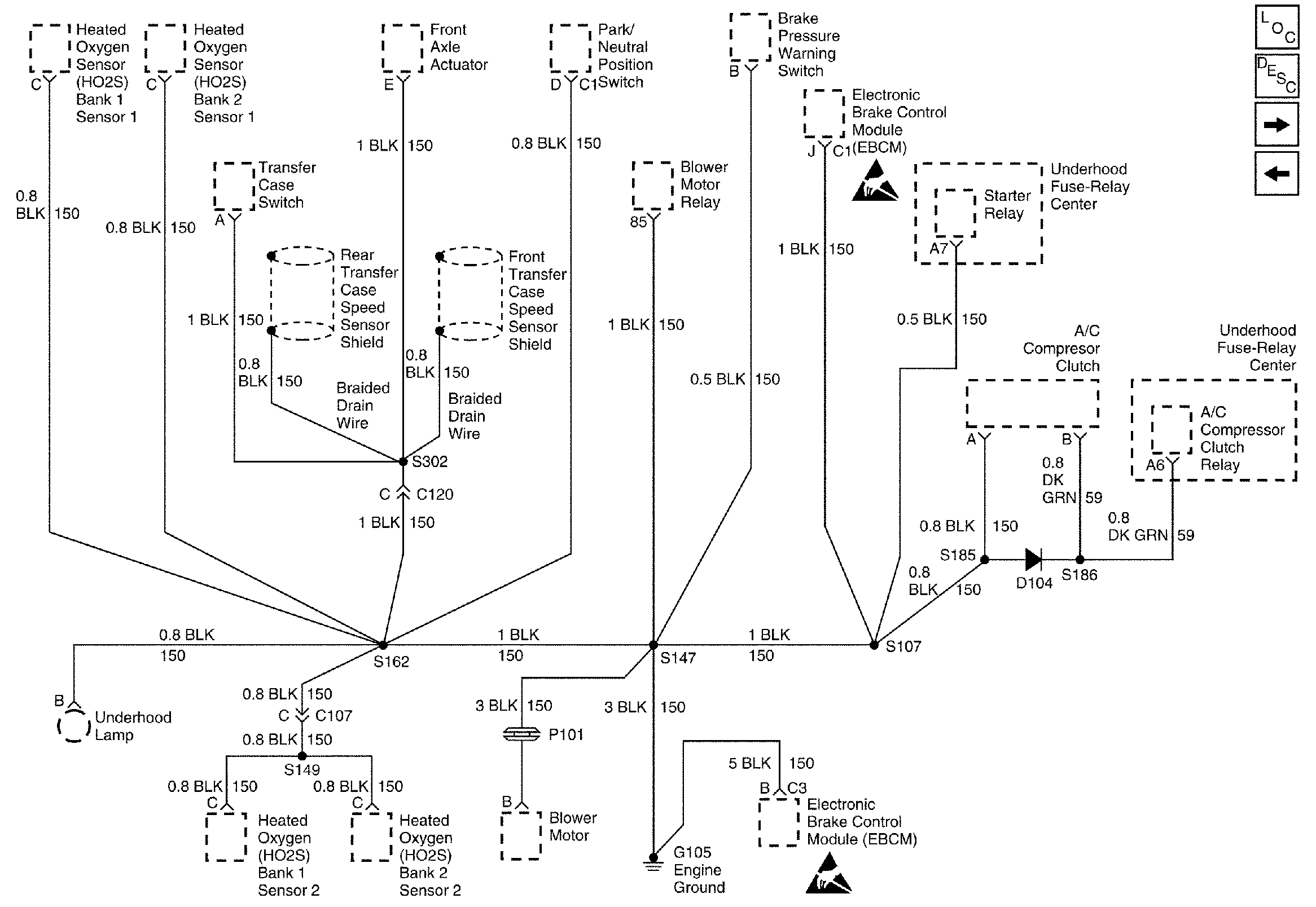
Cell 14: G105
Cell 14: G112
Figure 4:

Cell 14: G105


Object Number: 296338  Size: FS
Power and Grounding Components
Cell 14: G105
Cell 14: G102, G101, G110, G111 and G200
Figure 5:

Cell 14: G105


Object Number: 296339  Size: FS
Power and Grounding Components
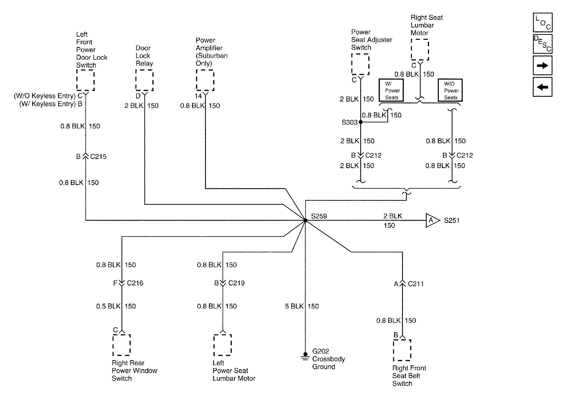
Cell 14: G103 and G104
Cell 14: G105
Figure 6:

Cell 14: G103 and G104


Object Number: 296340  Size: FS
Power and Grounding Components
Cell 14: G104
Cell 14: G105
Figure 7:

Cell 14: G104


Object Number: 296342  Size: FS
Power and Grounding Components
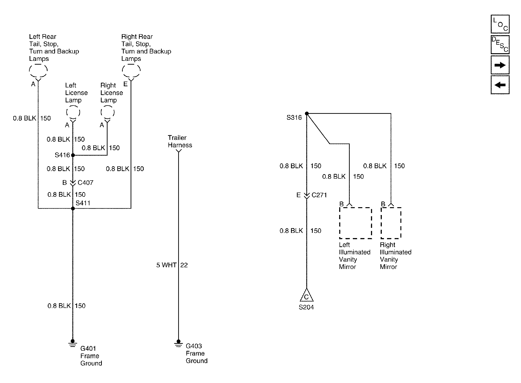
Cell 14: G401 and G403
Cell 14: G103 and G104
Figure 8:

Cell 14: G401 and G403


Object Number: 296344  Size: FS
Power and Grounding Components
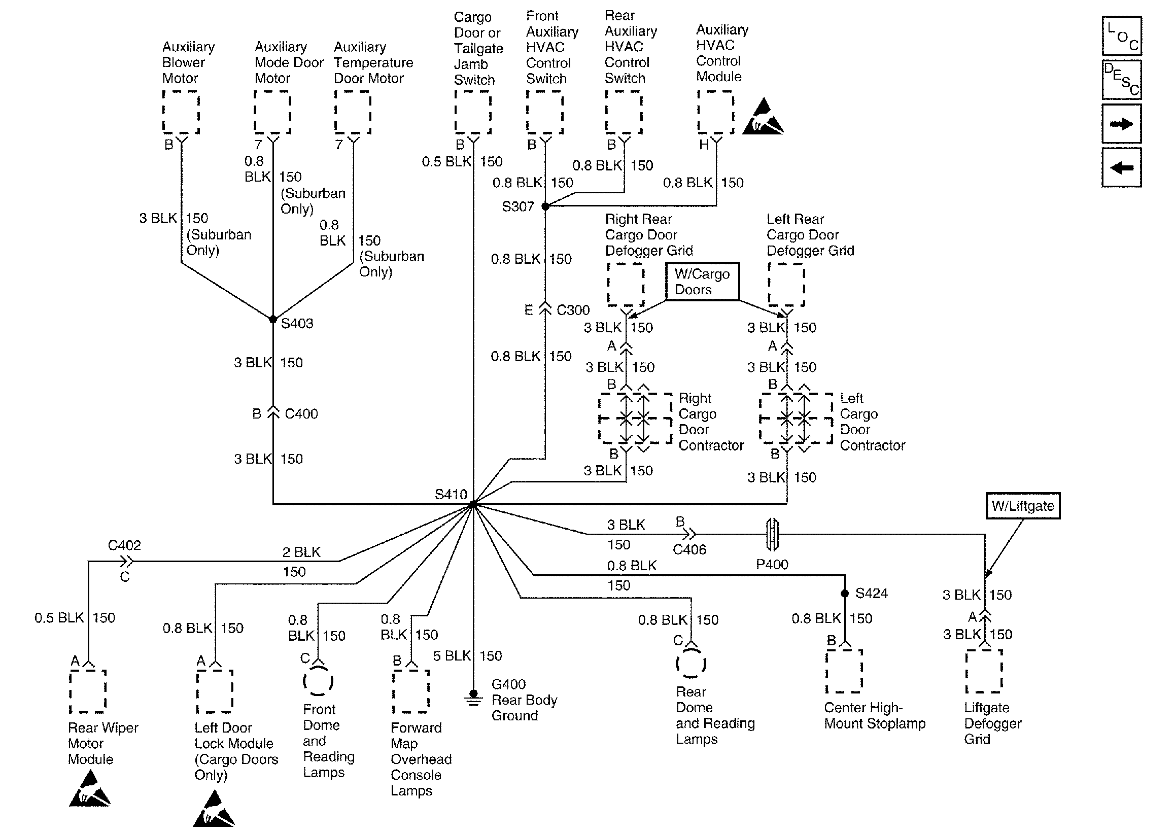
Cell 14: G400
Cell 14: G104
Figure 9:

Cell 14: G400


Object Number: 296345  Size: FS
Power and Grounding Components
Cell 14: G202
Cell 14: G401 and G403
Figure 10:

Cell 14: G202


Object Number: 296346  Size: FS
Power and Grounding Components
Cell 14: G202 Continued
Cell 14: G400
Figure 11:

Cell 14: G202 Continued


Object Number: 296347  Size: FS
Power and Grounding Components
Cell 14: G201
Cell 14: G202
Figure 12:

Cell 14: G201


Object Number: 296348  Size: FS
Power and Grounding Components
Cell 14: G202 Continued