GM Service Manual Online
For 1990-2009 cars only

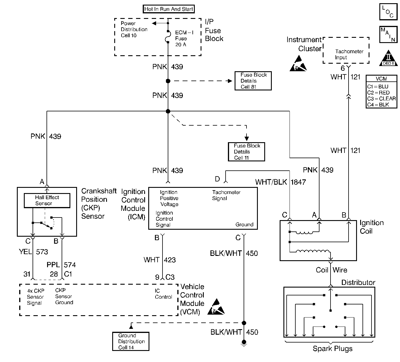
Object Number: 235810  Size: LF
IC/CMP/Oil Pressure - Comp Loc Figure
Engine Controls Schematics
OBD II Symbol Description Notice
Handling ESD Sensitive Parts Notice
Handling ESD Sensitive Parts Notice

Circuit Description

The enhanced ignition system uses the crankshaft position (CKP) sensor in order to provide a timing input to the control module. Ignition control (IC) spark timing for each cylinder is based on this input. The control module provides the ignition timing signal to the ignition control module (ICM) to control the ignition coil. Each timing pulse detected by the ICM allows it to energize the ignition coil. A large secondary ignition voltage is induced in the secondary coil by the primary coil. This high voltage is switched to the correct spark plug by the distributor.

This DTC will set if the VCM detects an unusually high voltage on the ignition timing signal circuit.

Conditions for Running the DTC

    • The ignition control is enabled.
    • The engine speed is less than 250 RPM.

Conditions for Setting the DTC

The Ignition Control voltage is more than 4.9 volts.

Action Taken When The DTC Sets

    • The VCM turns the MIL ON when this DTC is reported and one failure has occurred.
    • The VCM records the operating conditions at the time the Diagnostic Fails. Freeze Frame and Failure Records store this information.

Conditions for Clearing the MIL or DTC

    • The control module turns OFF the MIL after 3 consecutive drive trips when the test has run and passed.
    • A history DTC will clear if no fault conditions have been detected for 40 warm-up cycles. A warm-up cycle occurs when the coolant temperature has risen 22°C (40°F) from the startup coolant temperature and the engine coolant reaches a temperature that is more than 70°C (158°F) during the same ignition cycle.
    • Use a scan tool in order to clear the DTCs.

Diagnostic Aids

A poor connection, a rubbed through wire in the insulation, or a wire broken inside the insulation will cause an intermittent.

Check for the following conditions:

    • Poor connection
    • Damaged harness: Inspect the VCM harness connectors for the following conditions:
       - Backed out terminal C3 pin 9
       - Improper mating
       - Broken locks
       - Improperly formed or damaged terminals
       - A poor terminal to wire connection and
       - Damage to the harness.
    • Intermittent test - If the connections and the harness check OK, monitor a digital voltmeter connected between VCM connector C3 pin 9 and C4 pin 18 while moving related connectors and wiring harness. If the failure is induced, the voltage reading will change. This may help to isolate the location of the malfunction.

Test Description

The numbers below refer to the step numbers in the diagnostic table.

  1. This determines if the DTC is an intermittent.

  2. This check determines if the IC signal from the VCM is available at the ignition control driver.

  3. The remaining tests begin to check that the ignition module circuitry is performing properly.

Step

Action

Value(s)

Yes

No

1

Important: Before clearing the DTCs, record the Freeze Frame and the Failure Records for reference with a scan tool. This data will be lost when you use the Clear DTC Information function.

Did you perform the Powertrain ON-Board Diagnostic (OBD) System Check?

--

Go to Step 2

Go to Powertrain On Board Diagnostic (OBD) System Check

2

  1. Clear the DTCs.
  2. Disconnect the injector connector.
  3. Crank the engine for 15 seconds.

Does DTC P1351 set?

--

Go to Step 3

Go to Diagnostic Aids

3

  1. Turn OFF the ignition.
  2. Reconnect the injector connector.
  3. Disconnect the ignition control module connector.
  4. Probe the ignition control module connector terminal B with a J 39200 DMM connected to a ground.
  5. With the DMM set to the AC scale, crank the engine.
  6. Monitor the voltage reading.

Is the voltage reading within the specified value?

1-4 V

Go to Step 11

Go to Step 4

4

  1. Turn OFF the ignition.
  2. Disconnect the VCM C3 connector.
  3. Check the resistance between the VCM C3 connector pin 9 Ignition Control and the ignition control module connector terminal B.

Is the resistance less than the specified value?

10 ohms

Go to Step 6

Go to Step 5

5

Repair the open IC circuit between the VCM and the ignition control module. Refer to Wiring Repairs .

Is the action complete?

--

Go to Step 16

--

6

  1. Connect a test light to a ground.
  2. Turn On the ignition leaving the engine OFF.
  3. Probe the VCM C3 connector pin 9.

Is the test light ON?

--

Go to Step 7

Go to Step 8

7

Repair the short to voltage in the IC circuit between the VCM and the ignition control module. Refer to Wiring Repairs .

Is the action complete?

--

Go to Step 18

--

8

Check for poor VCM connection.

Was a problem found?

--

Go to Step 9

Go to Step 10

9

Repair the VCM connection. Refer to Wiring Repairs .

Is the action complete?

--

Go to Step 18

--

10

  1. Replace the VCM.
  2. Program the VCM. Refer to VCM Replacement/Programming .
  3. Perform the Crankshaft Variation Learn Procedure. Refer to Crankshaft Position System Variation Learn .

Is the action complete?

--

Go to Step 18

--

11

  1. Turn OFF the ignition.
  2. Connect a test light to B+.
  3. Probe the ignition control module harness connector terminal C.

Is the test light ON?

--

Go to Step 13

Go to Step 12

12

Repair the open ignition control module ground circuit. Refer to Wiring Repairs .

Is the repair complete?

--

Go to Step 18

--

13

  1. Turn ON the ignition.
  2. Connect a test light to a ground.
  3. Probe the ignition control module harness connector terminals D and A.

Is the test light ON both terminals?

--

Go to Step 15

Go to Step 14

14

Repair the ignition control module feed circuit. Refer to Wiring Repairs .

Is the repair complete?

--

Go to Step 18

--

15

Check for a poor ignition control module connection.

Was a problem found?

--

Go to Step 17

Go to Step 16

16

Replace the ignition control module. Refer to Ignition Coil and ICM Replacement in Engine Electrical.

Is the action complete?

--

Go to Step 18

--

17

Repair the ignition control module connection. Refer to Wiring Repairs .

Is the action complete?

--

Go to Step 18

--

18

  1. Select DTC and the Clear DTC Information function with a scan tool.
  2. Start the engine.
  3. Allow the engine to idle until the engine reaches normal operating temperature.
  4. Select DTC and Specific DTC function.
  5. Enter the DTC number which was set.
  6. Operate the vehicle within the conditions for setting this DTC that the supporting text specifies.

Does the scan tool indicate that this diagnostic ran and passed?

--

Go to Step 19

Go to Step 2

19

Display the Capture Info and the Review Capture Info function with a scan tool.

Are any new DTCs displayed?

--

Go to The Applicable DTC Table

System OK